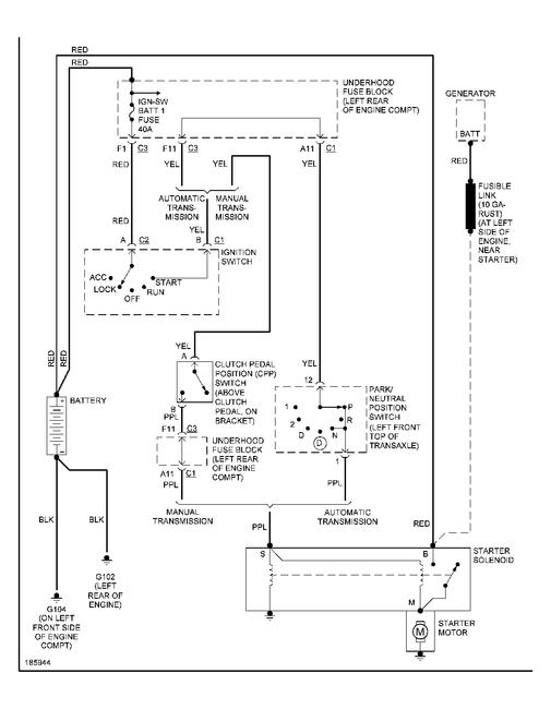
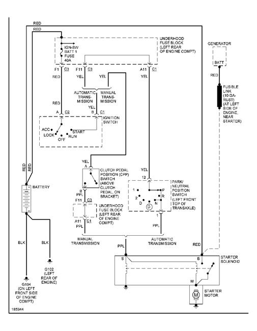
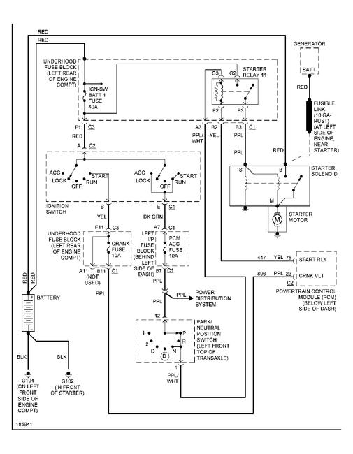
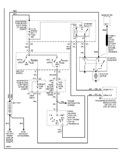
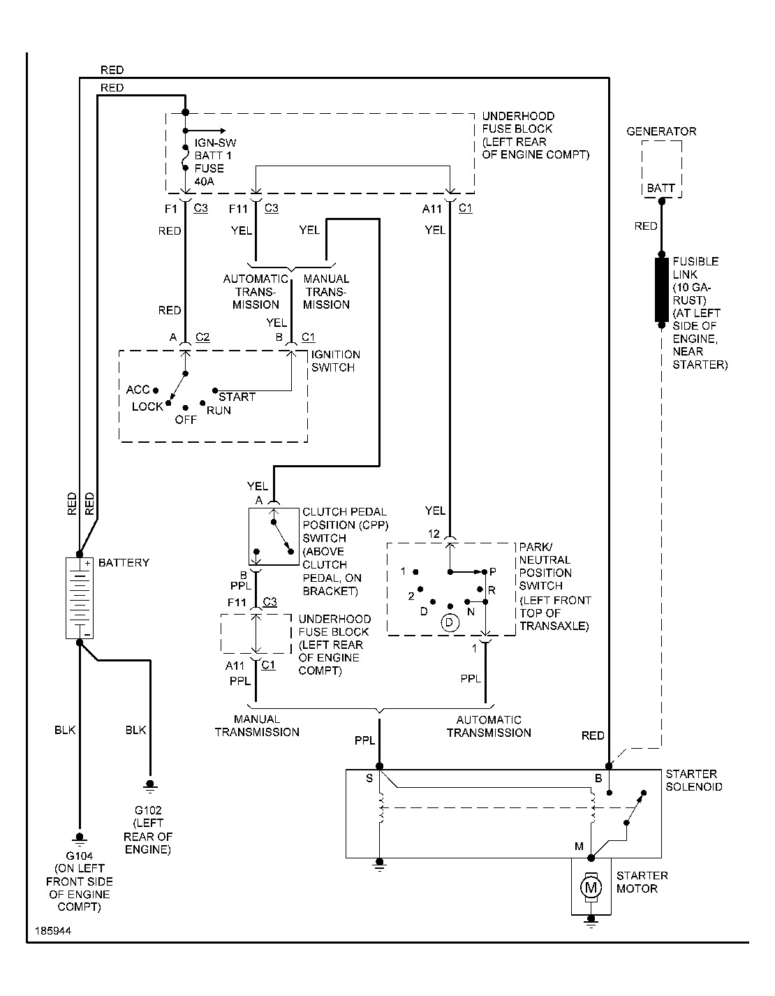
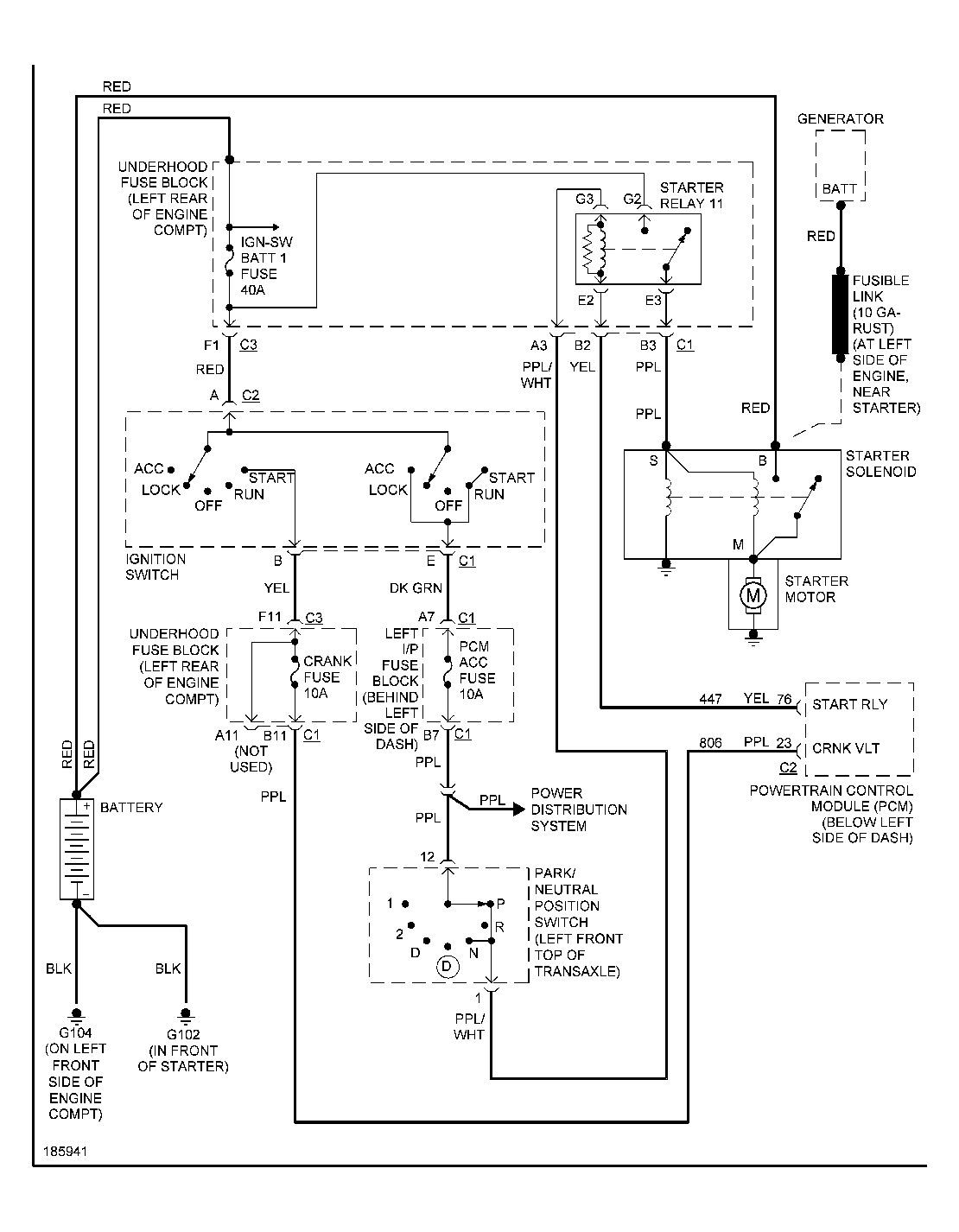
A few nights ago I went to start my car, and it wouldn't start. The ignition made no noise at all, no clicking to indicate a dead battery or anything like that. I could hear the fuel system starting up, but that was all. None of the dashboard lights car on either. I called AAA, and they sent out the vehicle. The person who showed up immediately found it was not the battery, and proceeded to check if it was the starter or something else. He found that it was a shortage, which had caused the 40A fuse for the Ignition Switch Battery to blow. He didn't tell me that specifically at the time, though, and merely said there was a shortage in the ignition somewhere. I had the car towed to Pepboys, and the next morning they said it was the Ignition lock Cylinder, which sounded a bit off to me since I was having no problems turning the key. Before they did any work on it, we had it towed home and checked it ourselves, and found the problem with the fuse that had been found my the AAA guy. After a ton of research, we figured the problem must be the ignition coil, which we then had tested. The coil was blown and we replaced it. The car didn't start, but the fuse didn't blow and the battery was dead, so we charge the battery. The car was able to start after that, but when we turned the car off again the 40A fuse had blown once more. I've done more research, and found that the problem could either be a wire grounding out somewhere, or the alarm remote could be interferring with the car somehow. The problem with the second theory, though, is that when I bought my car used it did not come with a car alarm remote. Is there anything else that could be causing the problem?
Aug 4, 2013 at 10:26 AM


