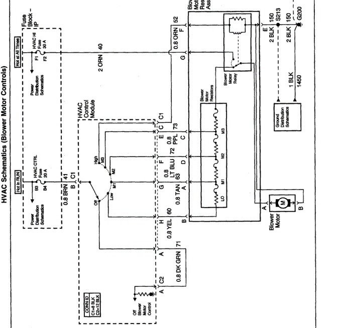
I placed voltmeter at pin A of the blower motor when the switch is in position 5 (Hi) and there is 12v present. and then moved it to pin B of the blower motor and 12v is present at this point too.That is what i do not understand why both wiring reads 12 volts?
Apr 29, 2020 at 5:44 PM





