The A/C will not turn off

2009 NISSAN TITAN
126,000 MILES • 5.6L • V8 • 2WD • AUTOMATIC
Avatar
  • MEMBER
  • 1 POST
The A/C will not turn off. When you turn it off it blows down on your feet.
Sep 8, 2018 at 5:58 PM
Advertisement
Avatar
STRAILER
  • CERTIFIED EXPERT
  • 53,854 POSTS
Hello,

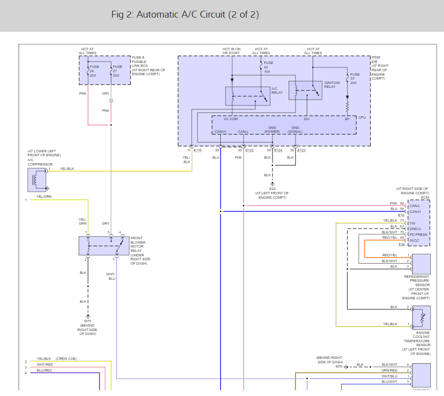
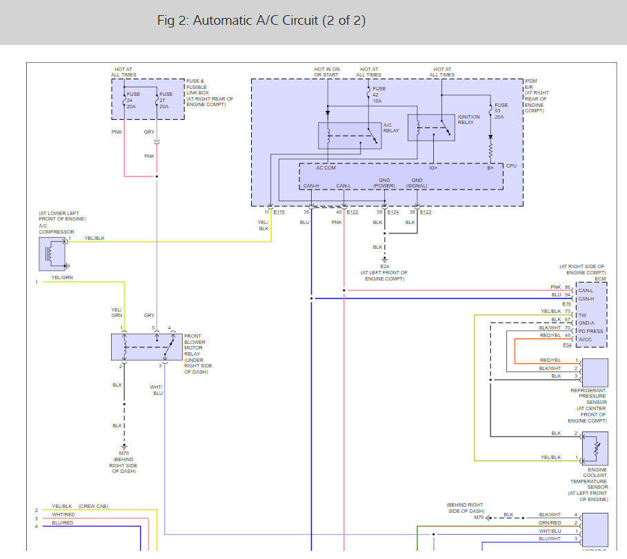
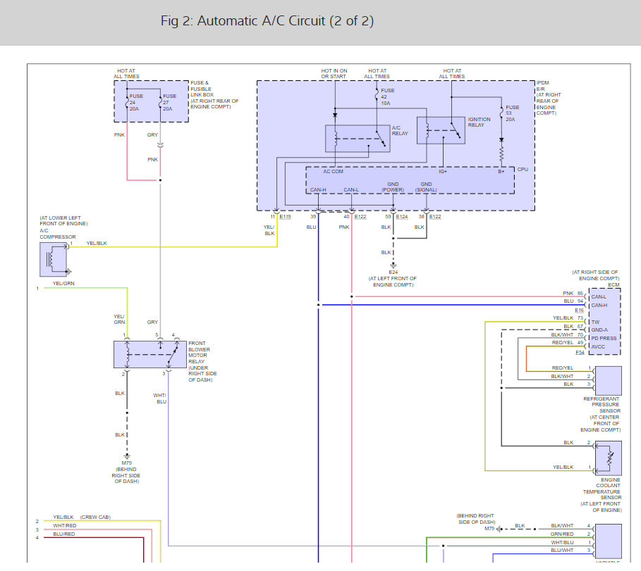
It sounds like you have a blower motor relay that is stuck on which happens. Here is a guide to help you confirm the issue with the replace location and the blower motor wiring diagrams so you can see how the system works:

https://www.2carpros.com/articles/how-to-check-an-electrical-relay-and-wiring-control-circuit

Front Blower Motor Relay (M107).

Check out the diagrams (below). Please let us know what you find.

Cheers, Ken
Sep 10, 2018 at 12:15 PM