How to Test Head Light Switch

2003 FORD FOCUS
90,000 MILES • 2.3L • 4 CYL • FWD • AUTOMATIC
Avatar
RANDY SHARP
  • MEMBER
  • 165 POSTS
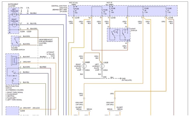
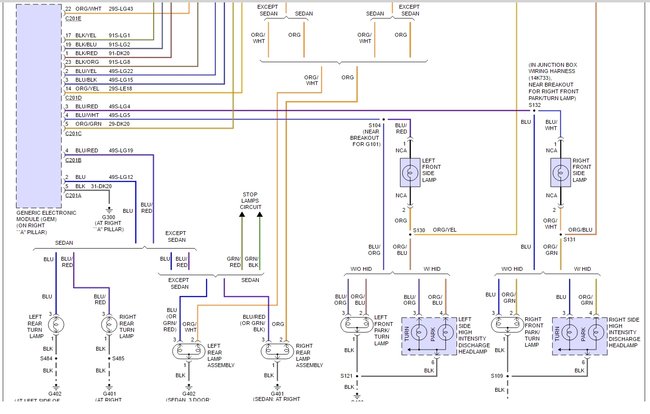
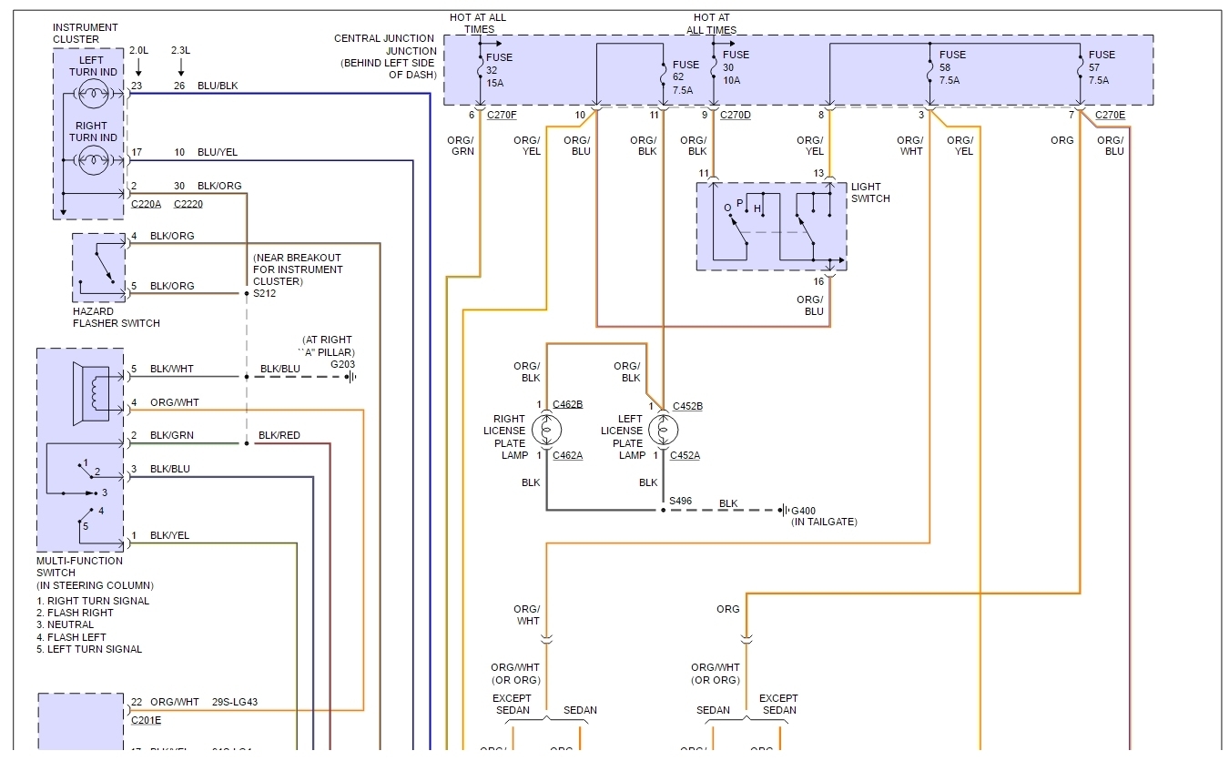
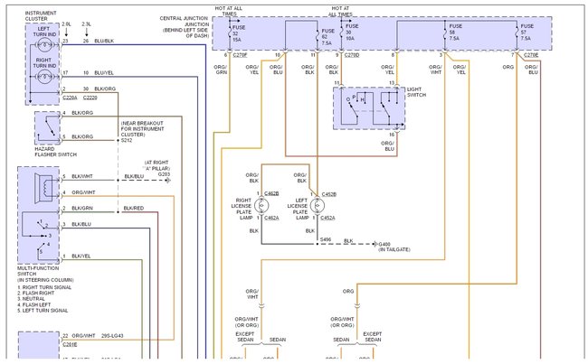
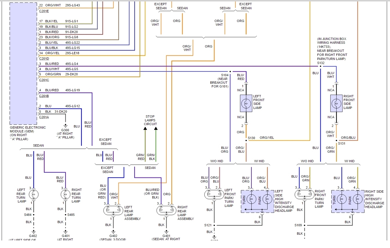
No tail lights, no license plate light, no reverse lights. it has blinkers, stop lights, and hazard. the same bulb is for turn signals, brake and tail lights. Tested all fuses all good, does any one know how to test head light switch? This thing like happened over night that would be logical to test switch right? Would that be something that would effect the certain lights. I do not understand it the brake, turn and tail lights are from one bulb. why? wouldn't the tail lights work?
Nov 2, 2016 at 5:15 PM
Advertisement
Avatar
STRAILER
  • CERTIFIED EXPERT
  • 53,854 POSTS
Hey RANDY,

Please double check all of the fuses, there also is a GEM module that could be bad, here is a wiring diagram to help you check the turn signal switch and the other circuits, please let me know what you find

Best, Ken
Nov 7, 2016 at 9:06 AM