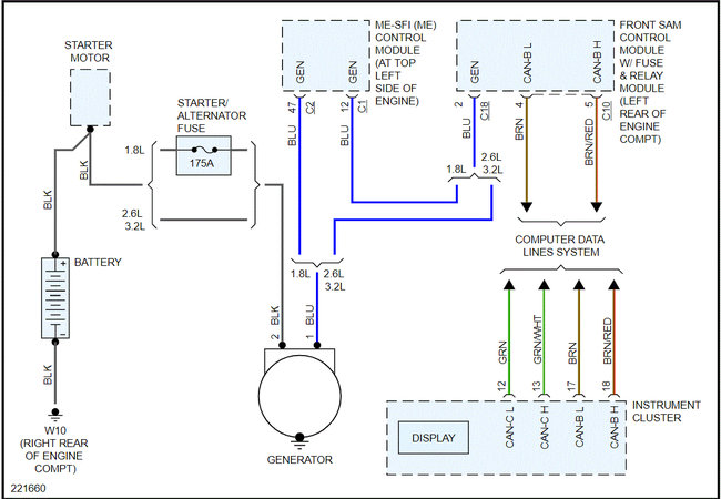
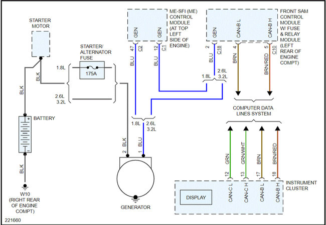
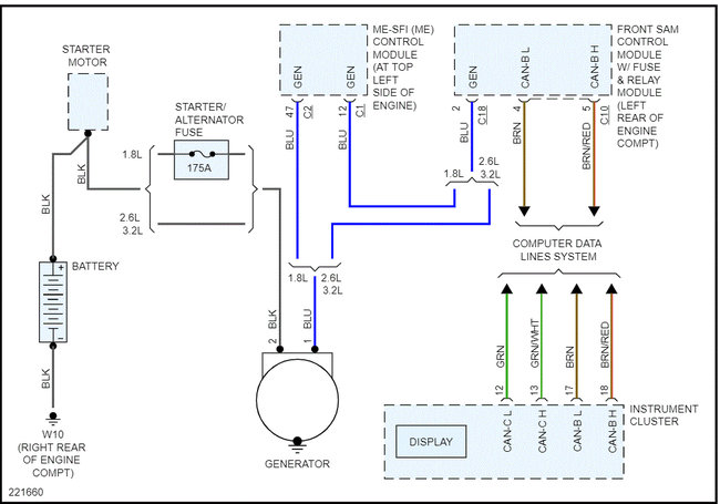
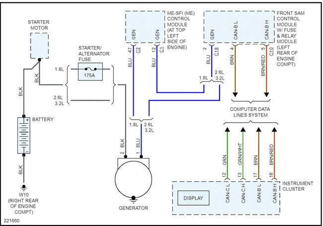
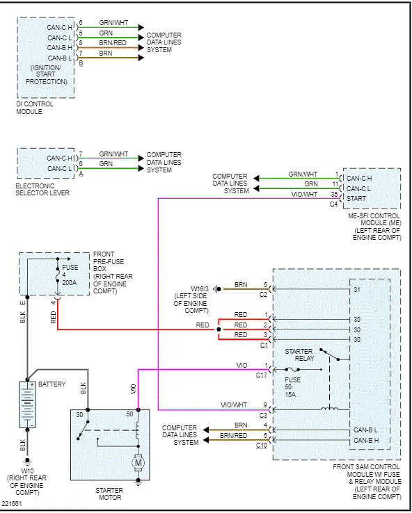
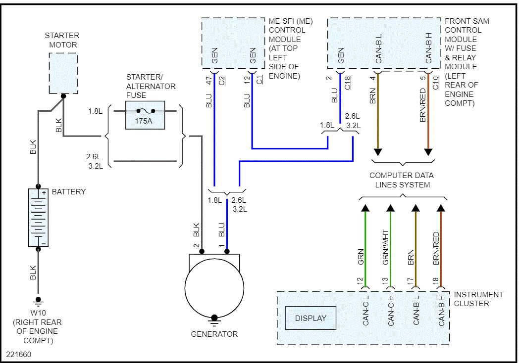
I dropped a wrench while making a repair. It struck the alternator power connection and the frame causing a short circuit. When I started the car, the battery/alternator warning light illuminated. I checked the voltage with the car running and it is either 12 or 12.1 volts, so the system is definitely not charging.
I am trying to determine whether the alternator was damaged by incident or if some other component of the system is causing the problem. I used a voltmeter to perform a diode test and it appears that the diodes were damaged. This is the first time I have worked with a potentially damaged alternator and I am unsure of my testing skills and techniques. I tried to have the alternator tested at two auto parts stores, but the alternator did not fit on their machines correctly and they couldn't run the test.
I purchased a used alternator from a recycler and replaced the voltage regulator on it. It passed the diode test that the original alternator failed. Are there any other tests that I can run on the used alternator before installing it in the car? I will try some other parts stores to see if they can test the alternator, but the machines I've seen appear similar and I am not sure I will be able to find someone to test it.
I am trying to determine whether the alternator was damaged by incident or if some other component of the system is causing the problem. I used a voltmeter to perform a diode test and it appears that the diodes were damaged. This is the first time I have worked with a potentially damaged alternator and I am unsure of my testing skills and techniques. I tried to have the alternator tested at two auto parts stores, but the alternator did not fit on their machines correctly and they couldn't run the test.
I purchased a used alternator from a recycler and replaced the voltage regulator on it. It passed the diode test that the original alternator failed. Are there any other tests that I can run on the used alternator before installing it in the car? I will try some other parts stores to see if they can test the alternator, but the machines I've seen appear similar and I am not sure I will be able to find someone to test it.
Jun 12, 2020 at 7:54 AM






























