Temperature spiking

2001 BUICK LESABRE
97,000 MILES • 3.2L • 6 CYL • 2WD • AUTOMATIC
Avatar
ALLYN JAMES
  • MEMBER
  • 1 POST
Around town at low speeds the temperature would spike briefly and then go back down. I was briefly on interstate and it spiked and the car lost power, I got off at next exit and the temperature calmed down, I finished my twenty mile trip to the dr on back roads with it fluctuating from time to time. I did add some fluid and the overflow reservoir shows full, still has spike once since. Any ideas?
Sep 25, 2018 at 11:48 AM
Advertisement
Avatar
JACOBANDNICKOLAS
  • CERTIFIED EXPERT
  • 110,175 POSTS
Hi and thanks for using 2CarPros.com.

First, when the engine is cold, open the radiator and check to make sure it is full. A faulty radiator cap can cause the coolant in the over flow to not be drawn in. Since the temperature is up and down, the thermostat may need replaced. However, if the temperature increase is only happening when you are not moving or moving slowly, my first guess would be that the cooling fan is not working. Do me a favor. Pay attention when it starts heat up if it is when you are hardly moving or stopped. Then, does it cool down once you start moving? If that is the case, it sounds like a cooling fan issue.

Here are the directions for fan motor replacement if you determine that is the problem. Picture 4 correlates with these directions. Also, here is a link that shows in general how one is replaced:

https://www.2carpros.com/articles/replace-electric-fan-motor

The following directions are specific to your vehicle.

COOLING FAN MOTOR REPLACEMENT
Cooling Fan Motor Replacement - Electric
Removal Procedure
1. Remove the electric cooling fan.

Important: The fan blade retaining nut is left hand thread, damage may occur to motor threads if trying to remove as a right hand thread nut.

2. Remove the fan retaining nut (5) from the motors (2).
3. Remove the fan (4) from the motor shaft.
4. Remove the motor retaining screws (3).
5. Remove the motor (2) from the shroud (1).

Installation Procedure
1. Install the motor (2) to the shroud (1).

Notice: Refer to Fastener Notice in Service Precautions.

2. Install the motor retaining screws (3).
- Tighten the electric cooling fan motor mounting bolts to 6 Nm (53 inch lbs.).
3. Install the fan (4) to the motor shaft.
4. Install the fan retaining nut (5) to the motors (2).
- Tighten the electric cooling fan blade attaching nut to 6 Nm (53 inch lbs.).
5. Install the electric cooling fan.
The thermostat isn't an expensive part, and if it has never been replaced, you may want to consider it.
____________________________________________________
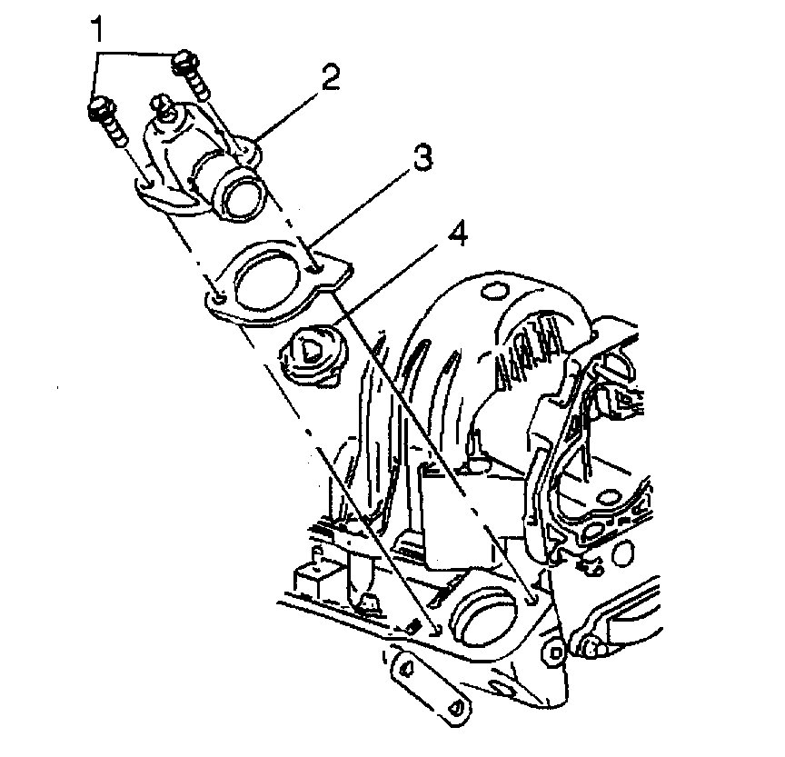
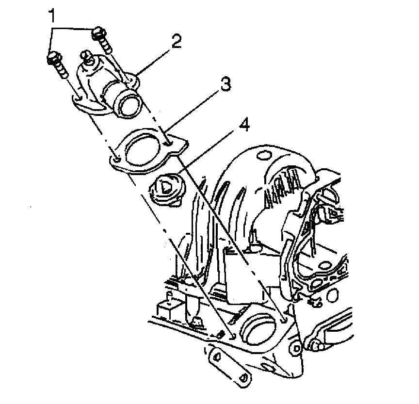
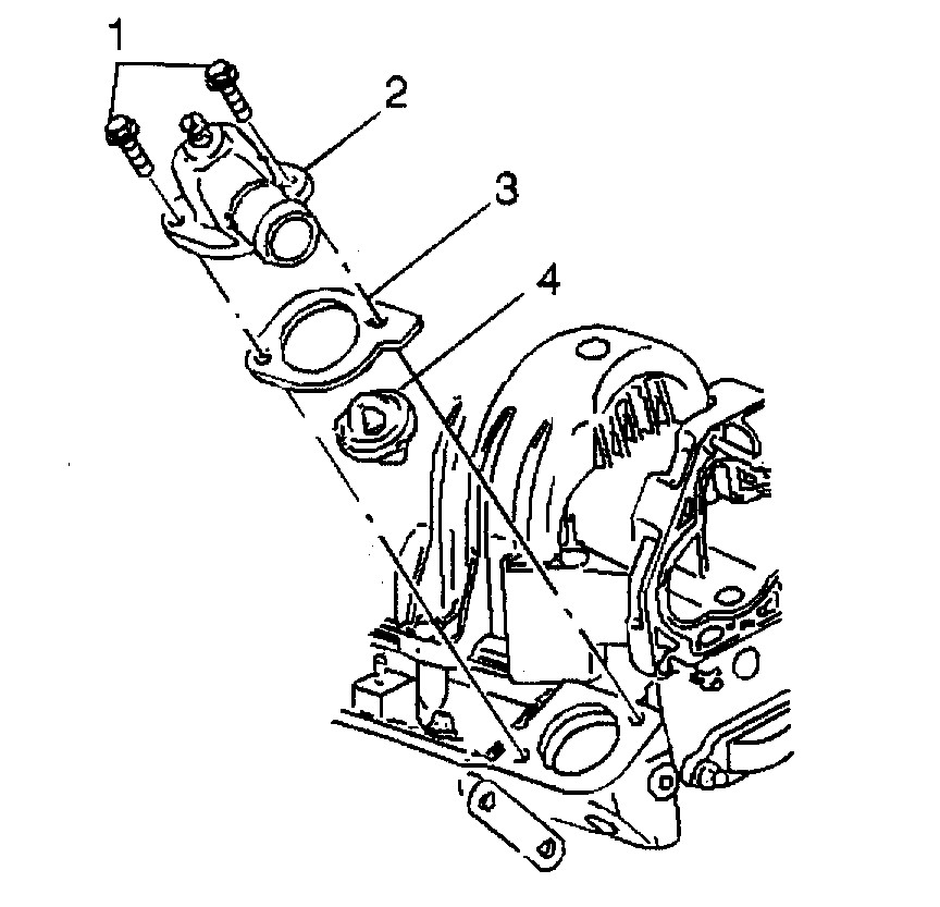
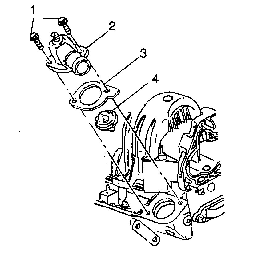
Here are the directions for thermostat replacement. The attached pics correlate with these directions.

PROCEDURES
^ Tools Required
- J 38185 Spring Hose Clamp Pliers

Removal Procedure
1. Remove the engine cover.
2. Drain the cooling system.
3. Using the J 38185 loosen and move the inlet radiator hose clamp at the thermostat housing.
4. Remove the inlet hose from the housing.
5. Remove the thermostat housing bolts (1).
6. Remove the thermostat housing (2).
7. Remove the thermostat (4).
8. Clean the gasket mating surfaces and the housing and intake port.

Installation Procedure
1. Install the thermostat (4).
2. Install the thermostat housing (2) and a new gasket (3).

Notice: Refer to Fastener Notice in Service Precautions.

3. Install the thermostat housing bolts (1).
^ Tighten the thermostat housing bolts to 20 Nm (15 ft. lbs.).
4. Install the inlet radiator hose and clamp.
5. Refill the cooling system.
6. Install the engine cover.

_______________________________________

I hope this helps. Let me know if you have other questions or need help with anything.

Take care,
Joe
Sep 26, 2018 at 6:00 PM