More likely there is a little resistance in the wire or its connector terminals. The place to start is by connecting a scanner to see the live data and see what the Engine Computer is seeing for coolant temperature. A lot of people don't realize there were two different coolant temperature sensors. The two-wire sensor for the Engine Computer is the accurate one and affects engine performance. The single-wire sensor is for the gauge, but the important consideration is they are never meant to be completely accurate. Their value is in letting you observe when something has changed from "normal". The fact it is reading quite differently than before is what indicates there is something to solve.
If the scanner shows actual engine coolant temperature is around 160 to 170 degrees, that is what needs to be checked. Some thermostats have a "U"-shaped rubber gasket around the outside diameter that seals to a groove in the housing. That can rot and break away, then we don't realize it is supposed to be there when we put the new thermostat in unless it comes with a new gasket. Lack of that gasket lets coolant easily bypass the thermostat. Also look for a chip of scale that got caught under the plate in the middle of the thermostat and is holding it open. A quick test is to pinch the upper radiator hose, then watch if coolant temperature goes up. You can also feel the radiator. If it's getting close to 195 degrees, you won't be able to hold your hand on it for very long. If it's getting to 160 degrees, it will feel comfortable.
If you see other gauges are also reading too low, we'll need to look at the 12 volt circuit that feeds the instrument cluster from the "Gauges" fuse on the left side of the dash. A good suspect would be corrosion on the laminate connector terminals on the back side of the cluster. Next would be corrosion on the fuse terminals.
A common problem introduced when replacing the gauge's temperature sensor is wrapping the threads with teflon tape to help them seal. That's okay with the Engine Computer's two-wire sensor because its second wire is the ground circuit, but with the gauge's sensor, those threads make the ground circuit. Teflon tape and many other sealants interfere with that connection. Usually the gauge won't move at all off "cold", but another problem that plagues GM products is acid build-up in the coolant, especially once they switched to the red "Dex-Cool" antifreeze. That acid causes "galvanic action" which is what takes place inside the battery, and is desirable, and in the cooling system where it results in corroded and leaking heater cores and radiators. The current flow that acid allows can result in the temperature gauge reading something, but that is not a good way to get a ground circuit.
To identify if the coolant is acidic, place the negative probe of a digital voltmeter on the battery's negative post, then touch the positive probe into the coolant at the radiator neck, but it must not touch anything metal in there. A reading of 2.0 volts or less is okay and suggests the coolant is not acidic enough to cause corrosion as long as the antifreeze is replaced every two years. The corrosion inhibitors, water pump lubricant, and other additives wear out in about two years. That's why we replace the antifreeze. It's not uncommon to find more than six volts with this test. That means there's a real lot of acid built up. The voltage is developed when there's two different kinds of metal in an acid. In this case, there is cast iron, brass, lead, tin, and aluminum. The aluminum in heater cores and radiators is what corrodes away fastest, leading to leaks.
There was a service bulletin from the '90s related to coolant temperature gauges reading too low. I can't remember the brand, model, or engine size that applied to, but it was a design problem that affected all of that model. It involved adding a resistor in parallel with the temperature sensor to cause the gauge to read higher. Logic would dictate a different sending unit with a lower resistance could have been used, but there was a reason that was not a recommended repair. Again, this wouldn't apply to your truck since this is a new problem, but it's worth mentioning.
If you haven't found anything up to now, you'll need to remove the cluster, then measure the resistance from the appropriate terminal to ground. According to the service literature, the sensor should read 49 ohms at 260 degrees, (not very practical to expect us to measure that), and 1305 ohms at 100 degrees. Instructors never require their students to memorize these values because they will be different on every vehicle, and we never make a diagnosis based on those numbers. We're interested in changing something when there's a problem to be solved, and even then we rarely measure these numbers. Yours is a case of finding what you have now for resistance, making an educated guess if it looks feasible, and finding the cause when it's not right. To say that a better way, we don't care what the exact values are. We want to find what has changed recently.
These resistance values show there is about an 800 - 1200 ohm difference between "cold" and "hot". Sensor resistance goes up as its temperature goes down. I'd expect to find around 1800 to 2000 ohms at 60 degrees, meaning a warm day when the engine hasn't been run yet. A better approach would be to measure the resistance of the old sensor, unplug and measure the new sensor, then plug it back in and take the measurement from the instrument cluster's plug. It's highly unlikely all three of those are going to be the same. Knowing those will give us a place to start looking.
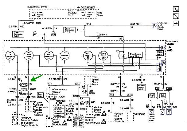
The green arrow is pointing to terminal 13 in the instrument cluster's plug. That's for the coolant temperature sending unit.
Images (Click to enlarge)
Apr 11, 2019 at 5:56 PM