temperature gauge not working

1986 MAZDA B2000
175,000 MILES • 4 CYL • MANUAL
Avatar
JIMMYSEA
  • MEMBER
  • 1 POST
The temperature gauge has not worked for a while but there are no overheating problems. Would changing the thermostat and ECT sensor fix the gauge?
Jan 26, 2022 at 5:18 PM
Advertisement
Avatar
CARADIODOC
  • CERTIFIED EXPERT
  • 34,306 POSTS
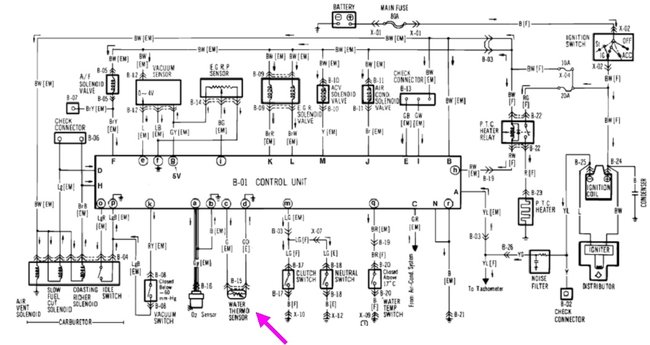
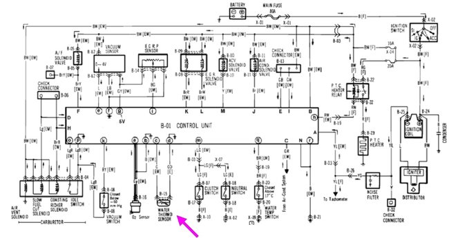
The first diagram shows the instrument cluster and its sensors. The section with the coolant temperature sensor for the dash gauge is expanded in the second diagram. I added the third diagram only to show there's an entirely different coolant temperature sensor for the Engine Computer. That one will always have two wires in its electrical connector, (purple arrow).

The sensor for the gauge has just one wire plugged into it. What looks like a second wire in the second diagram just represents the threaded housing is the sensor's second terminal, in this case, ground.

Temperature sensors have an extremely low failure rate because there's just one component inside them. The most common cause of a dead gauge is probably spread or corroded connector terminals, then a cut wire. One very rare and elusive cause is when someone replaced the sensor and used Teflon tape on the threads to help them seal. That tape acts as an insulator and will prevent current from flowing through the sensor.

A fast way to check if the wiring and gauge are okay is to unplug the yellow / white wire from the sensor, then use a jumper wire to ground that terminal. If the temperature gauge reads maximum "hot" when the ignition switch is turned on, everything up to that jumper wire is working.

The coolant temperature sensor for the gauge isn't listed in the fourth drawing, but it is going to be in the area of the blue arrow. Both the sensors for gauge and for the computer are usually very close to where the upper radiator hose attaches to the engine. Look for the sensor with the single, yellow wire.

You asked about the thermostat too. If that is stuck open, the engine will never reach proper operating temperature. The biggest clue is you'll get cool or cold air from the heater. You can also feel the upper radiator hose or the smaller heater hoses after the engine has been running for a while. They should be too hot to hold onto for very long.
Jan 26, 2022 at 6:11 PM