My cooling fans will not start up unless I unplug the temperature sensor. The gauge does not work at all. I am not sure if the same sensor is responsible for both signals(fan and gauge).
I probed the wires to the temperature sensor and started the car. There was a constant 4.6 volts that did not change significantly as the car warmed up to operating temperature. unless I unplugged the temperature sensor, then it would rise to about 5 volts.
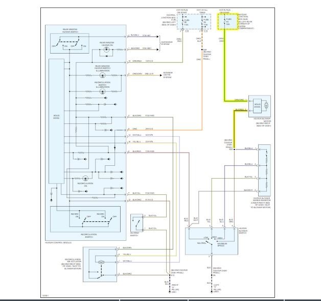
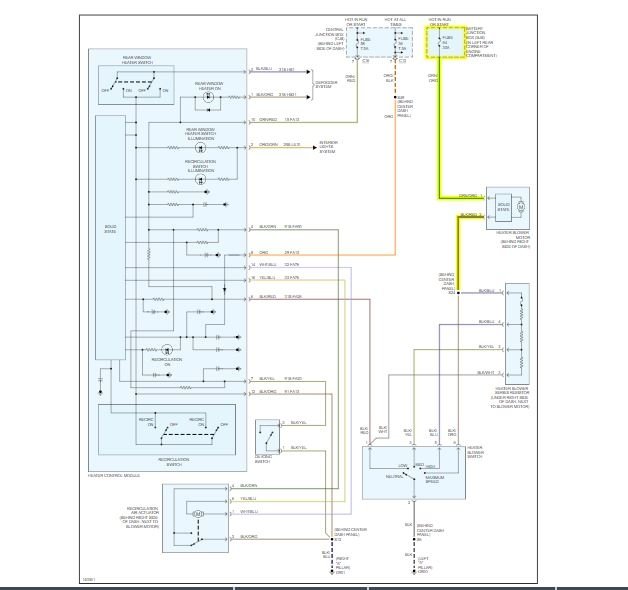
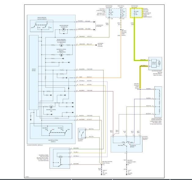
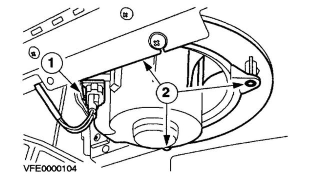
I think it is a separate issue, but it also has a heater fan that will not run at all. I am not sure if this is related to the other problems, but I figured it was worth mentioning.
I probed the wires to the temperature sensor and started the car. There was a constant 4.6 volts that did not change significantly as the car warmed up to operating temperature. unless I unplugged the temperature sensor, then it would rise to about 5 volts.
I think it is a separate issue, but it also has a heater fan that will not run at all. I am not sure if this is related to the other problems, but I figured it was worth mentioning.
Jun 9, 2019 at 12:18 PM




