I can’t get the temperature control motor to work

1999 DODGE RAM
190,000 MILES • 5.9L • 6 CYL • TURBO • 4WD • AUTOMATIC
Avatar
CHANCE OLSON
  • MEMBER
  • 1 POST
I can’t get the temperature control motor to work. I changed that motor and the HVAC control unit in the dash. One wire has constant power at both ends, but as I move the dial from hot to cold, i never get power at the other two wires. Am I looking at having been sold a faulty control module?
Oct 23, 2019 at 10:12 AM
Advertisement
Avatar
STRAILER
  • CERTIFIED EXPERT
  • 53,854 POSTS
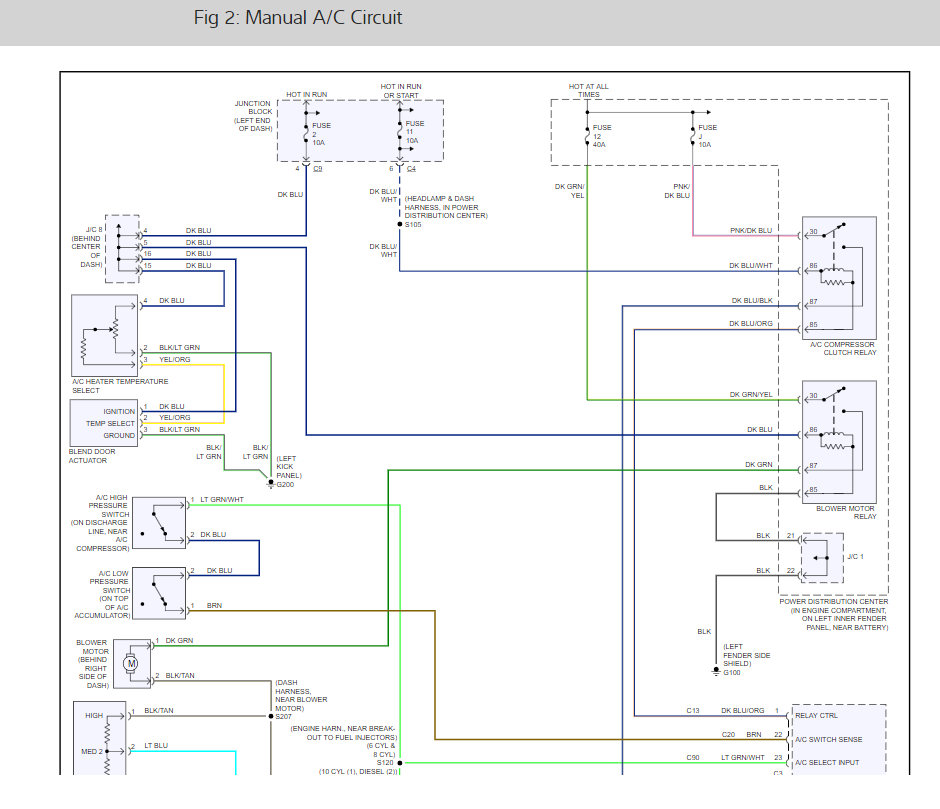
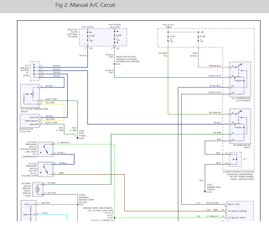
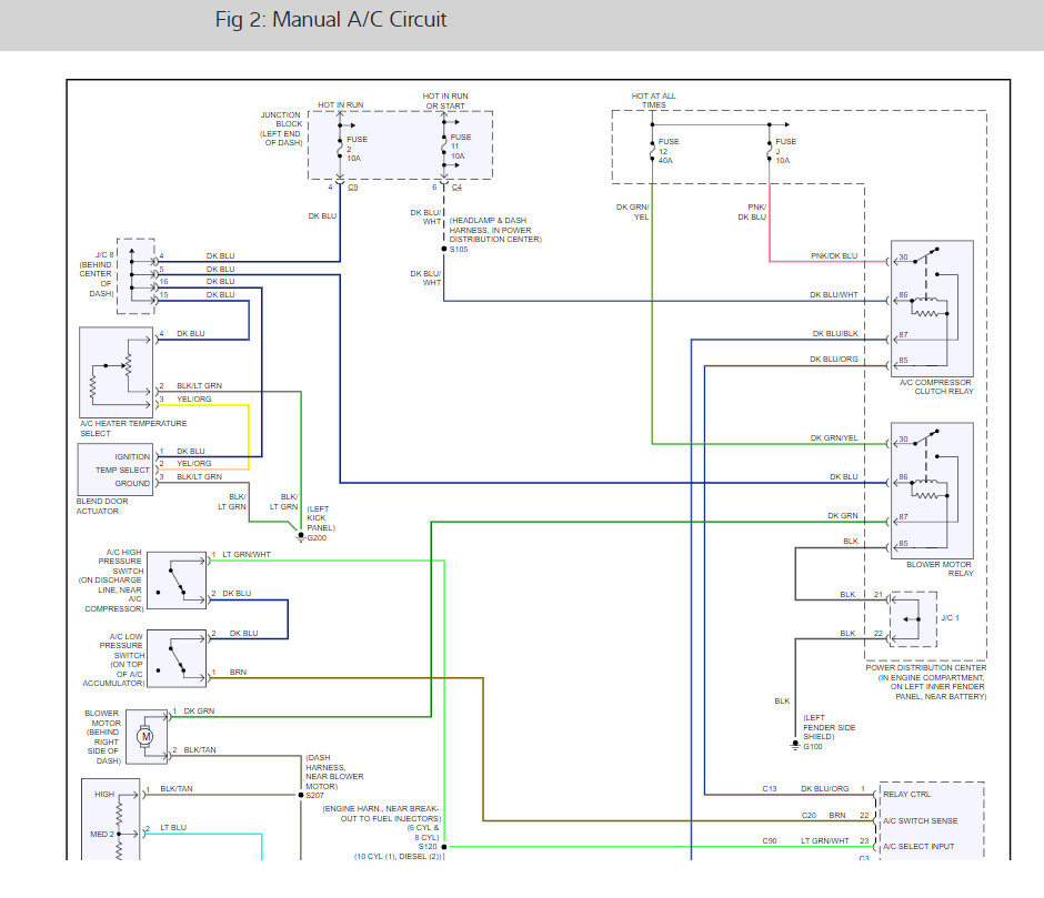
It is possible but we should check power and grounds before we go any further. here is a guide to help with the HVAC wiring diagrams so you can see which wires to test:

https://www.2carpros.com/articles/how-to-check-wiring

Check out the diagrams (below). Please let us know what you find. We are interested to see what it is.
Apr 23, 2021 at 11:45 AM