Drivers side A/C is not changing temperature

2013 FORD EXPEDITION
150,000 MILES • 5.7L • V8 • 4WD • AUTOMATIC
Avatar
JOHNCSMITHEN
  • MEMBER
  • 1 POST
Hello,

I have been growing through the internet and trying to find a solution for weeks. I have the vehicle listed above Limited with dual climate control. The driver-side A/C is not changing temperature, but every other quadrant is as usual. I have replaced the rear actuator, front passenger actuator behind the radio, and an actuator to the upper right of the accelerator pedal. When evaluating the actuator functions it appeared the actuator behind the radio moved when I was adjusting the temperature on the passenger side, but not the driver side, and the actuator by the accelerator when switching between feet, face, defrost, and so on, but not for any climate adjustments. Is there another temperature controlling actuator somewhere on the driver side I can replace to get function out of my driver side temperature control?
May 6, 2022 at 12:49 PM
Advertisement
Avatar
STRAILER
  • CERTIFIED EXPERT
  • 53,854 POSTS
It is hard to tell what actuators you changed but I have found the correct actuator for you with instructions on how to change it out with diagrams below giving you the location visually. Please check the diagrams below.

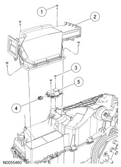
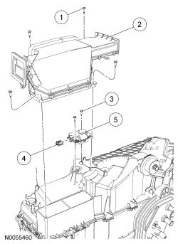
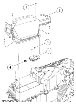
Removal and Installation

1. Remove the heater core and evaporator core housing. For additional information, refer to Heater Core and Evaporator Core Housing See: Housing Assembly HVAC > Removal and Replacement > Heater Core and Evaporator Core Housing.

2. Remove the 4 floor duct screws.

3. Remove the floor duct.

4. Disconnect the LH temperature blend door actuator electrical connector.

5. Remove the 2 LH temperature blend door actuator screws.

6. Remove the LH temperature blend door actuator.

7. To install, reverse the removal procedure.

8. NOTE: Because the battery has been disconnected as part of the removal procedure, the HVAC module will initialize and calibrate the actuators when the ignition switch is switched to the ON position. The purpose of the module actuator position calibration is to allow the HVAC module to reinitialize and calibrate the actuator stop points. Calibration of the actuators will take approximately 30 seconds.

Turn the ignition switch to the "on" position and wait 30 seconds before verifying correct temperature blend door actuator operation.


Check out the diagrams (below). Let us know what happens and please upload pictures or videos of the problem.
May 6, 2022 at 3:15 PM
Avatar
ASEMASTER6371
  • CERTIFIED EXPERT
  • 52,796 POSTS
Good afternoon,

The actuator for the driver's side is located on top of the heater box assembly. The heater box has to be removed to gain access to the actuator.

The actuator you found is the mode door actuator, not the blend door actuator.

Roy

May 6, 2022 at 4:18 PM
Advertisement