While driving the A/C turns on and off plus temperature indication light display?

2016 NISSAN TERRANO
64,000 MILES • 1.6L • 2WD • MANUAL
Avatar
GAVHANEGN
  • MEMBER
  • 4 POSTS
I checked the fan by giving external supply 12v directly to fan it's working.
Jun 22, 2024 at 3:23 AM
Advertisement
Avatar
STRAILER
  • CERTIFIED EXPERT
  • 53,854 POSTS
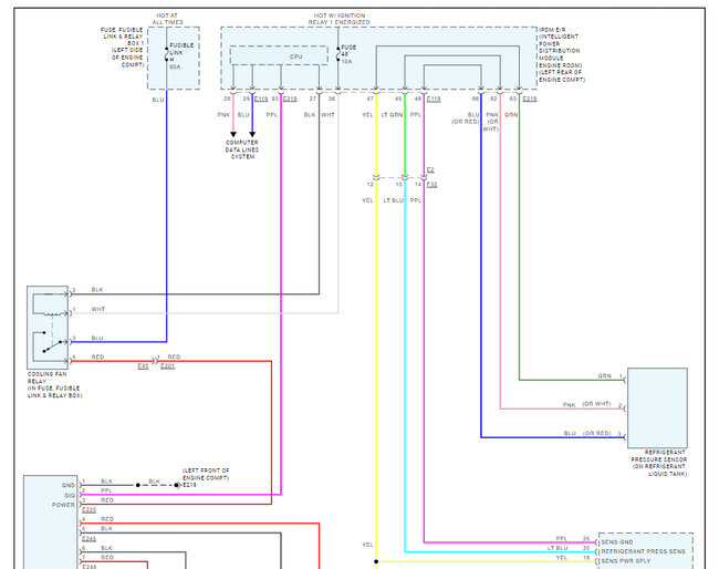
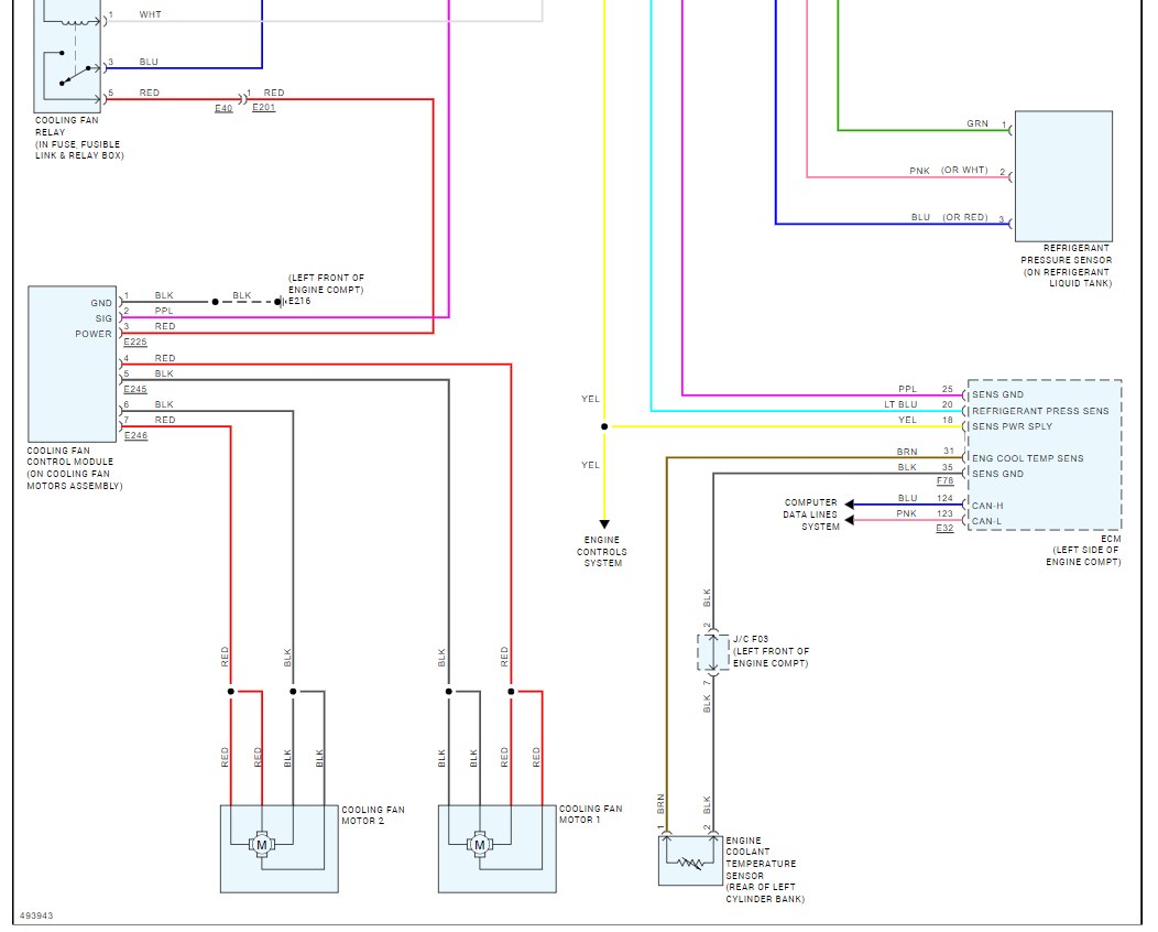
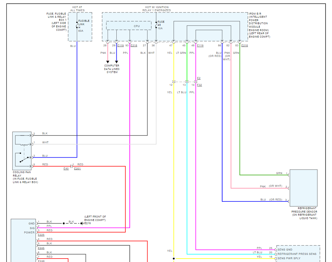
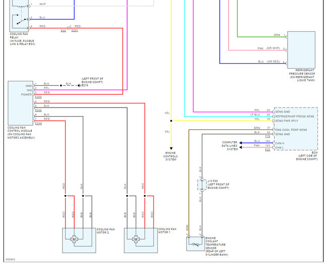
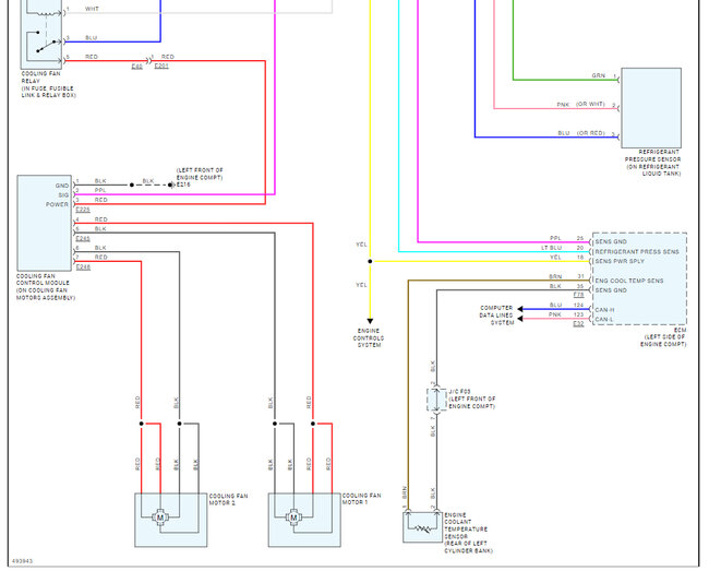
We just had one of these in the shop (pathfinder) and it turned out to be the IPDM, here are the cooling fan wiring diagrams so you can see how the system works, and I have included the IPDM replacement instructions so you can change it out. Also, we should run the codes to see if any are stored.

https://youtu.be/InIlnsjOVFA?si=sWwsiGnDCi1Jl8Vu

It is easy to install because it self-learns so there is no programming. Check out the images (below). Please let us know what happens.
Jun 23, 2024 at 11:20 AM