TCS light stays on?

2012 RAM 1500
80,000 MILES • 5.7L • V8 • 2WD • AUTOMATIC
Avatar
TANCHI13
  • MEMBER
  • 2 POSTS
the TCS light in lower right corner of ip came on and stays on?
Aug 29, 2022 at 4:57 PM
Advertisement
Avatar
STRAILER
  • CERTIFIED EXPERT
  • 53,854 POSTS
This is telling you there is a problem with one of the sensors or controllers for the traction control system. You will need to do a CAN scan with is easy to do. You can get a CAN scanner from Amazon for about $30.00.

Here is a video to show you how:
https://youtu.be/u-4syLc-ifQ

Here is a scanner link:

https://amzn.to/3o41KcZ

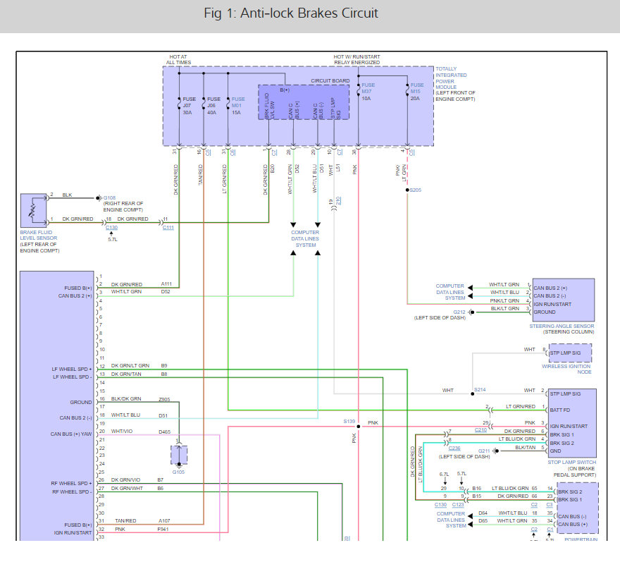
It will probably be one of the front bearing hubs that is bad, can you hear a rumbling noise from the front when you drive? If one of the hubs is bad, here is how you will change it out. What happens is the bearing hob can stay true to the ABS or wheel speed sensor and the computer notices this. Check out the diagrams (below). Please let us know what you find.
Aug 30, 2022 at 10:05 AM
Avatar
TANCHI13
  • MEMBER
  • 2 POSTS
There is a code of c121d. I have changed the ABS control module, I've bled the brakes. The scan tool only shows this 1 code and nothing else.
Aug 30, 2022 at 12:38 PM
Advertisement
Avatar
STRAILER
  • CERTIFIED EXPERT
  • 53,854 POSTS
The code C121D is the Brake pressure sensor circuit out of range. They say it is an ABS module problem. So, let's check the power feed and grounds of the module.

Here is a guide and the ABS module wiring diagrams so you can see how the system works and which wires to test:

https://www.2carpros.com/articles/how-to-check-wiring

I did notice the ABS is powered by the TIPM which Ram trucks had a problem with. here is how to replace that was well which is easy because it self-initiates. Check out the diagrams (below). Please let us know what you find.
Aug 31, 2022 at 11:27 AM
Avatar
TANCHI13
  • MEMBER
  • 2 POSTS
That was not the problem. the problem was the master cylinder.
Sep 16, 2022 at 1:09 PM
Avatar
STRAILER
  • CERTIFIED EXPERT
  • 53,854 POSTS
Thanks for getting back to me. Nice work, we are here to help, please use 2CarPros anytime.
Sep 16, 2022 at 1:10 PM