TCM Wiring Diagram?

2011 FORD F-650
155,787 MILES • TURBO • 2WD • AUTOMATIC
Avatar
PCONSTANTINE
  • MEMBER
  • 4 POSTS
The new transmission control module is not letting the truck start because it thinks it is in gear, I need a TCM Wiring Diagram.
Mar 2, 2026 at 7:18 AM
Advertisement
Avatar
STRAILER
  • CERTIFIED EXPERT
  • 53,854 POSTS
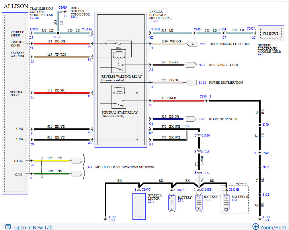
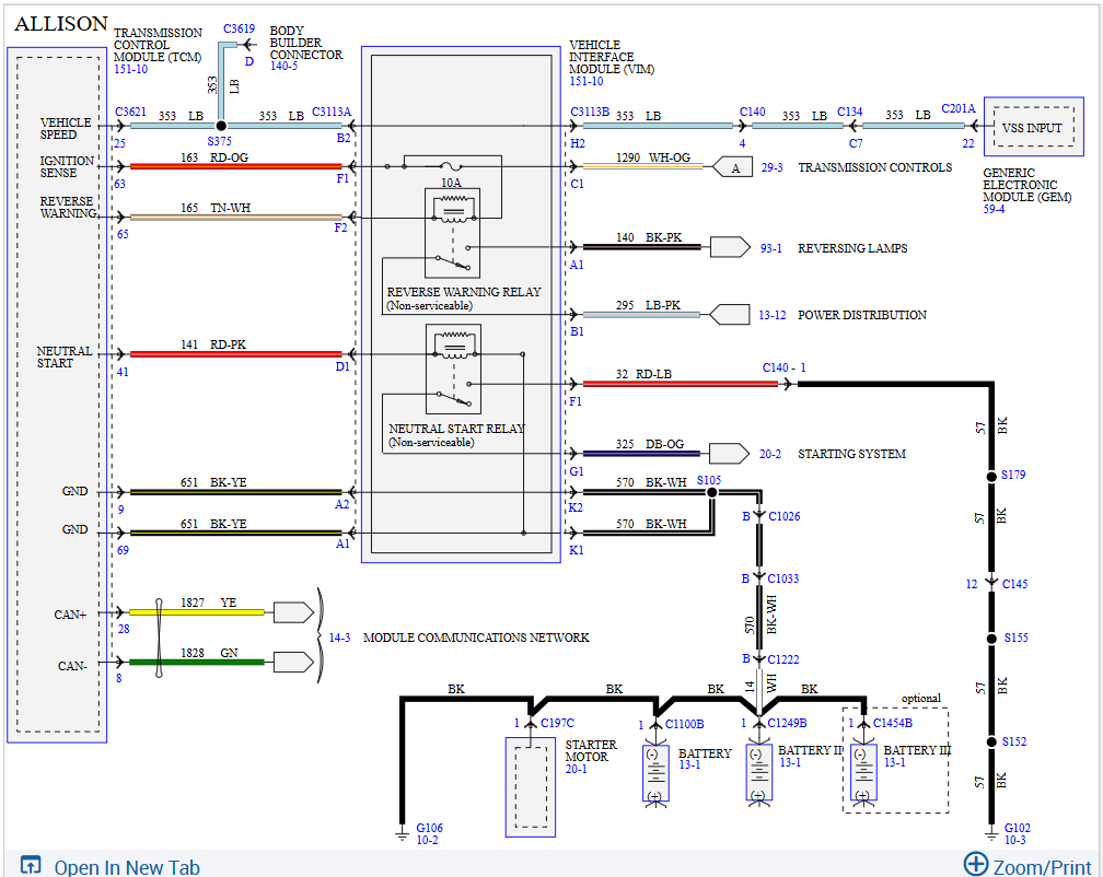
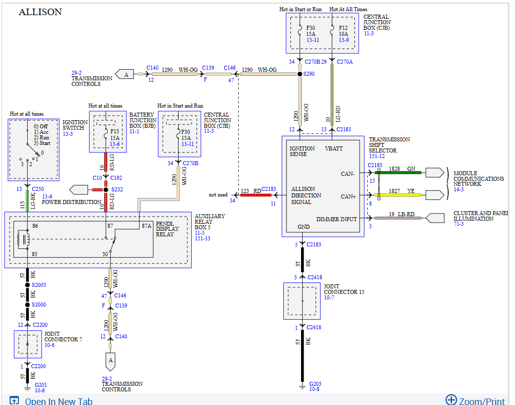
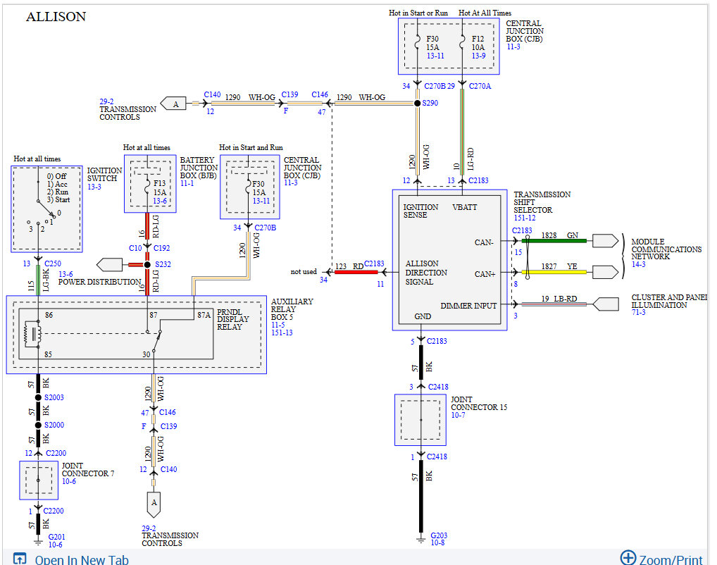
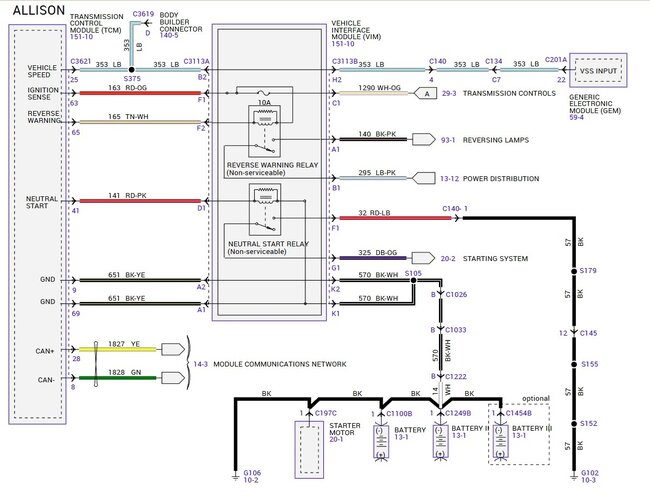
Usually this will be a transmission shift selector that is going out FYI. Here are the wiring diagrams for the TCM as requested, pleas let me know what you find, Check out the images (below). Ken
Mar 3, 2026 at 9:46 AM
Avatar
PCONSTANTINE
  • MEMBER
  • 4 POSTS
I need a wiring diagram for the vehicle interface module for the truck listed.
Mar 6, 2026 at 9:09 AM (Merged)
Advertisement
Avatar
STEVE W.
  • CERTIFIED EXPERT
  • 15,113 POSTS
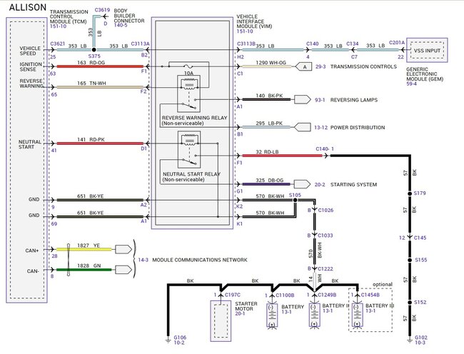
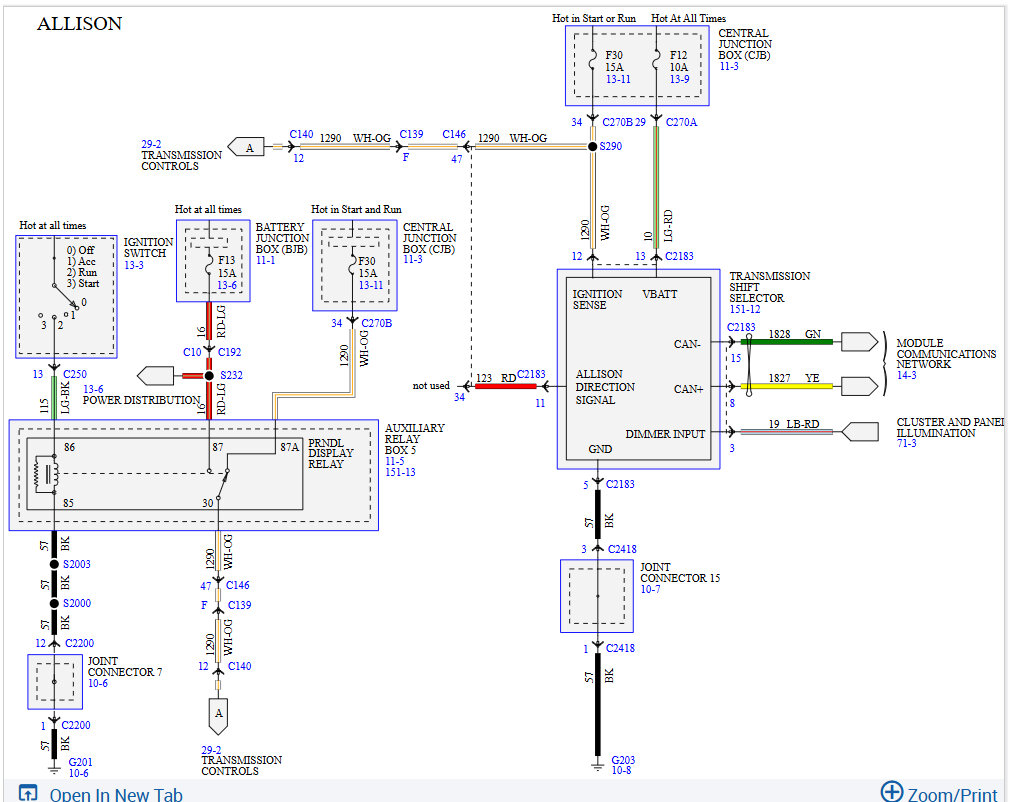
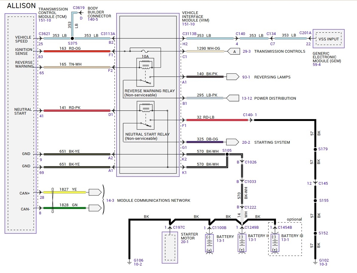
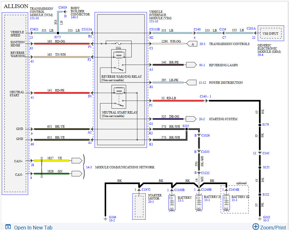
The VIM on that truck is really just a relay box. Most of the wiring just passes through. Attached are the wiring and the connector views for it. The relays are soldered to the board but you can replace them with external relays for the neutral start and back-up lights if the module has failed.
Mar 6, 2026 at 9:09 AM (Merged)
Avatar
PCONSTANTINE
  • MEMBER
  • 4 POSTS
I need a transmission control module pin-out.
Mar 6, 2026 at 9:09 AM (Merged)
Avatar
STRAILER
  • CERTIFIED EXPERT
  • 53,854 POSTS
Is there something we are missing here? This is all the information we have. Ken
Mar 6, 2026 at 9:11 AM
Avatar
PCONSTANTINE
  • MEMBER
  • 4 POSTS
Do you have a pin out diagram for the connector that goes into the side of the transmission?
Mar 10, 2026 at 8:33 AM (Merged)
Avatar
STRAILER
  • CERTIFIED EXPERT
  • 53,854 POSTS
The is all the information we have. Ken
Mar 10, 2026 at 8:34 AM