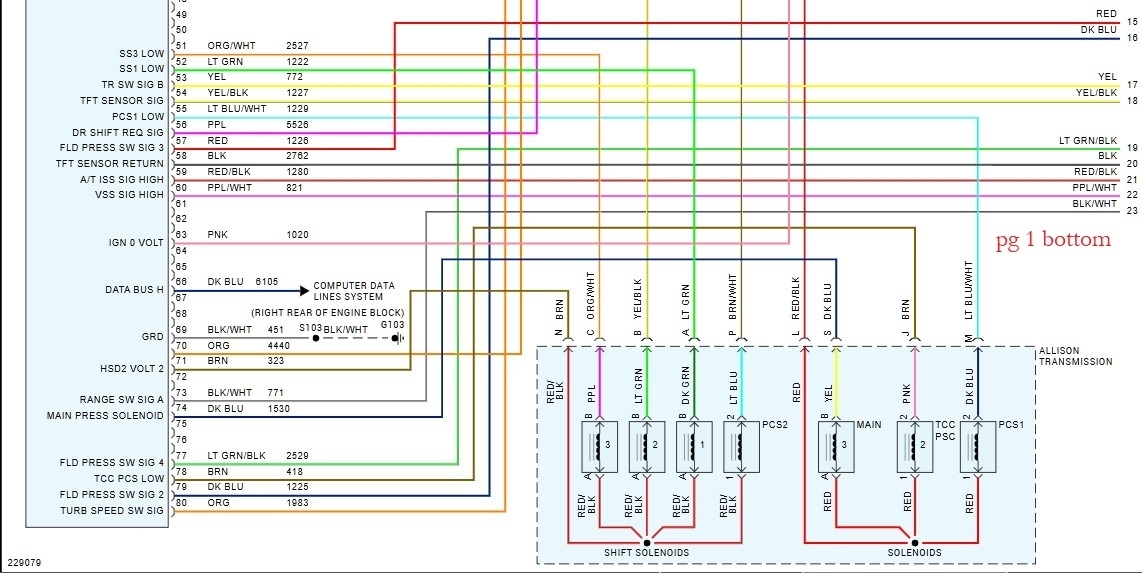
hi I'm looking for a TCM to trans pinout/diagram. the truck is a 2006 Silverado 3500 cab and chassis Duramax with the Allison 6 speed. the harness got torn up and there's a couple of wires in there that are the same colors. thank you
Feb 18, 2026 at 2:04 PM










