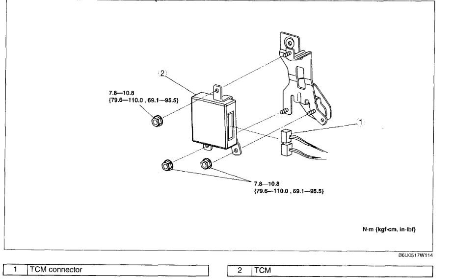
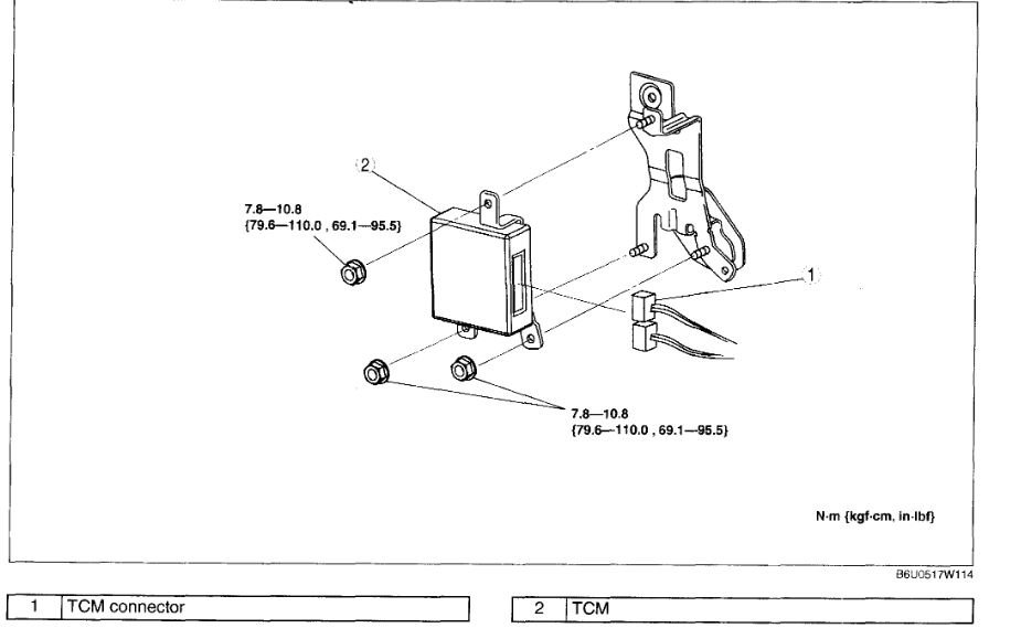
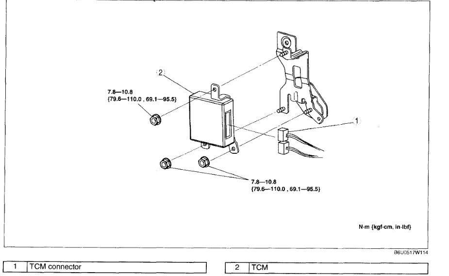
I am trying to locate the TCM which apparently is located on the transmission on the V6 model. Hoping a diagram will show me if it's underneath and easily accessible below the car or if the transmission needs to be torn out first to get to it?
Jan 18, 2019 at 3:13 PM


