My Malibu feels like it doesnt want to go in gear when drving. Once i do get it in and out of 1st gear she drives fine, that is until I have to come to a stop or drive up a hill. My OBD II is popping the codes listed in the attatched image. Service ESQ message is also displyed on the dash. Ive checked all fuses they were all good.
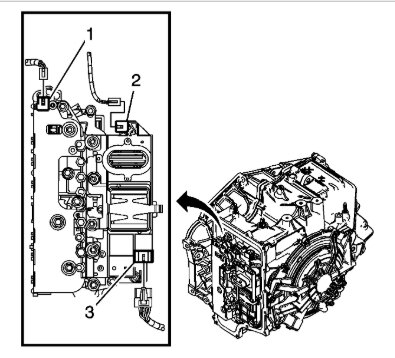
Im hoping I can check the wiring and connectors in the TCM before spemding a few hundred replacing it.
However, I cant find any tutorials for my year, make and model. Can anyone tell me where the TCM is located? Any diagrams would be a plus.
Side note; it is a 6 speed.
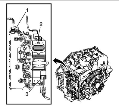
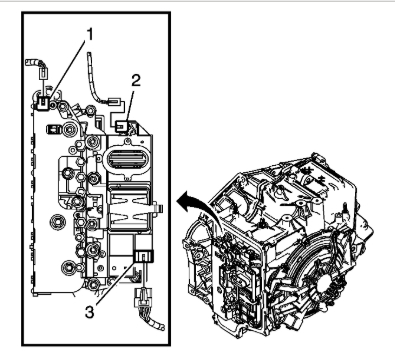
Im hoping I can check the wiring and connectors in the TCM before spemding a few hundred replacing it.
However, I cant find any tutorials for my year, make and model. Can anyone tell me where the TCM is located? Any diagrams would be a plus.
Side note; it is a 6 speed.
Aug 20, 2025 at 9:07 PM

