T.c.m

2000 DODGE DURANGO
214,000 MILES • 4.7L • V8 • 4WD • AUTOMATIC
Avatar
TGAROU47
  • MEMBER
  • 5 POSTS
Need wireing diagram for the connector
May 14, 2021 at 8:10 PM
Advertisement
Avatar
JACOBANDNICKOLAS
  • CERTIFIED EXPERT
  • 110,175 POSTS
Hi,

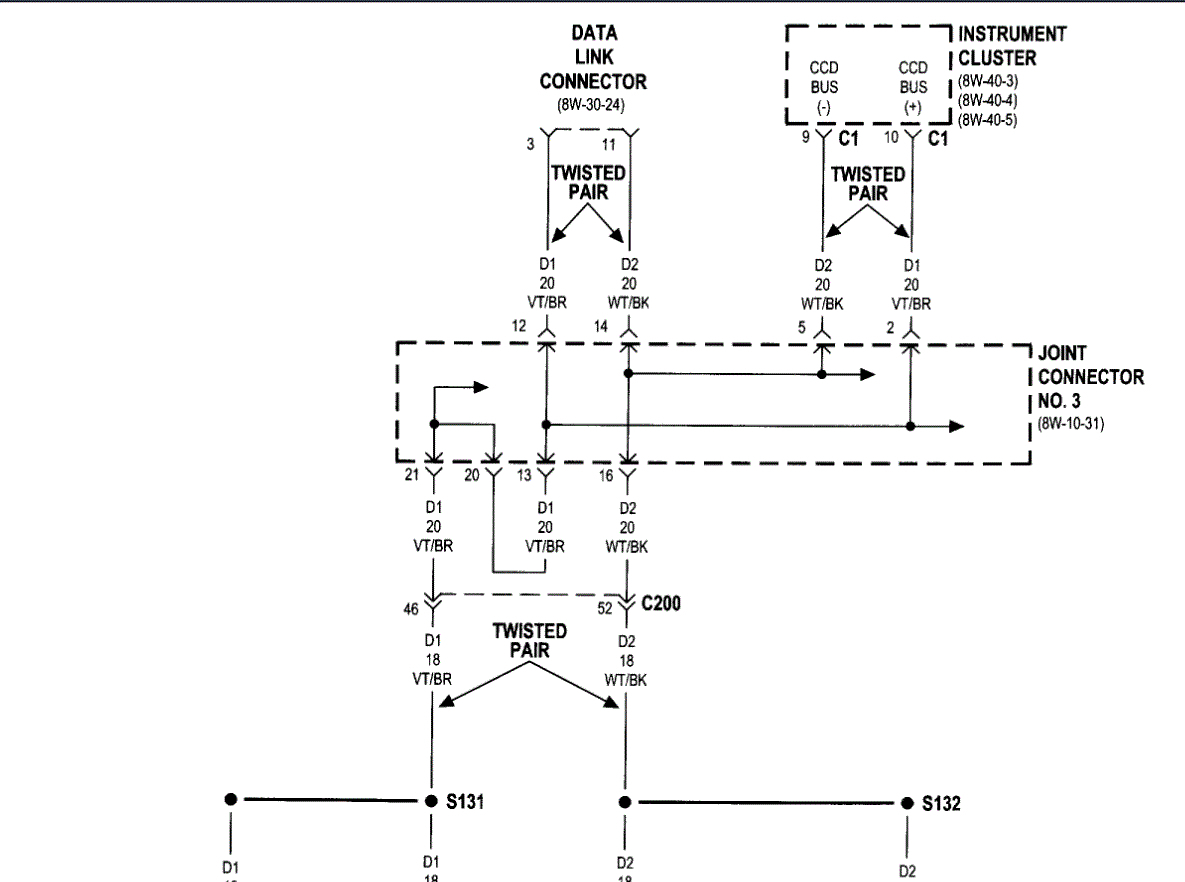
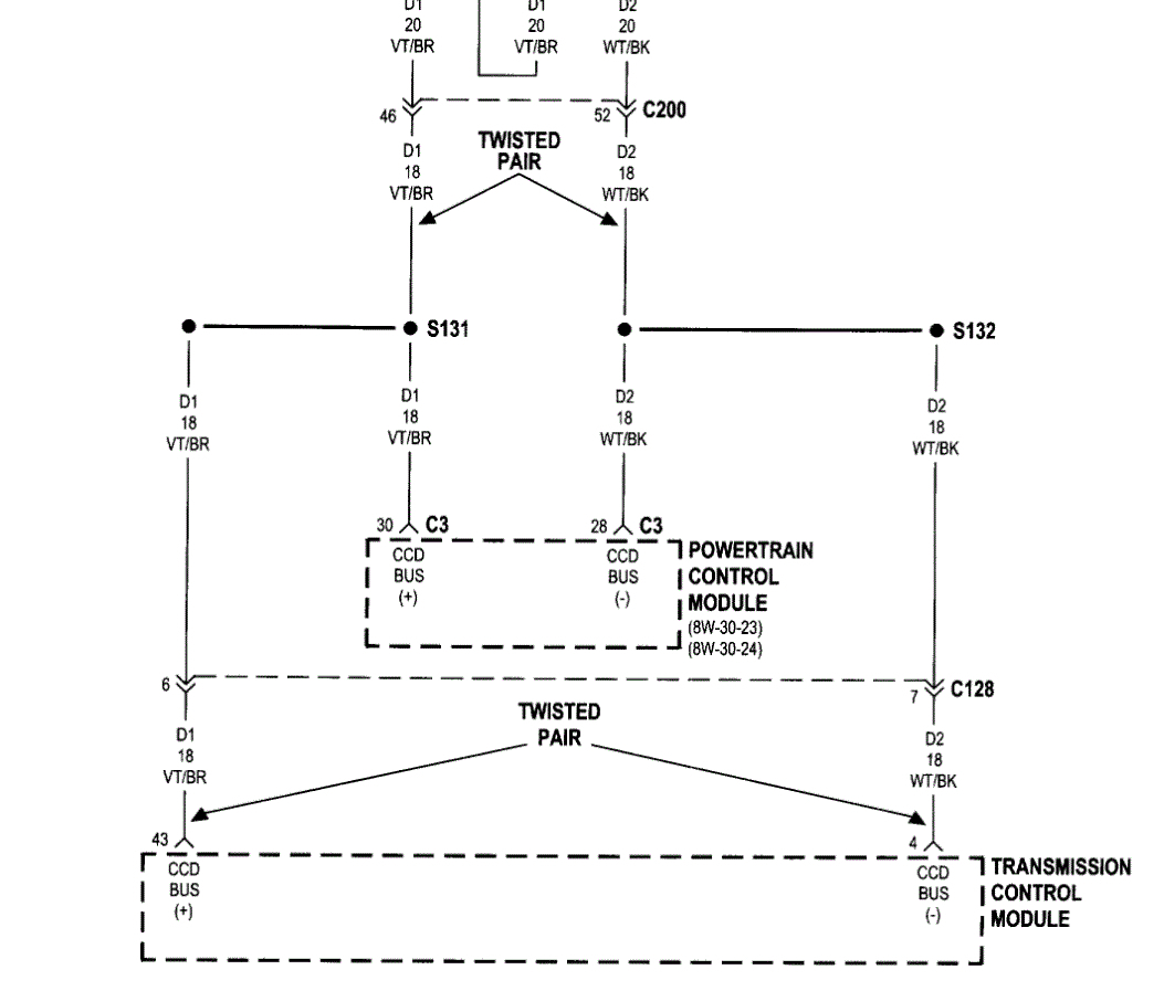
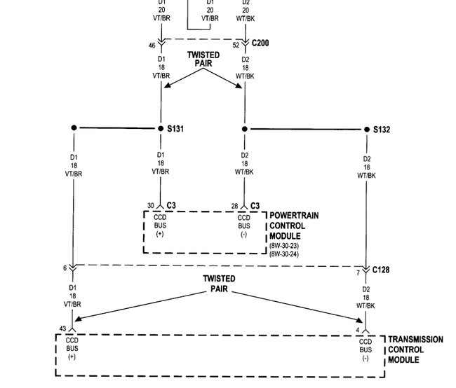
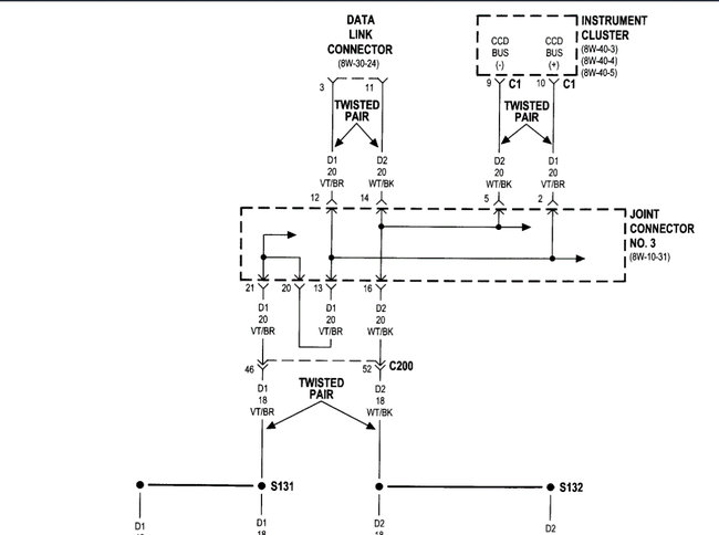
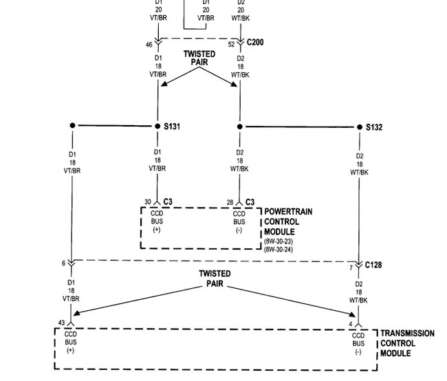
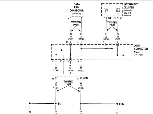
If you look below, I attached several pics. The first 4 are the AT circuit which includes the TCM. The remaining pics are the manufacturer's schematics. They have it broken down further.

I had to cut each page (picture) in half to make them readable. So, every two pics are one page from the manual. I did overlap them so you can follow from one to the next.

Here is a link you may find helpful:

https://www.2carpros.com/articles/how-to-check-wiring

I hope this helps. Let me know if you have other questions.

Take care,

Joe

See pics below.
May 15, 2021 at 10:51 PM