Where is the transmission control module located on my car (convertible)? Is there a picture pointing to it?
Jan 30, 2019 at 5:17 PM
Advertisement
ASEMASTER6371
CERTIFIED EXPERT
52,796 POSTS
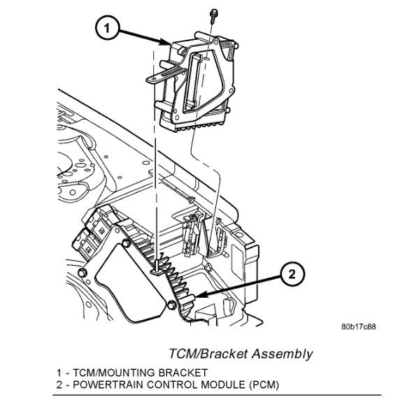
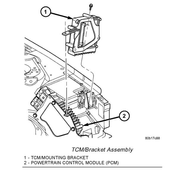
The TCM is out by the right headlight on some looks at the diagrams below. Check out the diagrams (Below). Please let us know if you need anything else to get the problem fixed.
Images (Click to enlarge)
Jan 30, 2019 at 5:41 PM
JREICHARDT
MEMBER
3 POSTS
Thanks. The car I'm looking at has front end damage, and the TCM is not there, and there is no lose harness. This picture looks a lot like my 2002 though. If you are sure this is a picture from a 2004 then I'm at a loss? Thanks
Jan 31, 2019 at 5:49 AM
Advertisement
ASEMASTER6371
CERTIFIED EXPERT
52,796 POSTS
Yes. That is directly from Alldata.
Roy
Jan 31, 2019 at 8:38 PM
JREICHARDT
MEMBER
3 POSTS
Thanks Roy - I appreciate it.
Feb 1, 2019 at 5:09 AM
ASEMASTER6371
CERTIFIED EXPERT
52,796 POSTS
You are welcome.
Roy
Feb 1, 2019 at 5:30 AM
PINKMONEY7882
MEMBER
1 POST
what can make the transmission go into limp home mode? i have already replaced the tcm.
Aug 11, 2020 at 4:36 PM
(Merged)
LOUISL
MEMBER
4 POSTS
I had this problem and had to replace the pressure control solenoid.