How to remove and replace the horn relay?

2009 INFINITI G37
231,909 MILES • V6 • 2WD • AUTOMATIC
Avatar
JON SIMMONS
  • MEMBER
  • 1 POST
I am trying to find out how do you properly remove the old horn relay and install the new horn relay.
Nov 1, 2022 at 9:41 AM
Advertisement
Avatar
STRAILER
  • CERTIFIED EXPERT
  • 53,854 POSTS
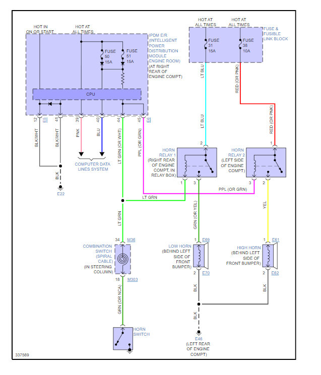
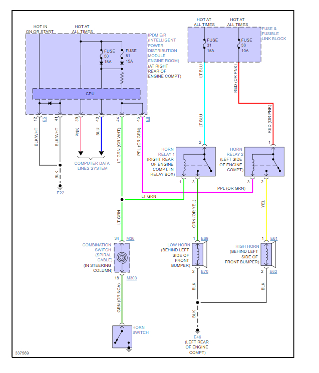
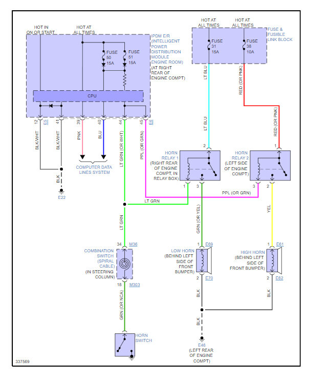
There are two horn relays both are under the hood, one on the right side inside the relay box and the other on the left side out on its own. Here are the horn system wiring diagrams so you can see how the system works. Check out the images (below). Please let us know if you need anything else to get the problem fixed.
Nov 1, 2022 at 10:56 AM
Avatar
JON SIMMONS
  • MEMBER
  • 1 POST
I asked how do you remove the horn relay and install the new one?
Nov 3, 2022 at 1:49 PM
Advertisement
Avatar
STRAILER
  • CERTIFIED EXPERT
  • 53,854 POSTS
You pull the relay straight up and out of the panel. There are no screws or bolts holding it in. Make sure the connectors are not melted.
Nov 3, 2022 at 1:51 PM
Avatar
JON SIMMONS
  • MEMBER
  • 1 POST
When I try pulling out the horn relay to second horn starts blowing, so what do I need to do?
Nov 5, 2022 at 10:45 AM
Avatar
STRAILER
  • CERTIFIED EXPERT
  • 53,854 POSTS
Let's start by checking the fuses because the IPDM controls the horn operation, and it can be having a feedback issue. Please check fuse # 50 and #51 in the fuse panel in the right rear of the engine compartment and fuse #31 and 38 in the fuse link box.

Here is a guide to help and I have included the horn wiring diagram so you can see how the system works:

https://www.2carpros.com/articles/how-to-check-a-car-fuse

Check out the images (below). Please let us know what you find.
Nov 5, 2022 at 10:51 AM
Avatar
JON SIMMONS
  • MEMBER
  • 1 POST
I checked both of the fuses # 50 and # 51 and they were good, so again I need help removing and installing the horn relay on my car listed above, Sedan.
Nov 12, 2022 at 10:22 AM
Avatar
STRAILER
  • CERTIFIED EXPERT
  • 53,854 POSTS
Okay, can you upload a picture of the relay because they should just pull straight out. There are two of them so pull them both out.
Nov 14, 2022 at 9:51 AM