Taillights and turn signals not working

1997 CHEVROLET CAVALIER
216,000 MILES • 2.4L • 4 CYL • 2WD • MANUAL
Avatar
DAVID MILLER4
  • MEMBER
  • 6 POSTS
I recently did the front end conversion from a 1998 Pontiac Sunfire. I changed the headlight pigtails from the car listed above to the Sunfire, 4 wires to three. when I wired it up everything worked for about two minutes. now all I have is running lights all around. Have changed brake switch, multi switch and relay. tested all fuses as well, problem still persists.
Dec 22, 2020 at 8:27 AM
Advertisement
Avatar
JACOBANDNICKOLAS
  • CERTIFIED EXPERT
  • 110,175 POSTS
Hi,

If I understand, you used the wiring harness from the Pontiac and modified it to work on the cavalier. Is that correct?

Please understand that not being there is going to be difficult for me because I don't see what has actually been done, but I am going to try to help the best I can.

Now, if the fuses and switches are good, what really needs to be done is to see where power is lost. For example, is there power to the brake light switch? Also, is there power to the headlamps or to the new multi-function switch?

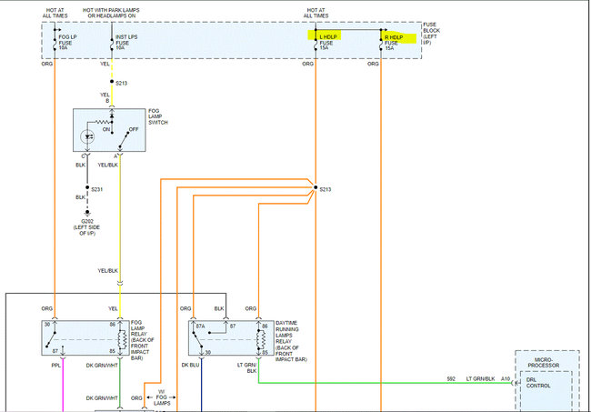
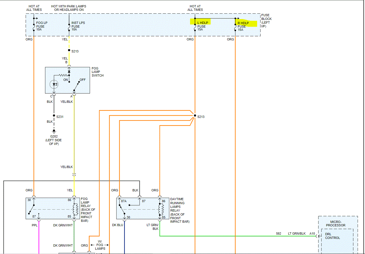
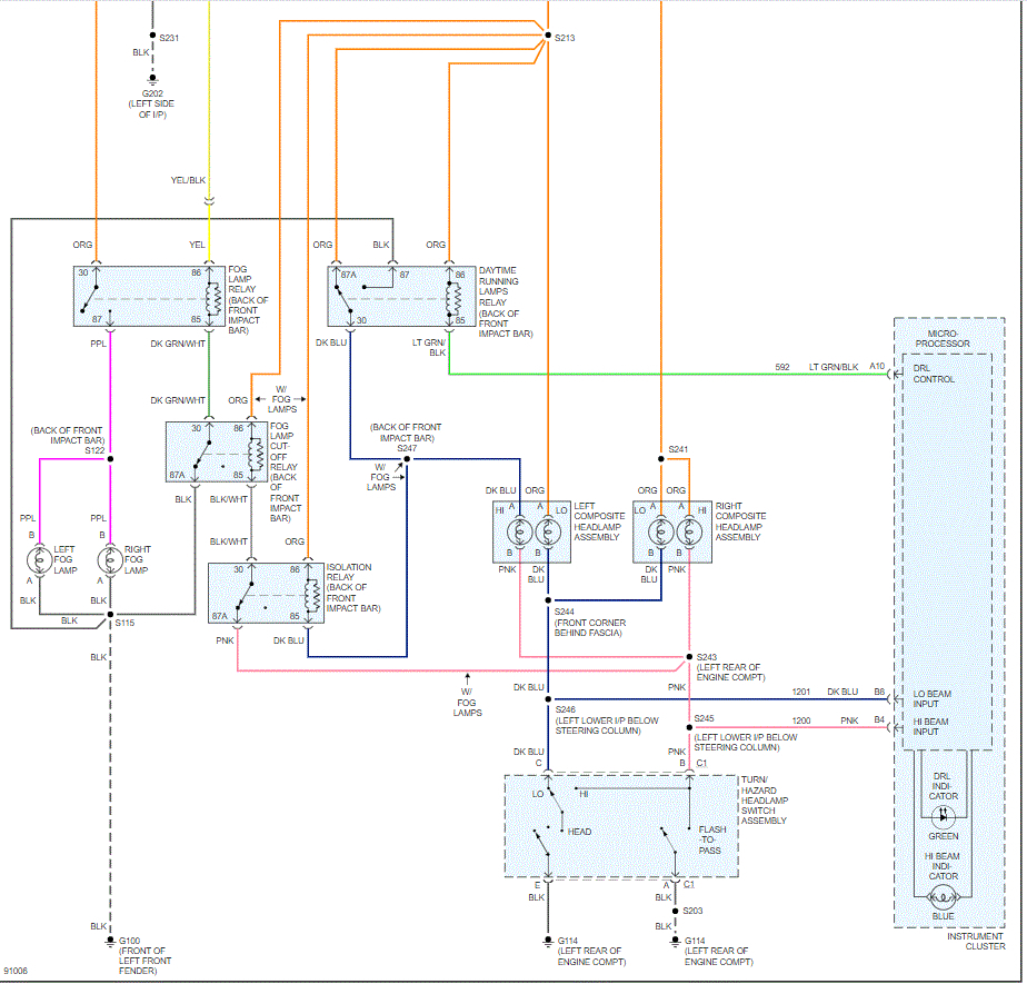
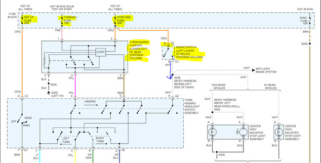
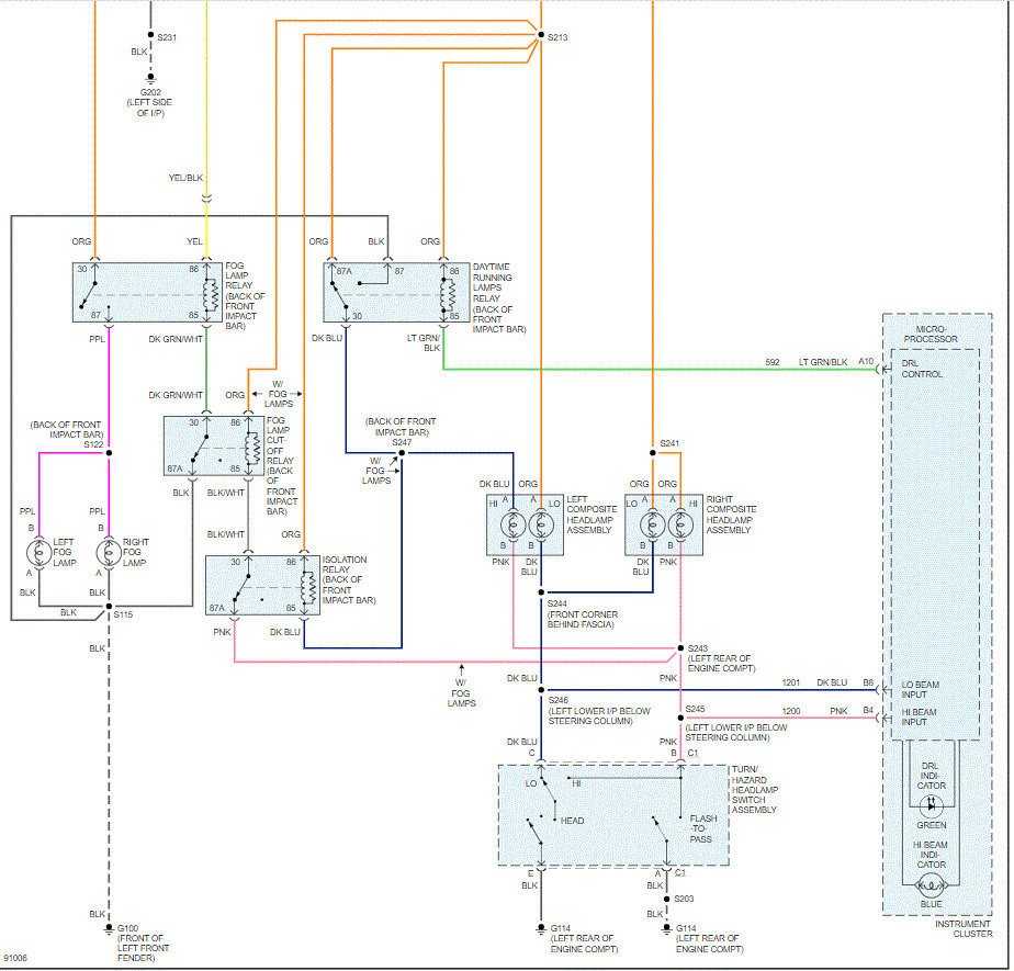
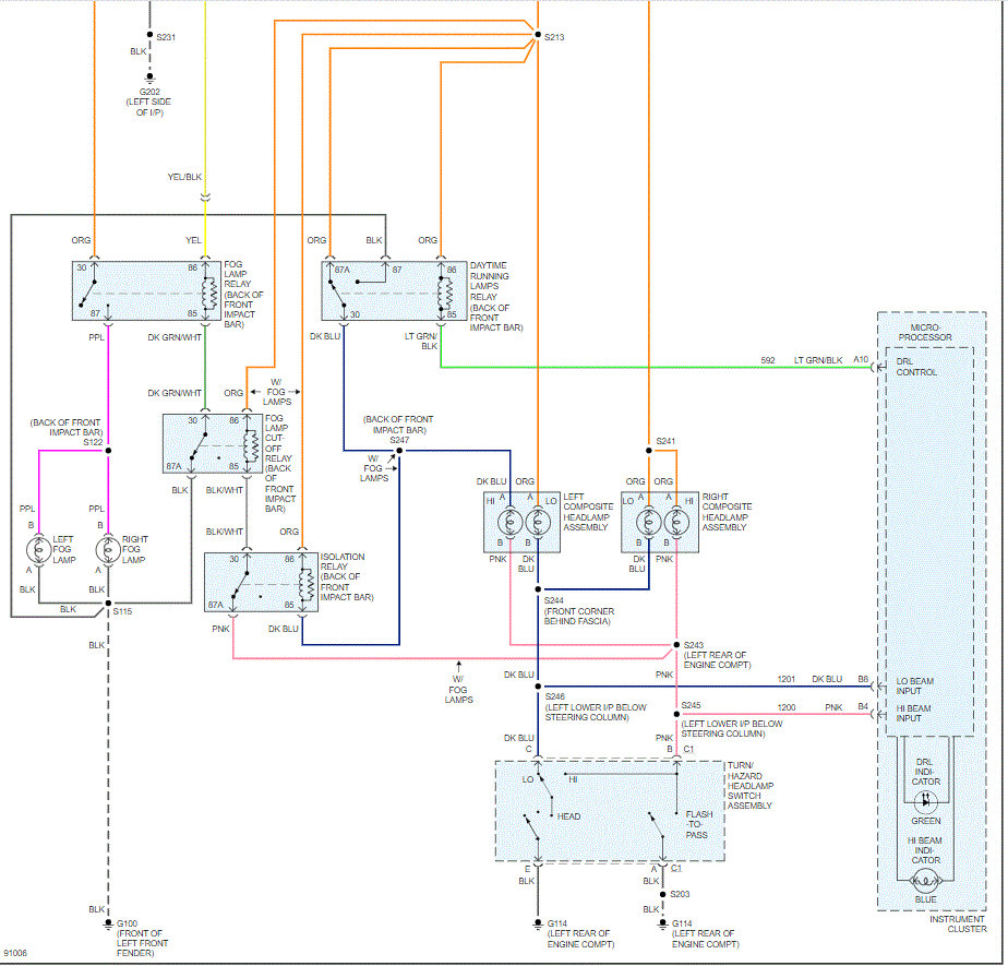
I am going to provide the wiring schematics for the 97 Cavalier for your reference. The first two pics are for the exterior lighting (not headlamps). I highlighted fuses. Make sure not only the fuses are good but make sure they have power to them.

https://www.2carpros.com/articles/how-to-check-a-car-fuse

Also, check for power to the logic module, the brake light switch, and the multi-function switch.

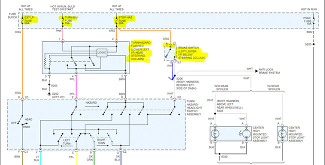
Next, I attached the schematic for the headlamps. Make sure both fuses are good and there is power to the switch.

I had to cut the pics in two to make them readable. I did overlap them so you could follow them.

Here is a link you may find helpful:

https://www.2carpros.com/articles/how-to-check-wiring

Let me know what you find or if you have other questions.

Take care,
Joe
Dec 22, 2020 at 7:35 PM
Avatar
DAVID MILLER4
  • MEMBER
  • 6 POSTS
Hey Joe, I just want to first start off by saying thank you very much for taking the time to do what you did for me it put me in the right direction. now here's where I'm at:
so I got a new brake switch put it in also another relay but I did as you said check the power both at the relay and the brake switch connector there's no power to either one of them. so what's the problem man? I'm super curious and I really want to drive my car. thanks again man please get back to me ASAP.
Dec 23, 2020 at 1:51 PM
Advertisement
Avatar
JACOBANDNICKOLAS
  • CERTIFIED EXPERT
  • 110,175 POSTS
Hi,

Is there power at the fuse (stop/hazard)? If there is no power at the switch, backtrack to the fuse. See pic 1. If there is power there and the fuse is good, we have an open circuit between the two points.

Let me know. Hang in there. Wiring can be a nightmare. LOL

Joe
Dec 23, 2020 at 11:33 PM
Avatar
DAVID MILLER4
  • MEMBER
  • 6 POSTS
Thank you again for your help. here it is as I see it and I know it at the end of the day all fuses relays switches wired everything checked and/or replaced as answer your question; no, there is no power at the relay or the brake switch also no power at the fuse.
Dec 24, 2020 at 2:49 AM
Avatar
DAVID MILLER4
  • MEMBER
  • 6 POSTS
Joe, so all I can figure is that's left is either a ground issue, or the flasher relay? I had noticed last night though that when I first start her up the daytime running light sign in the dash flashes along with my fog lights for like 3 seconds? Eagerly awaiting your response.
Dec 24, 2020 at 1:27 PM
Avatar
JACOBANDNICKOLAS
  • CERTIFIED EXPERT
  • 110,175 POSTS
Hi,

If there is no power to the fuse, we need to backtrack to see where it's lost. Ok, hang in there. If there is no power, that is why they aren't working. You confirmed there is no power to the fuse I showed above. Now, we go back further to the fuse box under the hood. If you look at the attached pic, it shows where the power comes from. Check that fuse next. If it has power, there is a break between the two. If there is no power, then we have an issue with the fuse box under the hood.

Let me know what you find. Don't worry, we'll get it figured out together.

Take care and I hope you have a good Christmas.
Joe
Dec 24, 2020 at 8:54 PM
Avatar
DAVID MILLER4
  • MEMBER
  • 6 POSTS
I have power to the fuse block,but still nothing to the relay or brake switch?
Dec 26, 2020 at 11:03 AM
Avatar
JACOBANDNICKOLAS
  • CERTIFIED EXPERT
  • 110,175 POSTS
If there is power at the fuse block, there has to be a broken wire between the fuse and the switch. Are you able to trace the wiring to check for an open circuit (broken wire)?

Joe
Dec 26, 2020 at 9:38 PM
Avatar
DAVID MILLER4
  • MEMBER
  • 6 POSTS
That's the next step. so, what if there was not power at the fuse block from relay and brake switch?
Dec 26, 2020 at 11:02 PM
Avatar
JACOBANDNICKOLAS
  • CERTIFIED EXPERT
  • 110,175 POSTS
Power comes from the battery to battery fuse 2 (40 amp) in the underhood fuse box. From there it is distributed to stop/hazard fuse in the vehicle. From that point, constant power goes to the brake light switch. So, if there isn't power at the switch, we have to work backwards to see where it's lost. If there is no power at the stop/haz fuse, then check the battery fuse #2 in the underhood fuse box. If there is power in an out from that fuse, there has to be a broken wire between the two or at least there has to be something preventing power from getting there. If there is no power under the hood battery fuses, chances are the fuse box is bad. I added a pic below and the arrows show the power flow direction. We need to find where (in those wires) there is an open circuit.

Let me know. Don't worry, we'll figure it out together.

Take care and I hope you had a good Christmas.

I will watch for your reply. Also, I'm not sure what you are referring to when you say brake relay. Let me know.

Joe
Dec 27, 2020 at 9:07 PM