Taillights fuse repeatedly blows

2003 MAZDA 6
150,000 MILES • 2.3L • 4 CYL • 2WD • AUTOMATIC
Avatar
NOAH WILLIAM ADKINS
  • MEMBER
  • 1 POST
Taillights for blowing fuse immediately and repeatedly.
May 26, 2022 at 6:05 PM
Advertisement
Avatar
STRAILER
  • CERTIFIED EXPERT
  • 53,854 POSTS
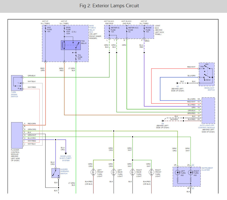
I would start by checking the taillights themselves. Sometimes the bulbs can have a short when the bulb contacts melt and touch ground. Please remove the bulbs to see what they look like this guide can help you.

https://www.2carpros.com/articles/no-tail-lights-exterior-running-lights-tail-lights-out

Here is how you can check for the problem yourself in the diagrams below. Check out the diagrams (below). Please let us know what happens. I also have included the wiring diagrams so you can see how the lighting system works.
May 27, 2022 at 4:39 PM