Taillights stopped working I changed the bulbs and check the fuses

2006 FORD EXPLORER
150,000 MILES • V8 • AUTOMATIC
Avatar
KAT PLAYAS
  • MEMBER
  • 3 POSTS
However, my brake lights work. I changed the bulbs and check the fuses still no taillights.
Jul 24, 2020 at 9:57 PM
Advertisement
Avatar
4DRTOM
  • CERTIFIED EXPERT
  • 467 POSTS
Hello Kat,

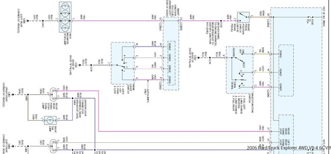
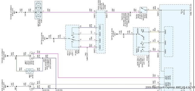
It sounds to me like you could have a bad ground connection. I have uploaded the wiring diagram for that circuit it shows the grounds and there locations. Rotate them in your image program I had to put them sideways to get it to fit at a good readable size. Do you have a test light? If you don't see an obvious broken ground wire we will have to do some tests to isolate which component isn't working properly.

Let me know,

Tom
Jul 25, 2020 at 8:32 PM
Avatar
KAT PLAYAS
  • MEMBER
  • 3 POSTS
Thank you.
Jul 26, 2020 at 6:08 PM
Advertisement
Avatar
4DRTOM
  • CERTIFIED EXPERT
  • 467 POSTS
HI Kat,

Were you able to figure it out?
Let me know,
Tom
Jul 27, 2020 at 9:55 PM
Avatar
KAT PLAYAS
  • MEMBER
  • 3 POSTS
Yes I did, thank you it was a bad ground.
Jul 27, 2020 at 11:38 PM