☰
Login
Join
×
Home
Answered Questions
Repair Topics
Repair & Service Guides
Popular Questions
Warning Lights
Trouble Codes
How It Works
Testing / Diagnostics
Symptoms
Videos
Login
Become a Member
Home
Lincoln
Mark VIII
Exterior Light
Running Light
Wiring
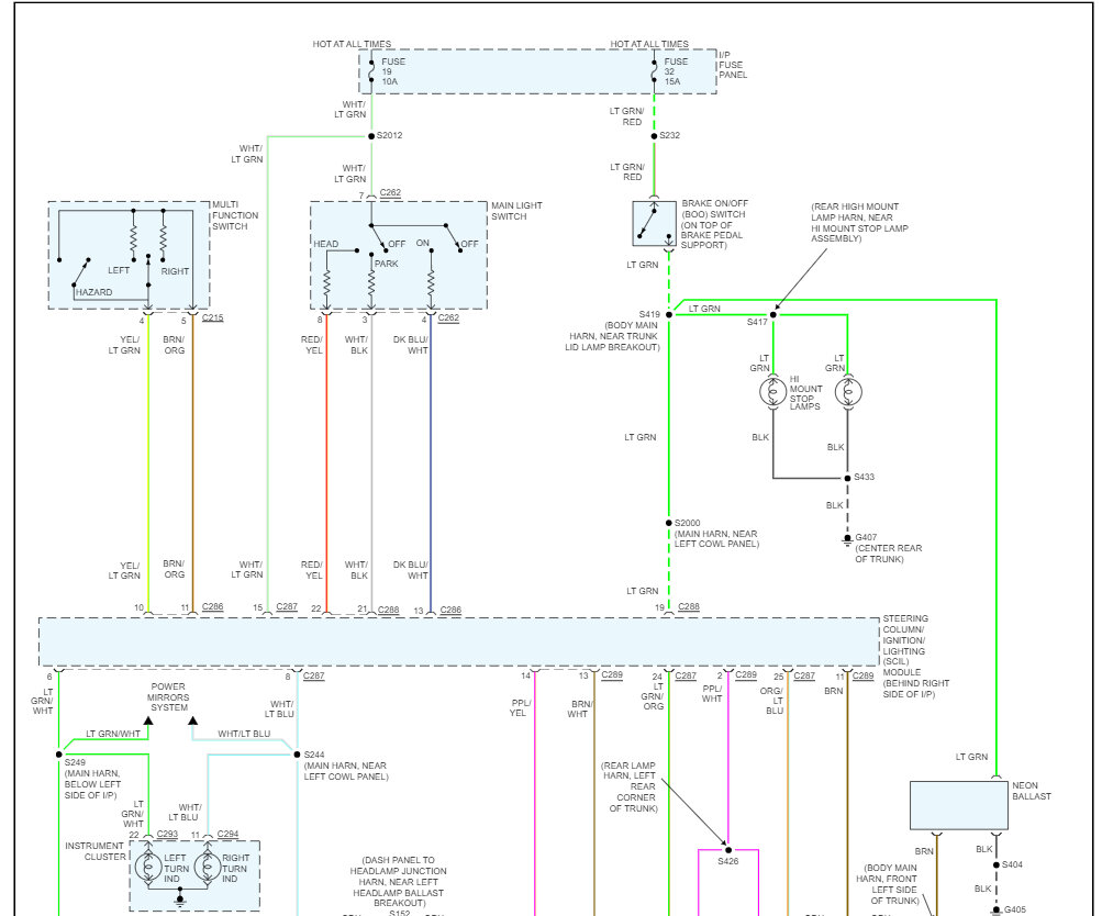
Can I get the Taillight wiring diagram?
1997 LINCOLN MARK VIII
133,000 MILES • 4.6L • V8 • 2WD • AUTOMATIC
LZRDGUY
MEMBER
2 POSTS
FOLLOW
I just need the wiring diagram for the taillights, what colors goes where. Thank you!
Aug 14, 2023 at 12:58 PM
Advertisement
STRAILER
CERTIFIED EXPERT
53,854 POSTS
Here are the taillight wiring diagrams and a guide to help you test the connections:
https://www.2carpros.com/articles/how-to-check-wiring
Check out the images (below). Please let us know if you need anything else to get the problem fixed.
Images (Click to enlarge)
Aug 15, 2023 at 10:00 AM
LZRDGUY
MEMBER
2 POSTS
Thank you very much for the diagram.
Aug 16, 2023 at 10:40 AM
Advertisement
STRAILER
CERTIFIED EXPERT
53,854 POSTS
Use 2CarPros anytime, we are here to help. Please tell a friend.
Aug 16, 2023 at 10:40 AM
LZRDGUY
MEMBER
2 POSTS
Will do, thanks!
Aug 16, 2023 at 3:04 PM