Hi,
This is a confusing one because power from the brake lamp switch is sent to the lights without interruption.
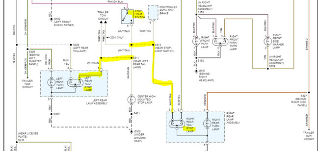
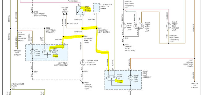
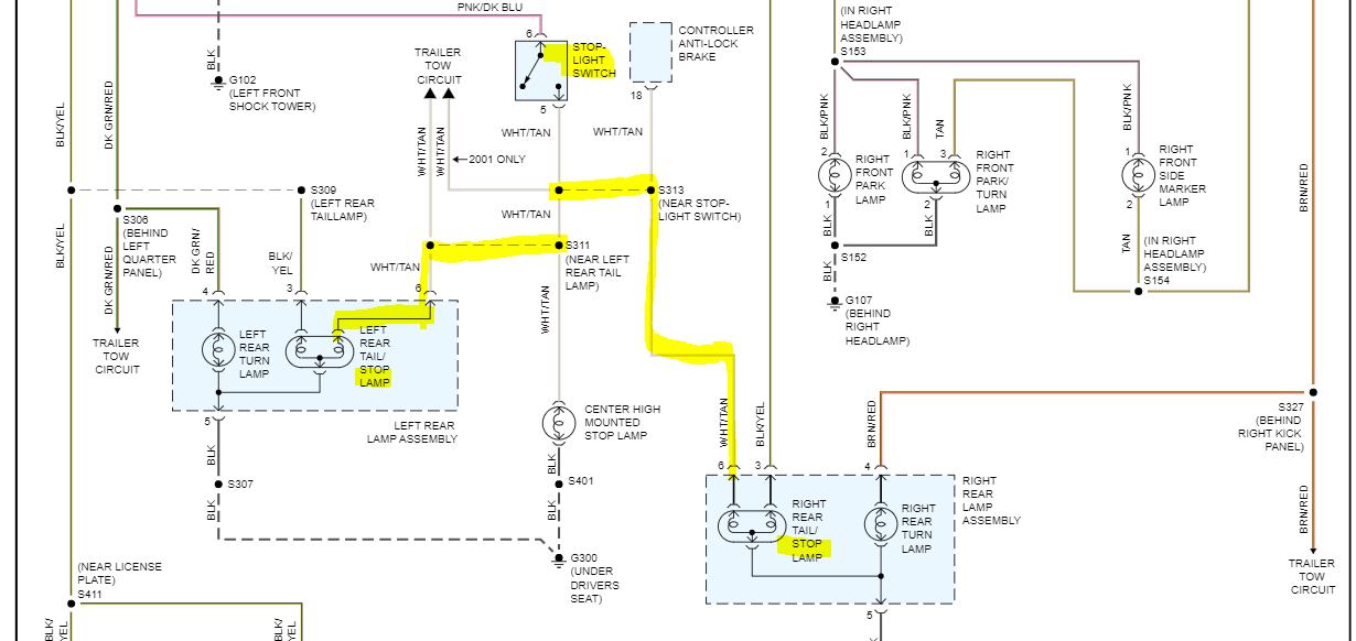
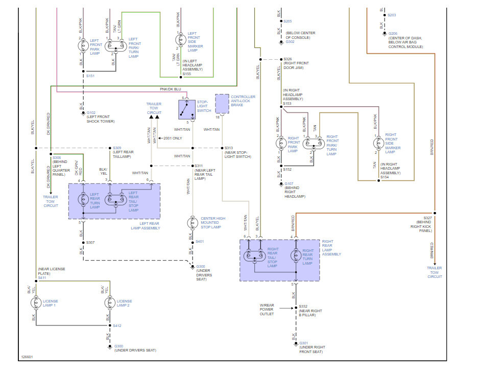
I attached the schematic below for you so we can work out the issue together.
If you look at the schematic, I highlighted the brake lamp switch. I also highlighted the wiring to the brake lamps. Note the dashed line connecting the wiring. That indicates there is a mechanical connection between the two components.
I have a question. Does the center brake lamp work regardless of the headlamps being on or off?
Let me know. Also, I have a feeling we are going to find an issue with the mechanical connectors, but that is a theory at this point.
Let me know your thoughts and about the center high-mount brake lamp. Also, let me know if the vehicle has an OEM trailer wiring harness.
Take care.
Joe
See pic below.
Dec 23, 2022 at 11:51 AM