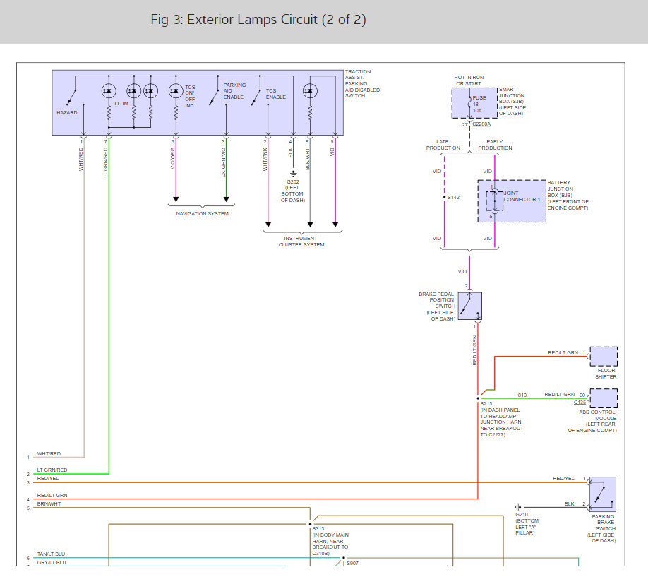
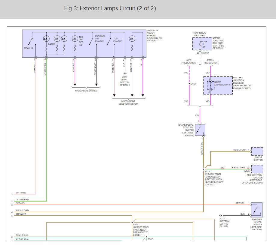
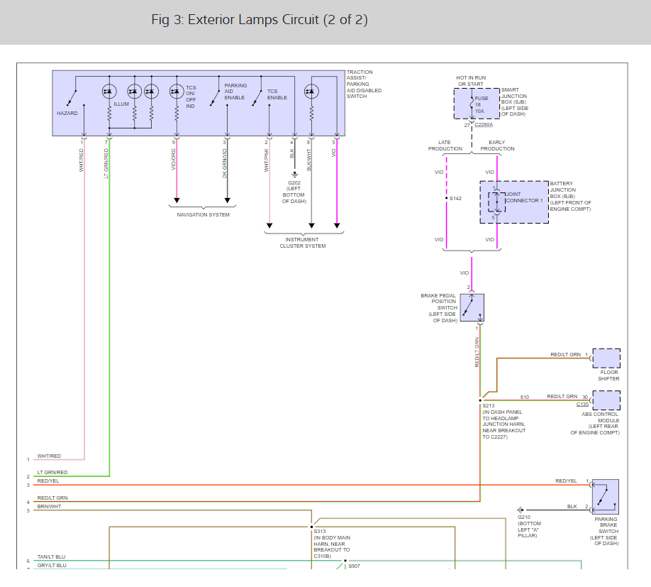
Bad braking and regular taillight mode. Replacement assembly prohibitively expensive (even used). Can the much cheaper five hundred assembly be used or is wire harness different (my car has an LED device)?
Jun 25, 2018 at 7:20 AM










