Tailgate does not latch by tailgate button

2012 MERCEDES BENZ ML350
80,000 MILES • 6 CYL • 4WD • AUTOMATIC
Avatar
CAR2019
  • MEMBER
  • 5 POSTS
i can use my key-less remote to lock the back tailgate. But if I press the tailgate button, I could hear it latched and then released. If I manually close it, it does close but will not latch.
Aug 28, 2019 at 10:16 PM
Advertisement
Avatar
STRAILER
  • CERTIFIED EXPERT
  • 53,854 POSTS
Hello,

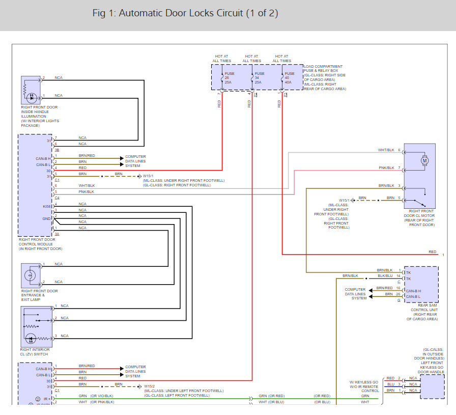
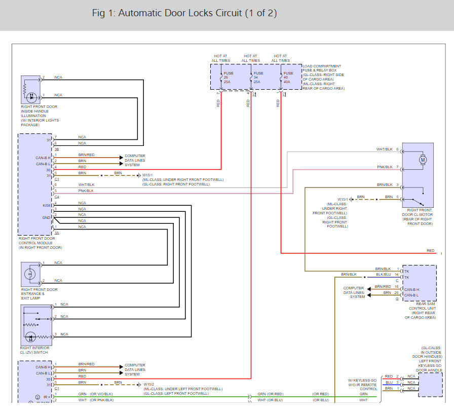
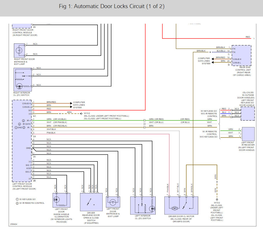
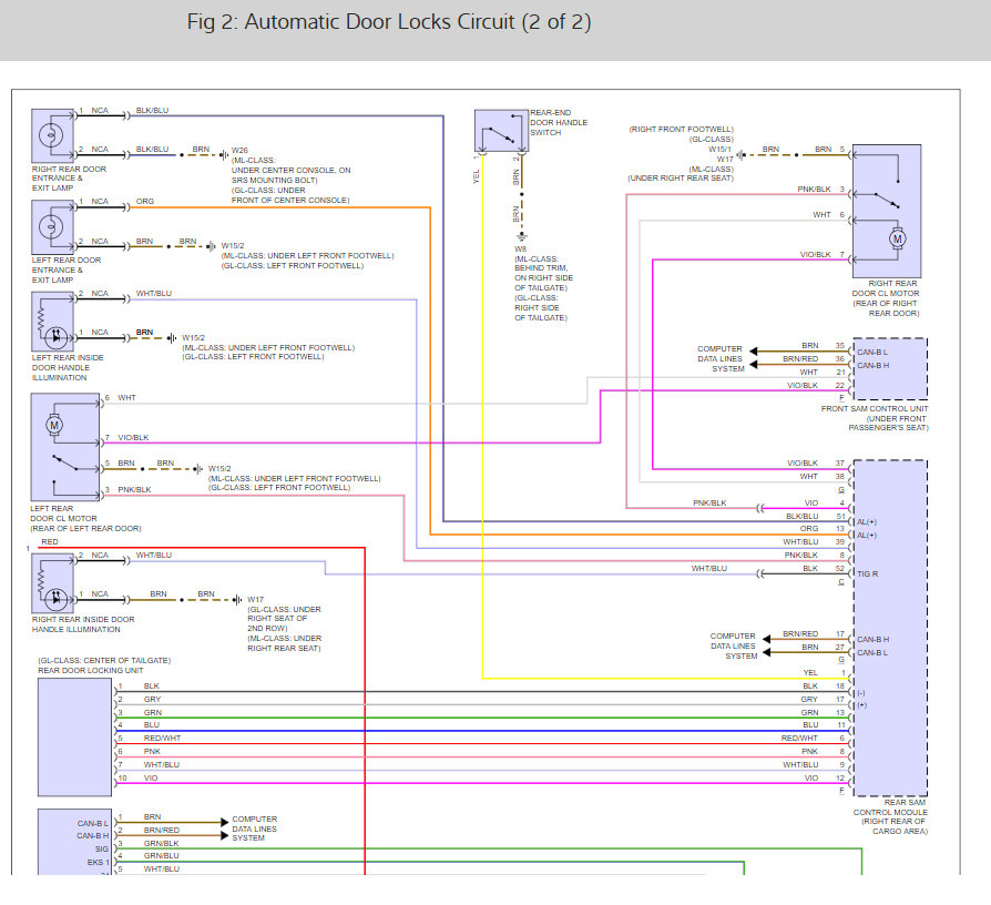
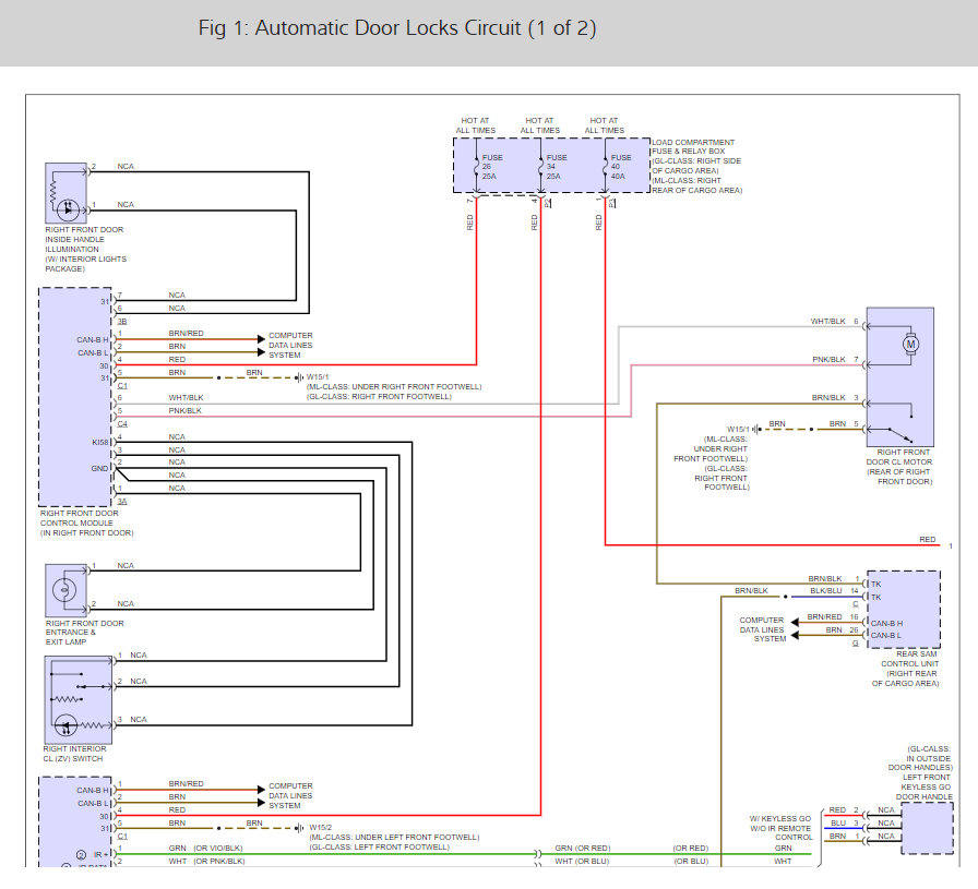
There are 4 fuses that run the system we need to check for power. here is a guide to help you test with the tailgate wiring diagrams so you can see how the system works and which fuses to test. Also I have included the fuse location as well.

https://www.2carpros.com/articles/how-to-check-a-car-fuse

Check out the diagrams (below). Please let us know what you find. We are interested to see what it is.
Aug 31, 2019 at 1:03 PM
Avatar
CAR2019
  • MEMBER
  • 5 POSTS
Thanks for the information. In fact, this car was slightly hit on the rear by another car. Since then the tailgate could not be locked by the lit button. Base on that, do you think the trouble is in the button itself ? if so, what should I do?
Sep 2, 2019 at 11:24 AM
Advertisement
Avatar
STRAILER
  • CERTIFIED EXPERT
  • 53,854 POSTS
That is hard to say. Can you please shoot a quick video with your phone so we can see what's going on? that would be great. You can upload it here with your response.
Sep 3, 2019 at 9:18 AM
Avatar
CAR2019
  • MEMBER
  • 5 POSTS
Here are the pictures of the tailgate. there is no cosmetic damage, except that a piece of small plastic block was broken.
Sep 5, 2019 at 9:56 AM
Avatar
STRAILER
  • CERTIFIED EXPERT
  • 53,854 POSTS
Thanks for the pictures, that is not enough to damage anything so I think we can rule that out. Lets check the fuses and get back to me please.
Sep 5, 2019 at 12:52 PM
Avatar
CAR2019
  • MEMBER
  • 5 POSTS
Thanks Ken. I will try to do it this weekend.
Sep 5, 2019 at 1:06 PM
Avatar
STRAILER
  • CERTIFIED EXPERT
  • 53,854 POSTS
Sounds good.
Sep 5, 2019 at 1:23 PM
Avatar
CAR2019
  • MEMBER
  • 5 POSTS
Hi, Ken: we finally replaced the stop button and the tailgate is in perfect working condition. Thank you very much.
Sep 11, 2019 at 9:51 PM
Avatar
STRAILER
  • CERTIFIED EXPERT
  • 53,854 POSTS
Good to hear, please use 2CarPros anytime we are here to help.
Sep 12, 2019 at 10:11 AM
Avatar
KMCKINNON34
  • MEMBER
  • 1 POST
If I press the tailgate button, use my keyless remote, or manually try to close the back tailgate, it does close but will not latch.
Feb 18, 2021 at 1:34 PM (Merged)
Avatar
STRAILER
  • CERTIFIED EXPERT
  • 53,854 POSTS
Hello,

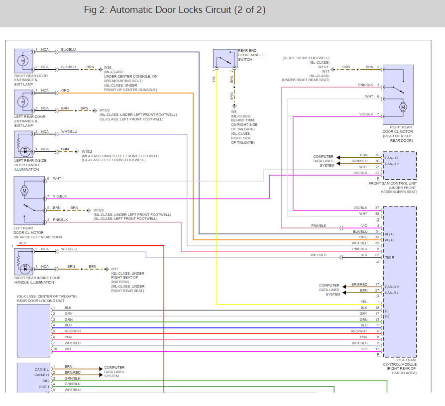
It sounds like the lift gate (rear door) angle sensor is out or not adjuster correctly. What happens is this sensor tells the rear door control module the door is ready to be latched which is not happening. Here is the wiring diagrams for the power door locks and rear door operation so we can see how the system works.

Check out the diagrams (below). Please let us know what you find.

Cheers, Ken
Feb 18, 2021 at 1:34 PM (Merged)
Avatar
EDCPUS
  • MEMBER
  • 1 POST
Thanks for the post. My sensor was broken had to replace it all fixed! I love this site.
Feb 18, 2021 at 1:34 PM (Merged)
Avatar
ANDY SUTEDJA
  • MEMBER
  • 1 POST
I just fixed mine. Just by push the Red Button for 5 second and hear the BEEP and everything back to normal. No need to buy new actuator!
Feb 18, 2021 at 1:34 PM (Merged)
Avatar
STRAILER
  • CERTIFIED EXPERT
  • 53,854 POSTS
Excellent addition to this thread! Please feel free to help out whenever you are on the site :)
Feb 18, 2021 at 1:34 PM (Merged)
Avatar
MISHA PALTIYEVICH
  • MEMBER
  • 2 POSTS
My 2007 ML350 is doing the same thing. I can hear the motor trying to engage the latch, but the latch never hooks. Which “red” button are you talking about Andy? If I press the one on my trunk it starts to close my trunk door so not sure how to hold it for 5 secs...
Feb 18, 2021 at 1:34 PM (Merged)
Avatar
THESANDMAN
  • MEMBER
  • 38 POSTS
Went to open the lift gate on my 2003 Mercedes ML350 and it would not open. When I hit the remote I can hear the actuator movement behind the rear latch and I cannot manually open the lift gate from the inside. So I doubt it is the SAM unit, but more likely a broken latch? How do I get the lift gate open and what would I be looking for?
Feb 18, 2021 at 1:34 PM (Merged)
Avatar
JACOBANDNICKOLAS
  • CERTIFIED EXPERT
  • 110,175 POSTS
You need to remove the interior door panel and check the linkage to the latch itself. Based on your description, it sounds like something has become disconnected. Most likely the linkage between the latch and the actuator.
Feb 18, 2021 at 1:34 PM (Merged)
Avatar
THESANDMAN
  • MEMBER
  • 38 POSTS
You were right. The linkage came unhooked. I found pieces of black plastic laying in the tailgate which I believe may have once been the clip that held the linkage together. I zipped tied the rod loosely to the frame so to assure that the linkage will not come unhooked again, but yet not to tight enough to bind any of the mechanisms. At least that is my goal. :-)

All is working well. Thanks for getting back to quickly.
Feb 18, 2021 at 1:34 PM (Merged)
Avatar
STRAILER
  • CERTIFIED EXPERT
  • 53,854 POSTS
Not sure which red button he is talking about. Can you please shoot a quick video with your phone so we can see what's going on? that would be great. You can upload it here with your response.
Feb 18, 2021 at 1:34 PM (Merged)
Avatar
JACOBANDNICKOLAS
  • CERTIFIED EXPERT
  • 110,175 POSTS
I am glad you got it fixed. Let us know if you have questions in the future.

Joe
Feb 18, 2021 at 1:34 PM (Merged)
Avatar
DPTRAN
  • MEMBER
  • 6 POSTS
my ML500 2006 having liftgate issue. At first when we close the trunk, it won't close perfectly, then, when we use hand to touch the latch (to open the trunk) then we hear the sound noise and the gate closed, Or if we leave the trunk as is then when we started the engine and drive it display the message "gate open" (or something like this) then about few minutes, you would hear the sound/noise from the trunk and it is closed.
Then just last week, when open and close the trunk we heard the noise from the motor keep running non-stop!!! I drove the car to the auto repair shop and the technician helped to open the panel and remove the wire so it stops making noise.
I ordered a new liftgate actuator from Amazon and the technician helped to replace the all one. Then I could close the trunk perfectly for the first time, then when I open and close the trunk the 2nd time, I do not hear the sound of trunk closing. At this time, I could not open the trunk any more. However, when I was driving the message displays "tailgate open" and within a minute I heard the trunk closing (okay). Then when I park the car, I could open the trunk, close it the first time perfectly, but when I open and close the trunk the 2nd time, it will repeat the same issue as described above...
The auto repair shop technician suggested me to buy the "Rear SAM module" because he suspect it is bad. This rear SAM module cost ~$300 used one.
I really want to ask is the SAM the culprit? What went wrong with the SAM, can we clean it (how?) to make it good contact???
I really appreciate for your help, support
Best regards,
Tony
Feb 18, 2021 at 1:34 PM (Merged)
Avatar
KASEKENNY
  • CERTIFIED EXPERT
  • 18,907 POSTS
Can you get a video of this operating properly and then how it does not operate properly the second time? I am pretty sure I understand what it is doing but seeing it would really help.

As for if the SAM is the correct issue, just on the surface I would not agree.

This sounds like a control issue because clearly the latch and motor operate properly as they work the first time. So if they can do it once, they should be able to do it all the time. The fact that they are not and then as you are driving it then closes, again shows the components can do it, they are just not doing it when they are supposed to. That is a control issue.

However, the SAM module just gets the signal from the key and other inputs and tells the Rear end door closing module what to do. This module is what actually performs these functions.

I attached some info on this. Do you have a scan tool that can monitor the components to watch the request states? Meaning when you press a button the rear end module should see that and then command the latch to release and the motor to open/close the door. If it is doing this then we may have a motor issue. However, I suspect we will find it is not which is the proof we need.

Take a look at this attachment below that illustrates this pretty well.
Feb 18, 2021 at 1:34 PM (Merged)
Avatar
DPTRAN
  • MEMBER
  • 6 POSTS
Hello KaseKenny1,

Thanks so much for your time looking into the issue in details.
Attached please see the clip video of how it has been happening. it happened exactly that I did explain, first time open the trunk no issue, close it no issue hearing the closing sound uh uh uh.... Then open it second time ok, however, closing it hearing no sound, then could not open the trunk...
Then driving, see the message "tailgate open", keep driving few miles some time 5 min, some time, 8min randomly, then hearing the closing sound uh uh uh.... Then when we stop, we could open the trunk the first time, then close, then open 2nd time no issue, but closing the second time having hearing no sound and can't open it. The issue repeatable like this...
I don't know how to fix it, i did using dirt cleaning, wd40 to clean a bit but no help...
I might have to end up buying the rear SAM Module and try it. Thanks so much for your advice.
Feb 18, 2021 at 1:34 PM (Merged)
Avatar
DPTRAN
  • MEMBER
  • 6 POSTS
I don't have a scan tool.
Tony
Feb 18, 2021 at 1:34 PM (Merged)
Avatar
KASEKENNY
  • CERTIFIED EXPERT
  • 18,907 POSTS
Okay. I would not do the SAM yet. After seeing that, I think the issue is the latch itself. The reason is, I think when you close it, it is getting slammed too hard and that damages those latches. I have not seen this in a Mercedes but have in a bunch of Fords and the latch basically operates the same.

The way they work is when the latch senses the striker, it actually pulls the door shut which is the noise that you are hearing. The noise is the motor in the latch that is pulling it shut. When they get closed too hard it damages the sensor in the latch and will not operate properly.

This doesn't explain why it works the first time but will you try something for me? When you close the door, close it very softly almost to the point where the door will rest on the latch and then you have to push it softly until it trips the latch and the motor pulls it in. Then operate it again the same way and see if it continues to work.

Since you don't have a scan tool, i would still replace the latch before the module, even if that doesn't work.
Feb 18, 2021 at 1:34 PM (Merged)
Avatar
DPTRAN
  • MEMBER
  • 6 POSTS
Hello KASEKENNY1,

Thanks a lot for your comments.
I will try to follow your instruction to close the trunk softly tomorrow and let you know the result.
In my earlier email, I have mentioned that I have seen this issue, phenomenon few months back until 2 weeks ago, when I opened the trunk and closed it, I heard the motor keep making noise uh..uh..uh. then stop then uh..uh..uh then stop and continue doing that so I have to drive to the auto repair shop for technician to remove the panel and unplug the wiring...
Then I bought the new Tailgate Trunk Lift Door Hatch as shown in image attached and replaced it.
Therefore I'm not sure "the latch" that you mentioned is the Tailgate Trunk Lift Door Hatch that I bought or something else?
Appreciate that you could give me the part # or the image so I could buy to replace it
Thanks a lot for your advice...
Tony
Feb 18, 2021 at 1:34 PM (Merged)
Avatar
DPTRAN
  • MEMBER
  • 6 POSTS
Hi,

I have tried to close the trunk gently/softly but it did not help...
Thanks,
Tony
Feb 18, 2021 at 1:34 PM (Merged)
Avatar
KASEKENNY
  • CERTIFIED EXPERT
  • 18,907 POSTS
Okay. That answers that. Then I am back with you on the control module. If it were me, that is what I would do next.

Let me know what happens with this one. Thanks
Feb 18, 2021 at 1:34 PM (Merged)
Avatar
DPTRAN
  • MEMBER
  • 6 POSTS
replaced Rear SAM Module bought it on eBay for $299.00, it works perfectly. Could not believe that how the defect rear SAM module behaving like explained earlier.
Thanks so much Kasekenny1 you are awesome. This should be a good case study to share to everyone.
Tony
Feb 20, 2021 at 8:34 AM
Avatar
STRAILER
  • CERTIFIED EXPERT
  • 53,854 POSTS
KASEKENNY1 is one of our best! Use 2CarPros anytime, we are here to help. Please tell a friend.
Feb 23, 2021 at 5:22 PM
Avatar
V12CAT
  • MEMBER
  • 1 POST
I have a different but connected issue on my W164 ML420 so I thought it might be worth adding it to this thread, if that is acceptable. My solenoid on top of the hydraulic pump is water damaged. The pump still runs. Does anyone know the correct resistance for the coil on the solenoid? I've cut back the rotten pins to get contact and get circa 2 ohms, which to me is too low.

Thank you.
Dec 29, 2023 at 6:50 AM
Avatar
STRAILER
  • CERTIFIED EXPERT
  • 53,854 POSTS
Yes, you are correct, it sounds like it is shorted out. The Ohms should be about 25 to 35 on most coil electrical items. Let me know what happens.
Dec 29, 2023 at 11:01 AM