☰
Login
Join
×
Home
Answered Questions
Repair Topics
Repair & Service Guides
Popular Questions
Warning Lights
Trouble Codes
How It Works
Testing / Diagnostics
Symptoms
Videos
Login
Become a Member
Home
Ford
Escape
Body
Tailgate
Open
Tailgate
2017 FORD ESCAPE
2,000 MILES • 2.0L • 4 CYL • TURBO • AWD • AUTOMATIC
DAN PAGE
MEMBER
1 POST
FOLLOW
Tailgate seldom opens with foot action.
May 26, 2017 at 4:08 PM
Advertisement
STRAILER
CERTIFIED EXPERT
53,855 POSTS
Hello,
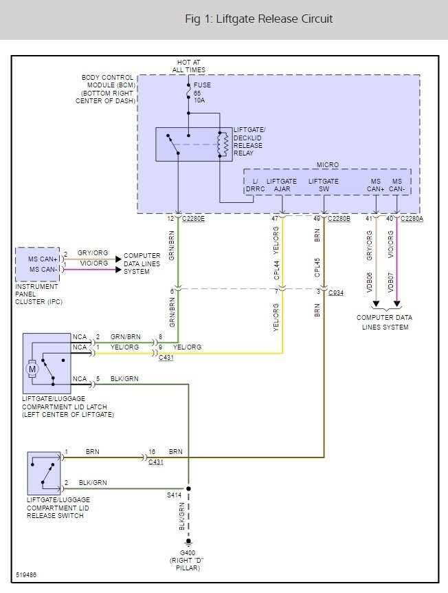
There is a tail gate relay that sounds like is acting up. Here is a guide and some tailgate wiring diagram to help you do some testing and get the problem fixed.
https://www.2carpros.com/articles/how-to-check-an-electrical-relay-and-wiring-control-circuit
and
https://www.2carpros.com/articles/how-to-use-a-test-light-circuit-tester
Please run some tests and get back to us so we can continue helping you.
Cheers, Ken
Images (Click to enlarge)
May 29, 2017 at 1:34 PM