The taillights stay on when truck is on or off?

2004 DODGE RAM
400,000 MILES • 5.7L • V8 • 4WD • AUTOMATIC
Avatar
JURZEI
  • MEMBER
  • 2 POSTS
Yesterday the passenger park light was also on, and today it's now taillights and park lights. We know it's not the light switch or fuses.
Dec 21, 2022 at 6:04 AM
Advertisement
Avatar
JACOBANDNICKOLAS
  • CERTIFIED EXPERT
  • 110,175 POSTS
Hi,

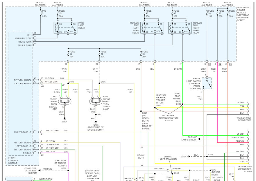
Park lamps use a driver in the front control module that is part of the TIPM (totally integrated power module). Power from the module is sent to a parking lamp relay and then through a fuse to the lamps.

I attached the wiring schematic below, so you have a reference. Here is what I want you to try. Disconnect the battery for about ten minutes and see if it resets the control module.

Let me know if that takes care of the issue.

Take care,

joe

See pics below.
Dec 21, 2022 at 9:54 PM