Taillights stay on

1993 CHEVROLET S-10
170,000 MILES • 4.3L • V6 • 4WD • AUTOMATIC
Avatar
NOVACLONE
  • MEMBER
  • 24 POSTS
They do turn off on their own sometimes, but mostly stay on. I have pulled the taillight fuse when they are on, but they stay on. I have also disconnected the headlight switch and they stay on. The headlights actually came on also with the taillights when the headlight switch and the fuse was installed and the headlight switch was turned off. The headlights did turn off by itself, but the taillights stayed on. Once in awhile , the taillights will turn off by themselves. and then come back on by themselves. This vehicle does have a brake controller and a plug in for trailer lights/brakes. I even installed a headlight switch from another working S10 Blazer and no change. In the time of about 30 minutes, the taillights come on and off about 7 times along with the headlights come on twice all by itself and the headlight switch off.
Sep 3, 2019 at 3:43 PM
Advertisement
Avatar
STRAILER
  • CERTIFIED EXPERT
  • 53,855 POSTS
Hello,

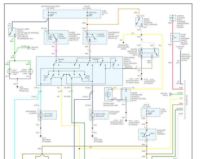
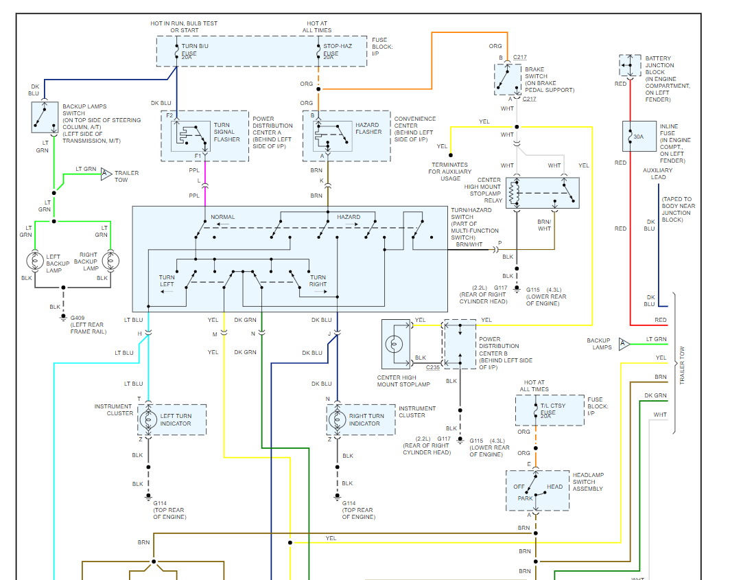
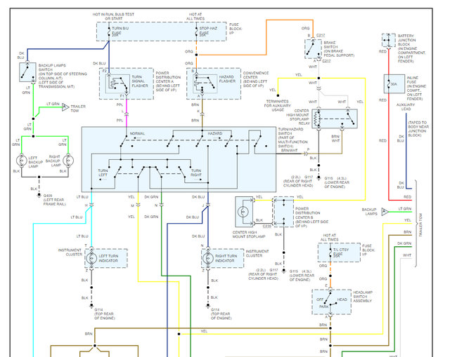
It sounds like the multi function switch is bad. To be sure here is the tail light wiring and a guide to test for power to confirm the issue:

https://www.2carpros.com/articles/how-to-use-a-test-light-circuit-tester

Check out the diagrams (below). Please let us know what you find. We are interested to see what it is.
Sep 4, 2019 at 6:58 PM