tail lights not working, but brake lights do and side running lights work.

2012 CADILLAC ESCALADE
Avatar
DALEBLAKE
  • MEMBER
  • 2 POSTS
So, my LED lights on both left and right as well as the top rear light don't work as running lights suddenly. Lights are not burnt out as when I press on brake, all lights light up as brake lights. They are just not running on their normal dim running light. all other parking lights work, on back and front. just the two rows that function as both break and running lights. I only find a parking light fuse in the motor fuse box. nothing in the cabin fuse box that would relate to running lights.
Dec 13, 2014 at 10:33 AM
Advertisement
Avatar
HMAC300
  • CERTIFIED EXPERT
  • 48,601 POSTS
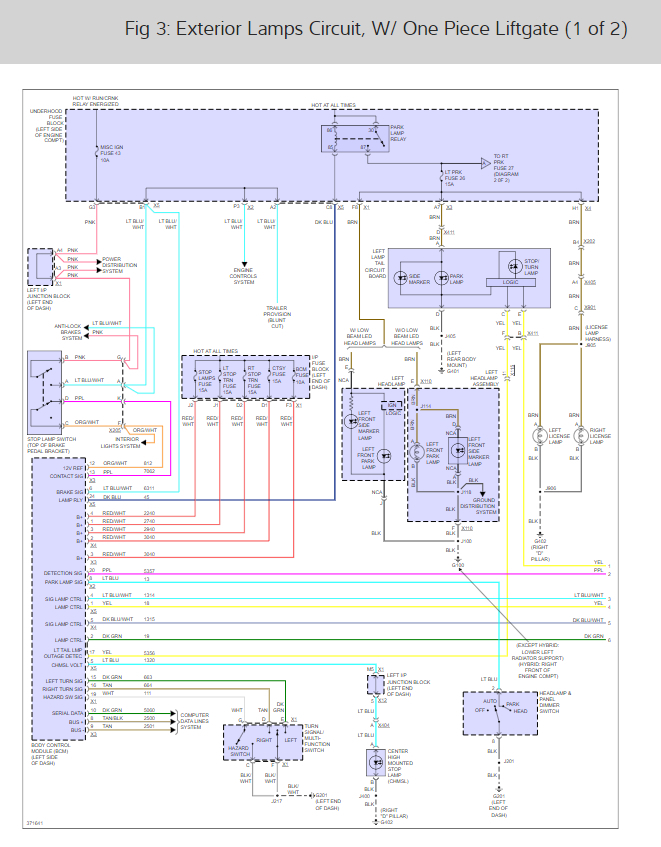
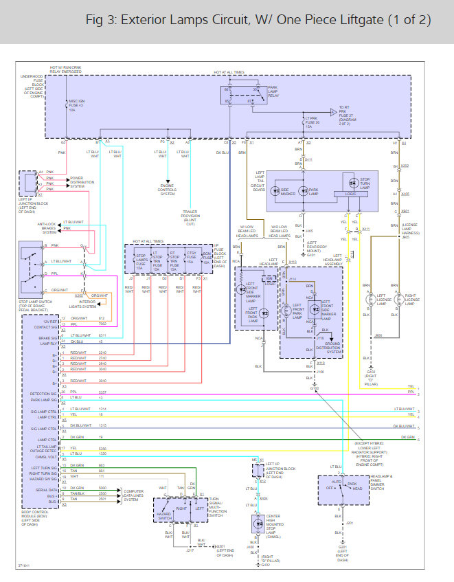
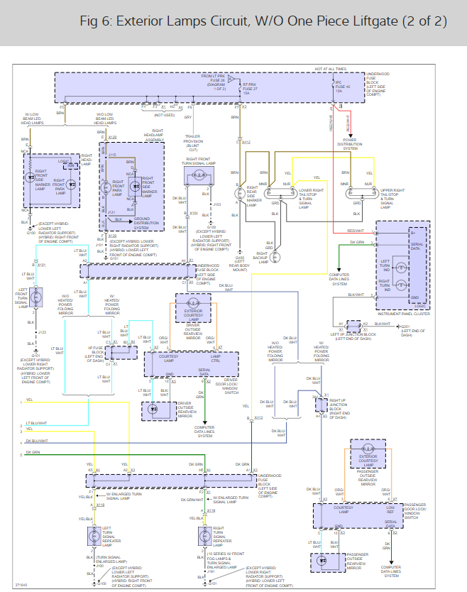
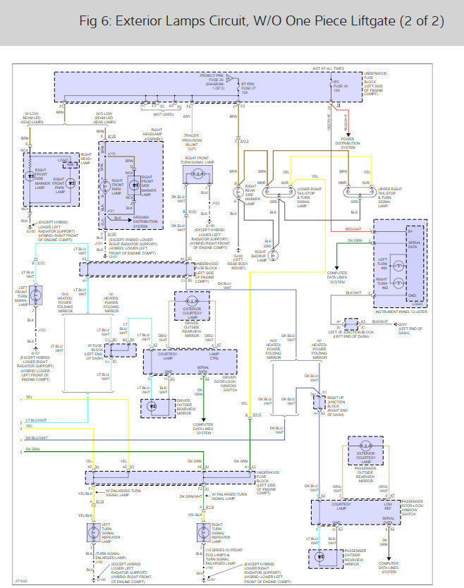
It sounds like you have a tail light relay that is not working here is a guide to help you check it.

https://www.2carpros.com/articles/how-to-check-an-electrical-relay-and-wiring-control-circuit

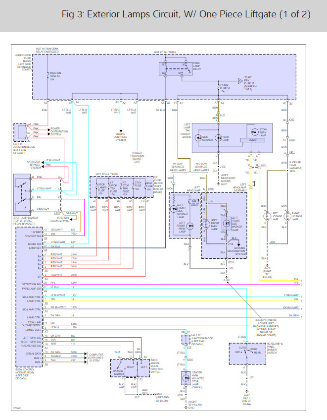
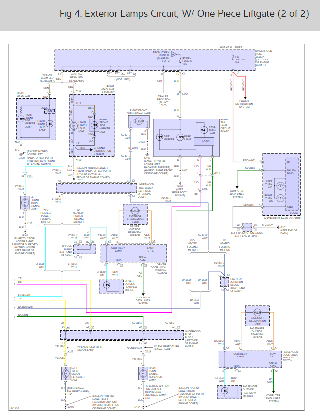
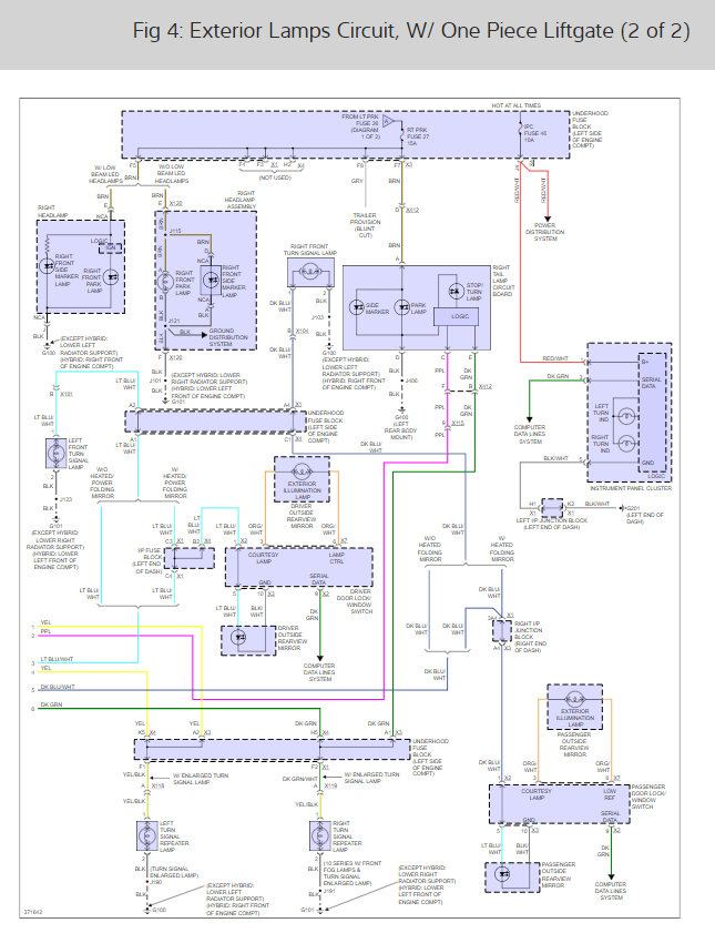
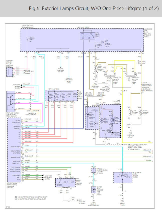
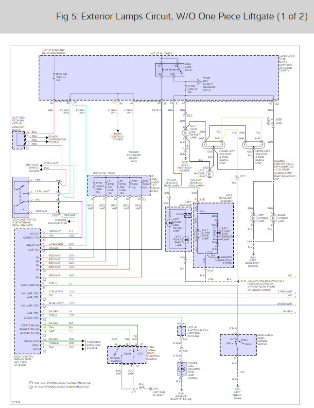
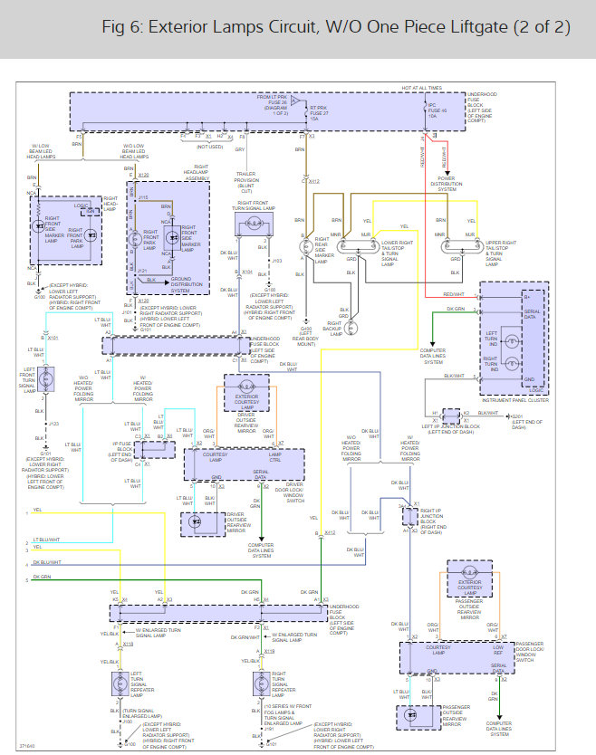
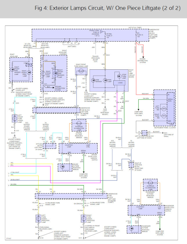
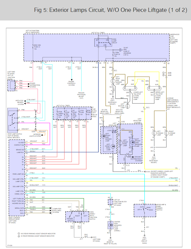
Here are the tail light wiring diagrams so you can see how the system works and relay location

Check out the diagrams (Below)

Please let us know what you find.

Cheers
Dec 13, 2014 at 11:24 AM
Avatar
DALEBLAKE
  • MEMBER
  • 2 POSTS
Thanks, all fuses are good. Then I checked the relay and it was out. I got a new one for $23.00 and installed it everything works great again thanks I love this site.
Dec 13, 2014 at 12:34 PM
Advertisement
Avatar
XYZDTN2011
  • MEMBER
  • 1 POST
Hi, The two side brake lights on my 2000 escalade are not working, the top third LED brake light is working. The brake lamp relay on the switch box is missing, but I can not find a part for it on the web, so maybe not used at all.

The hazard lights are also not working, and I noticed that the hazard light fuse in the switch box is missing. Also if the hazard switch on the steering column is depressed (turned on), then the turn signal lights work. If hazard switch is not depressed, then turn signal light on working (no sound, no blinking).

I don't know if this is the way it should be, or the wiring have been rewired by the previous owner or service.

Can you help?
Thanks ahead for your help,
Young
May 15, 2020 at 12:08 PM (Merged)
Avatar
JACOBANDNICKOLAS
  • CERTIFIED EXPERT
  • 110,175 POSTS
Without being there, I can't be 100% sure what is going on. However, it sounds like someone has changed some things. You should have a fuse for the signals and a relay for the brake lights.
May 15, 2020 at 12:08 PM (Merged)
Avatar
CADIEMAN
  • CERTIFIED EXPERT
  • 3,544 POSTS
install every thing like jandn said then if they dont work.i would plug a new turn signal switch in and check them.
May 15, 2020 at 12:08 PM (Merged)