Taillights not working

1995 HONDA PRELUDE
100,000 MILES • V6
Avatar
APRILPETERSEN
  • MEMBER
  • 1 POST
No taillights or dash lights. Help please, how and where do I fix it?
Jul 28, 2018 at 2:58 AM
Advertisement
Avatar
STRAILER
  • CERTIFIED EXPERT
  • 53,855 POSTS
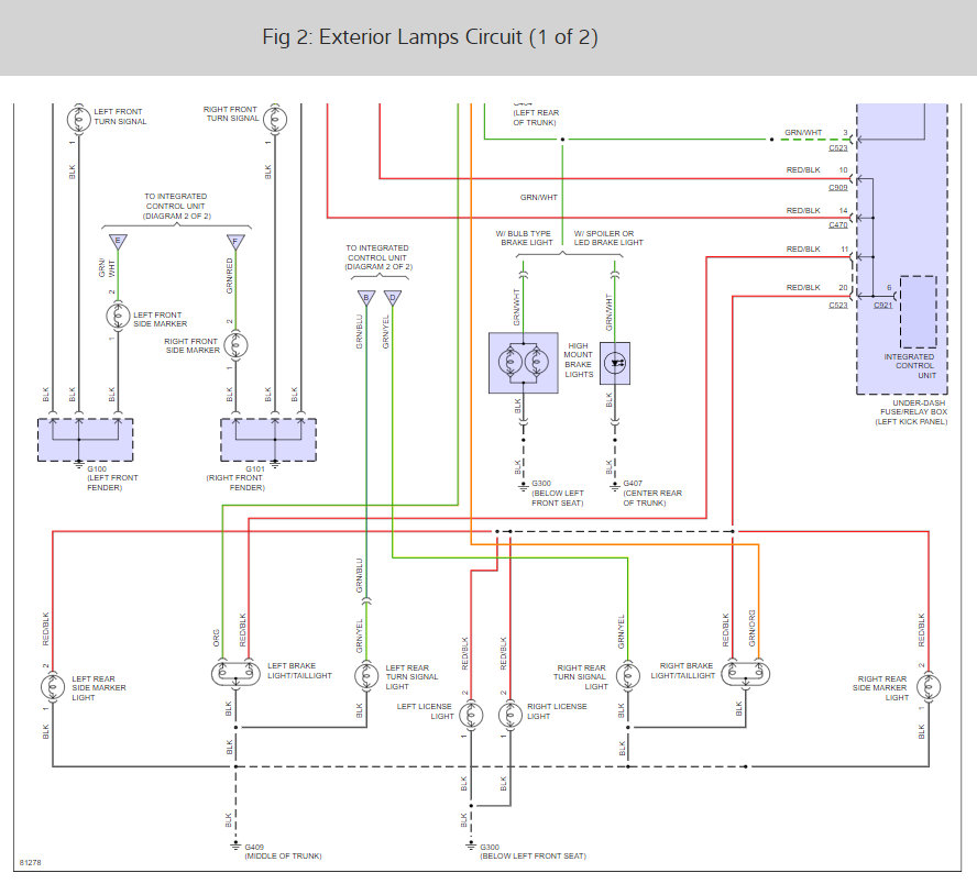
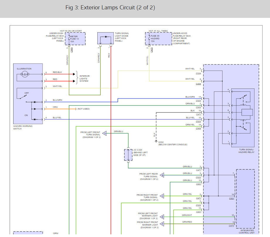
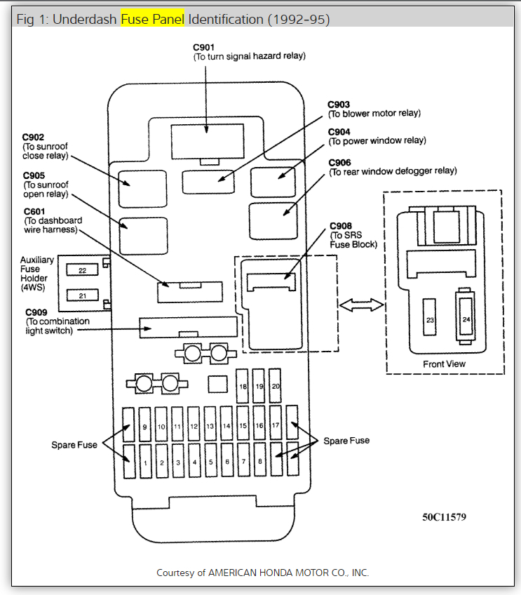
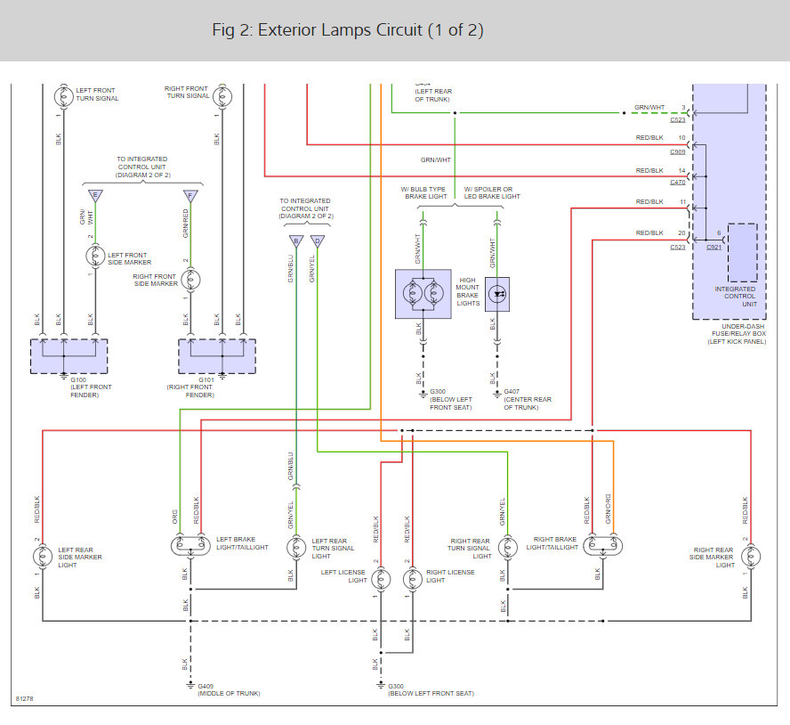
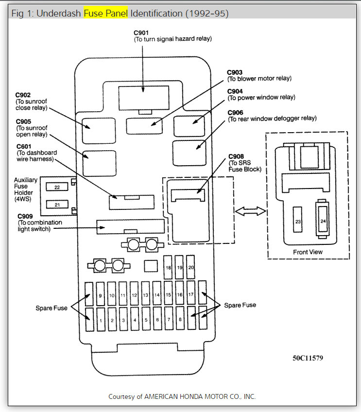
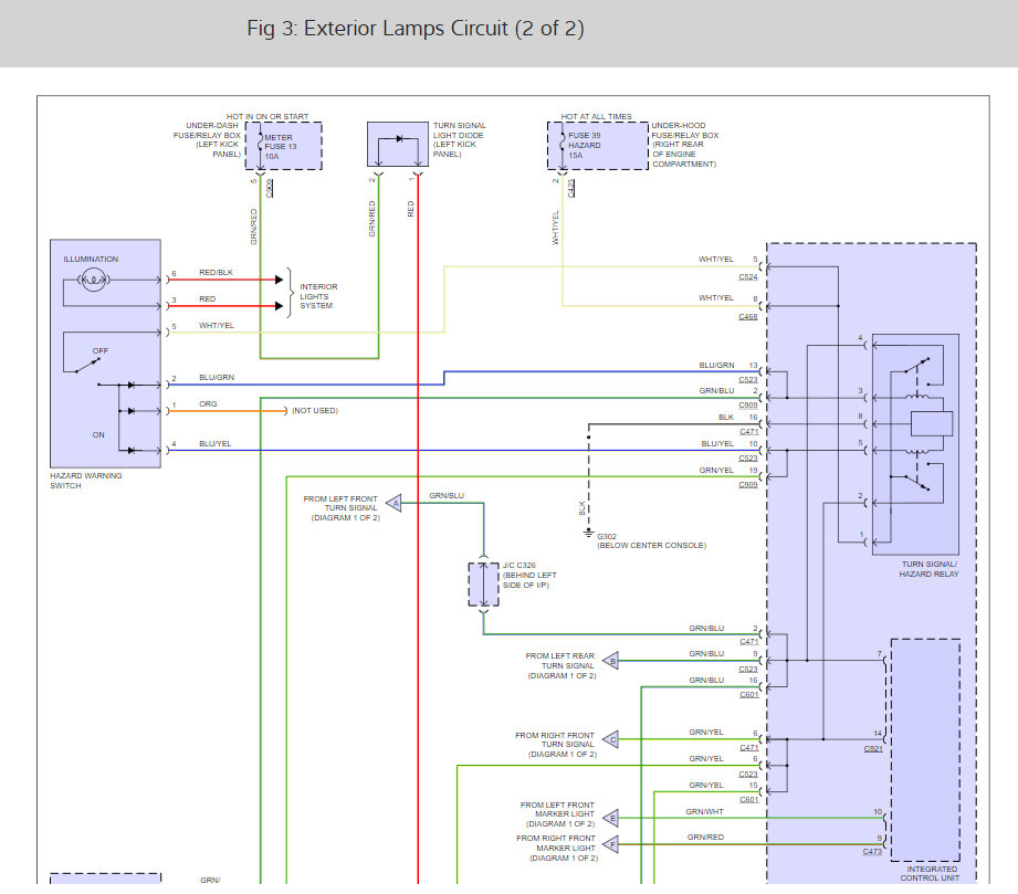
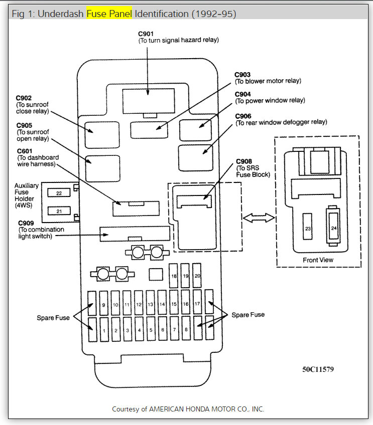
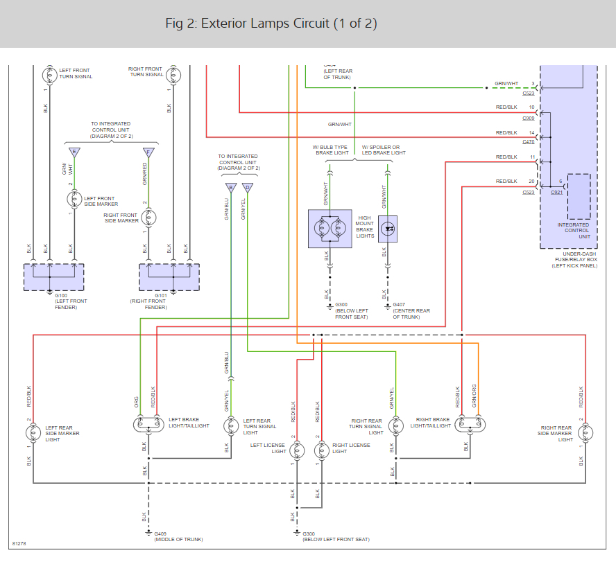
It sounds like you have a fuse out. Here is a guide to help you test to confirm the issue and the fuse location and the blinker wiring to see how the system works:

https://www.2carpros.com/articles/how-to-check-a-car-fuse

Check out the diagrams (below). Please let us know what happens.

Cheers, Ken
Jul 29, 2018 at 1:51 PM