Hi SandyCourntney,
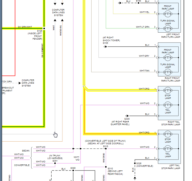
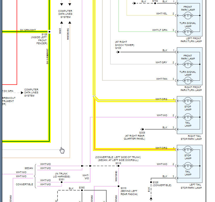
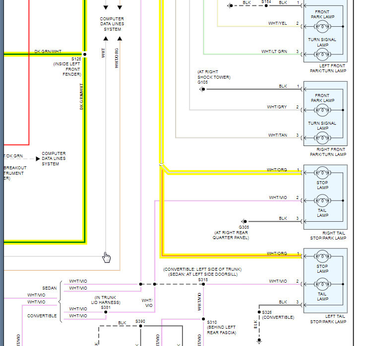
I assume that all three lamps are not working. If not, then this could be the stop lamp switch. This is on your brake pedal and when you press the brakes it closes the switch to turn the lights on. It has power to it all the time and then when it closes by pressing the pedal, it sends power to the TIPM which sends power to the tail lights. The third brake light gets a feed directly off the switch so if it is all three not working then the switch makes the more sense.
I included the process to replace the switch. Let me know if you need more info or if it is just the tail lights that don't work. Thanks
Images (Click to enlarge)
Jul 13, 2019 at 6:31 PM