Taillights, license lights and side markers not working

2003 LEXUS GS 300
120,000 MILES • 3.0L • 6 CYL • 2WD • AUTOMATIC
Avatar
JAYALLDAY
  • MEMBER
  • 2 POSTS
I’m not getting any power to the parking lamps. License plate lights. Or side marker lights. The brake lights and reverse and turn signal lights still work. I checked the fuse box and noticed 3 fuses that are not getting power. Or they are not active. Not sure if they are supposed to be powered at all times or not. But using my test light it shows they are not working. They are labeled DRL #1. HL r. HL l There are 3 fuses. The car does have aftermarket tail lights which are LED. I’m replacing those with OEM bulbs again. All my other lights work; headlights, fog lights, so on. I need my running lights and license plate/parking lights to work so I can pass the brake light inspection. Please help. I’ve looked online for any information on this. Maybe one of you can help. Thanks.
Dec 27, 2020 at 12:06 PM
Advertisement
Avatar
DANNY L
  • CERTIFIED EXPERT
  • 5,648 POSTS
Hello, I'm Danny.

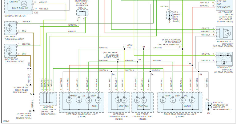
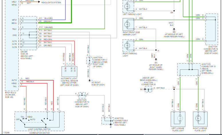
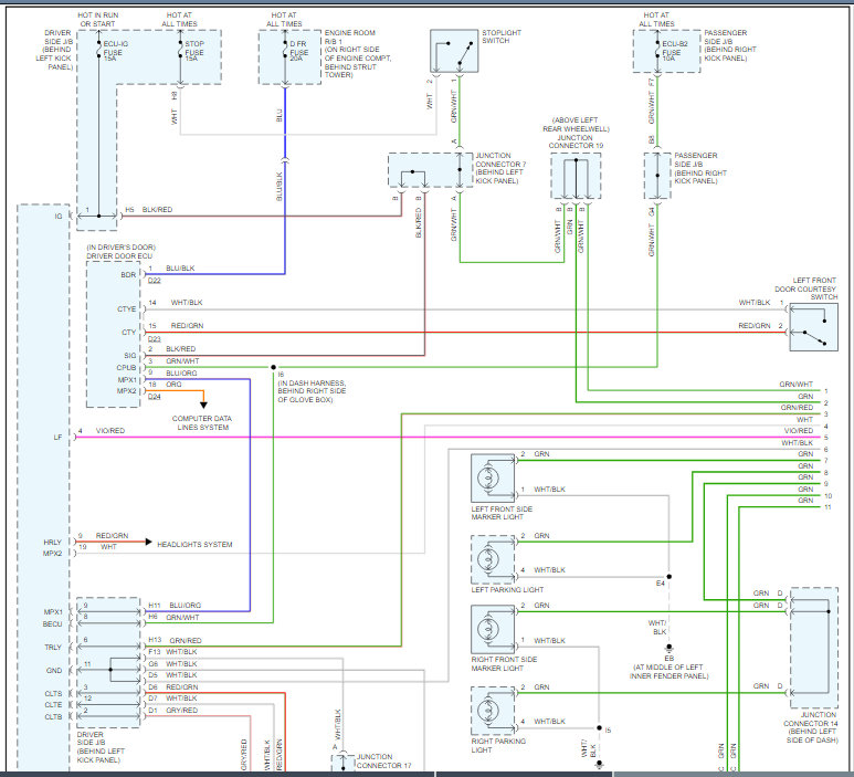
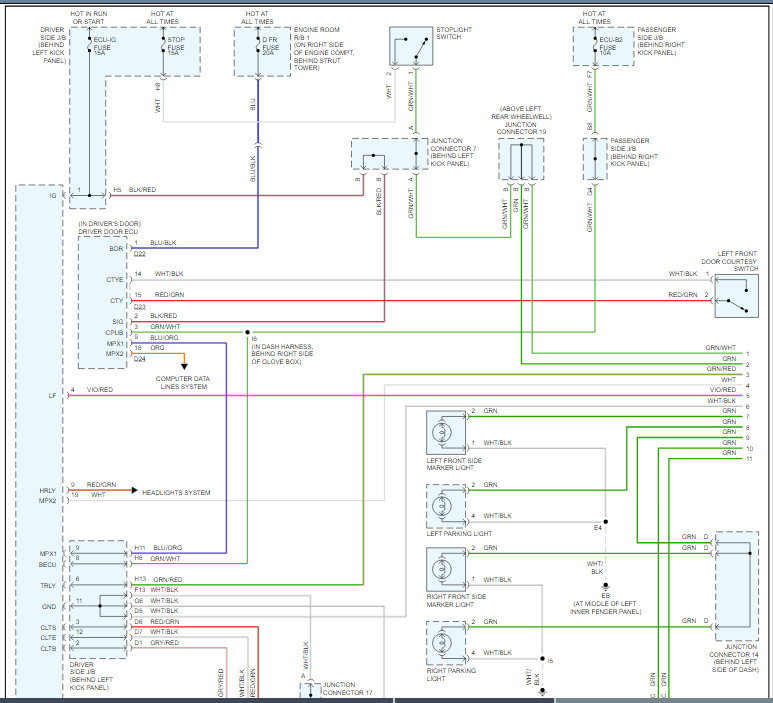
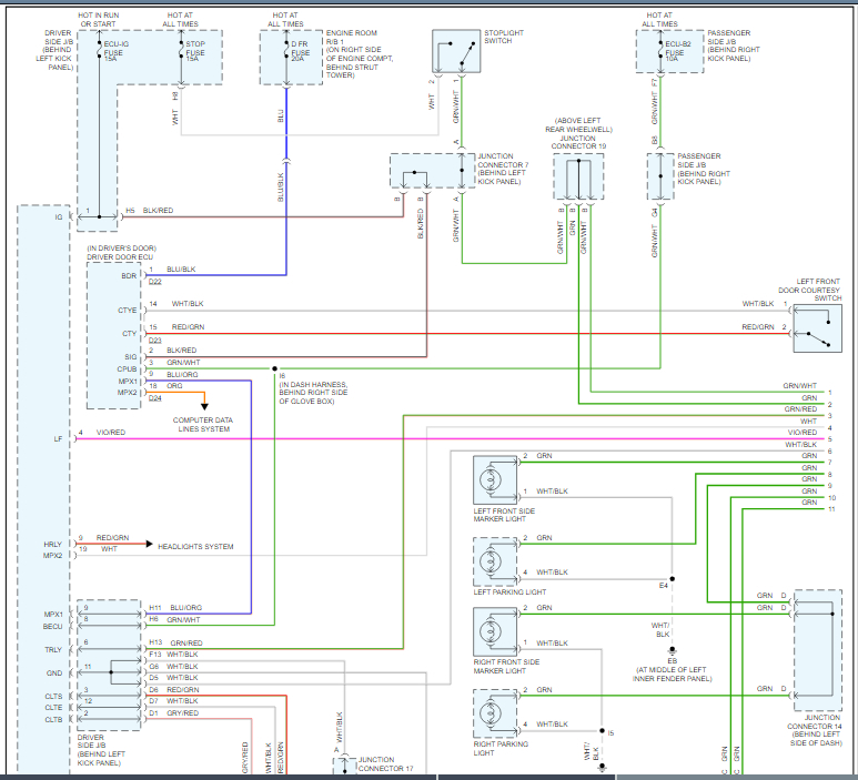
I've attached below a wiring diagram for the exterior lights on your Lexus. I've cut the pictures in half so you can view larger. Here is wire testing tutorial as well:

https://www.2carpros.com/articles/how-to-check-wiring

I would test the ground wires to see if that is the problem. When you converted to led taillights did you convert the flasher to led style? Novita brand makes one and are available at all auto parts stores. Hope this helps and thanks for using 2CarPros.
Dec 27, 2020 at 1:12 PM
Avatar
JAYALLDAY
  • MEMBER
  • 2 POSTS
I’m sorry but I have to say I am a complete rookie. I am not a mechanic of any sort. I can say the lights did work at one time. The previous owners changed the stock headlights and taillights to aftermarket style. I had to replace a relay to correct/fix the headlights. As I am trying to go back to stock lights and assemblies. A few hours after I changed the headlights back to their original state. The running lights/parking lights/license lights do not work. I do not have any blown fuses. And again. The brake lights. Turn signals . And everything still works. The only thing I am not getting are the nighttime market lights and license plate lights. My first thought is maybe a relay is bad? I don’t know how to read the diagram you’ve attached. This is something I want to learn or teach myself to fix because I was quoted $600.00 to diagnose/fix this. I do have a light tester. And I have tested The fuses and they are good. I don’t know how to test a relay. Or the ground as you’re asking. Please help. And please be patient I’m sure it’s an easy fix. Just don’t know where to start.
Dec 27, 2020 at 2:23 PM
Advertisement
Avatar
DANNY L
  • CERTIFIED EXPERT
  • 5,648 POSTS
Hello again.

Here is a tutorial showing how to test a relay for you to view:

https://www.2carpros.com/articles/how-to-check-an-electrical-relay-and-wiring-control-circuit

In the junction box near the left hand side kick panel is where the taillight relay is located. I've attached a picture below. Keep us updated if you have any more questions on this issue. Hope this helps and thanks again for using 2CarPros.

Danny-
Dec 29, 2020 at 6:20 AM