Taillights, dash lights, radio not working

1999 HONDA ACCORD
135,000 MILES • 4 CYL • AUTOMATIC
Avatar
JEMICA
  • MEMBER
  • 1 POST
The headlights work fine. The dashlights, tail lights, license plate light are not working. The day before I bought the car it passed inspection so I’m not sure what changed. After I noticed the lights not working, the next morning the radio stopped working. It is a aftermarket radio.
May 5, 2019 at 7:22 AM
Advertisement
Avatar
STRAILER
  • CERTIFIED EXPERT
  • 53,854 POSTS
Hello,

It sounds like fuse #10 has gone out in the passengers fuse panel but to be sure here is a guide to help you test for power and the fuse location as well

https://www.2carpros.com/articles/how-to-check-a-car-fuse

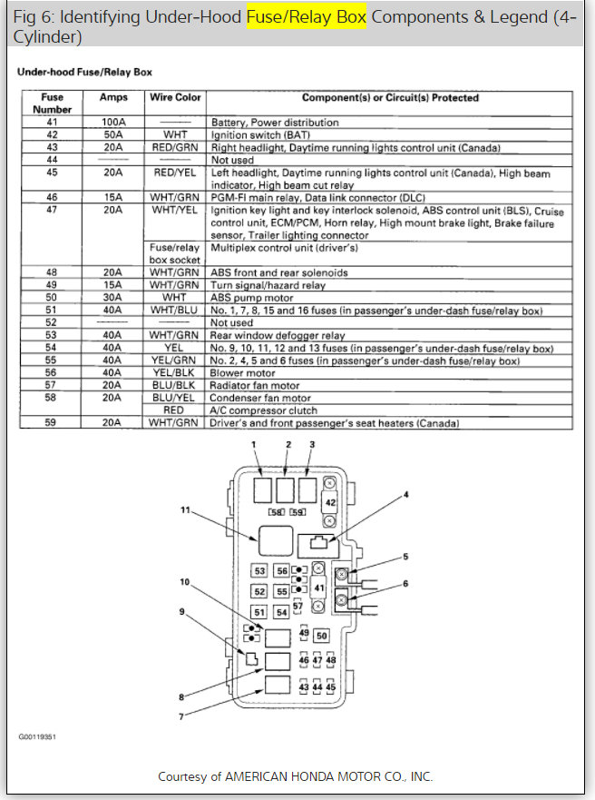
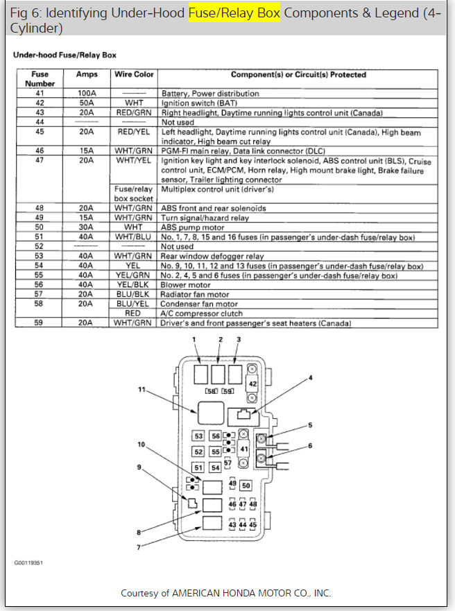
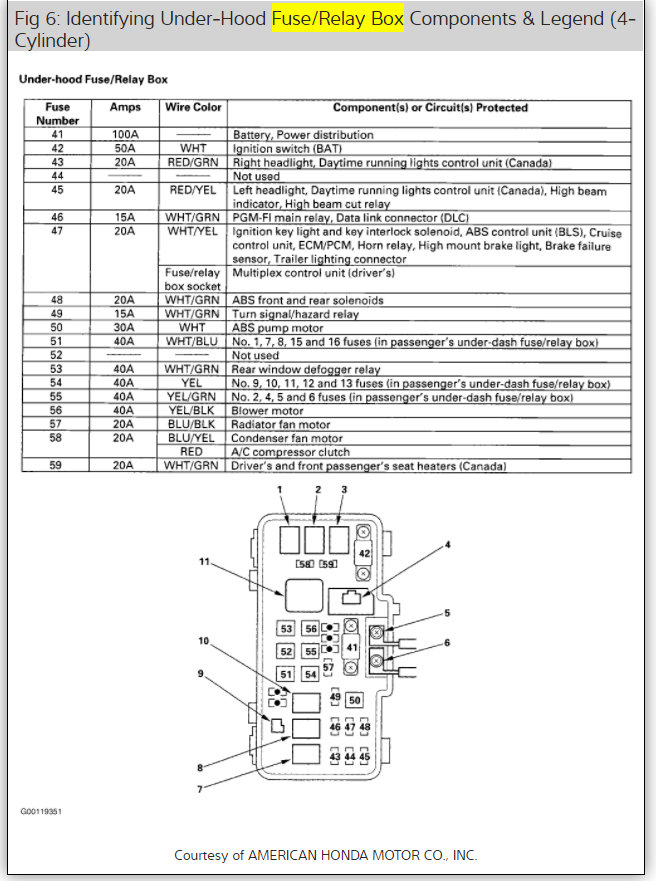
Check out the diagrams (Below). Please let us know what you find. We are interested to see what it is.
May 6, 2019 at 3:39 PM