tail lights, brake lights, and turn signals malfunctioning

1997 CHEVROLET S-10
140,000 MILES
Avatar
EDIE PALMER HAMILTON
  • MEMBER
  • 1 POST
turn signals only work if dash lights are turned off. no tail lights most of the time, but sporadically one of them will work. brake lights work about a third of the time.
Aug 25, 2017 at 9:37 AM
Advertisement
Avatar
STRAILER
  • CERTIFIED EXPERT
  • 53,854 POSTS
There does not seem to be a relay in the system. I would start by having the light switches on and doing a "wiggle" test on each of the fuses to see if you can get the lights to act up telling you there is a loose fuse.

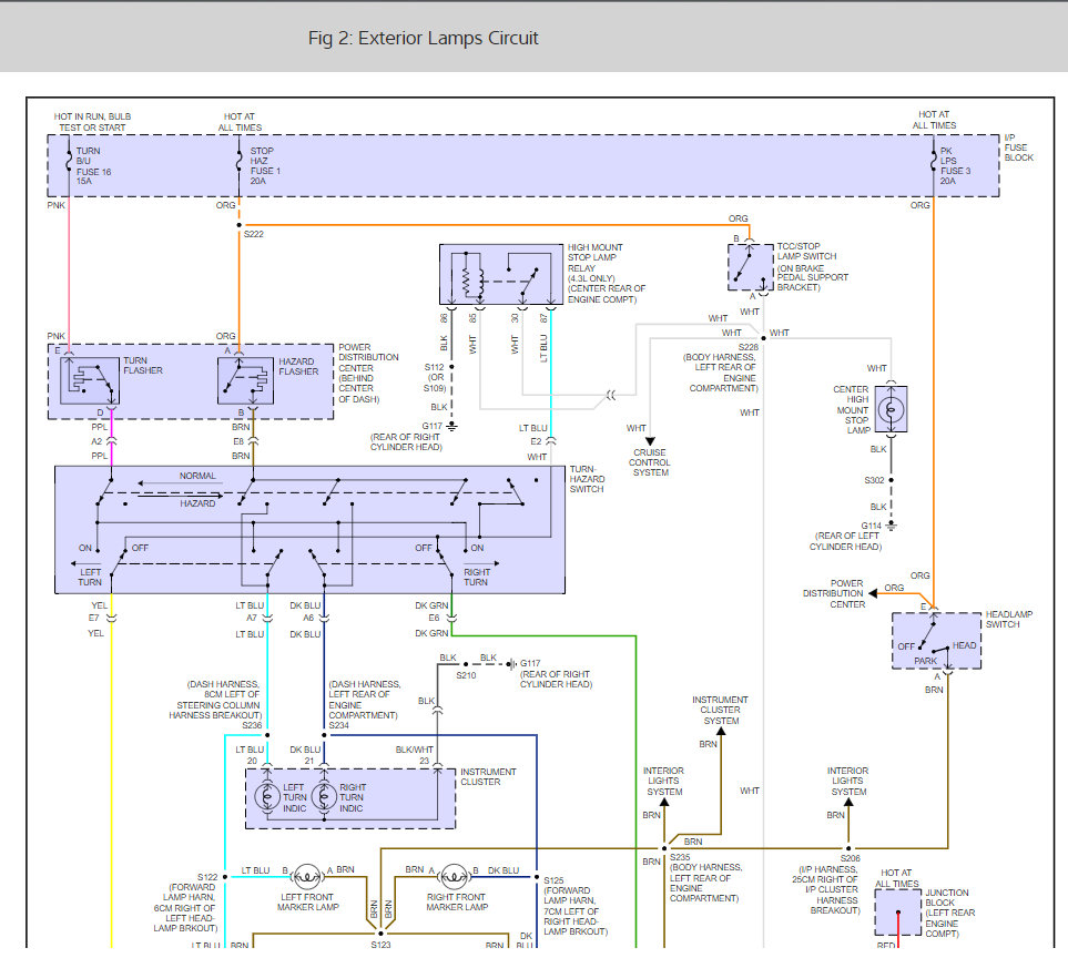
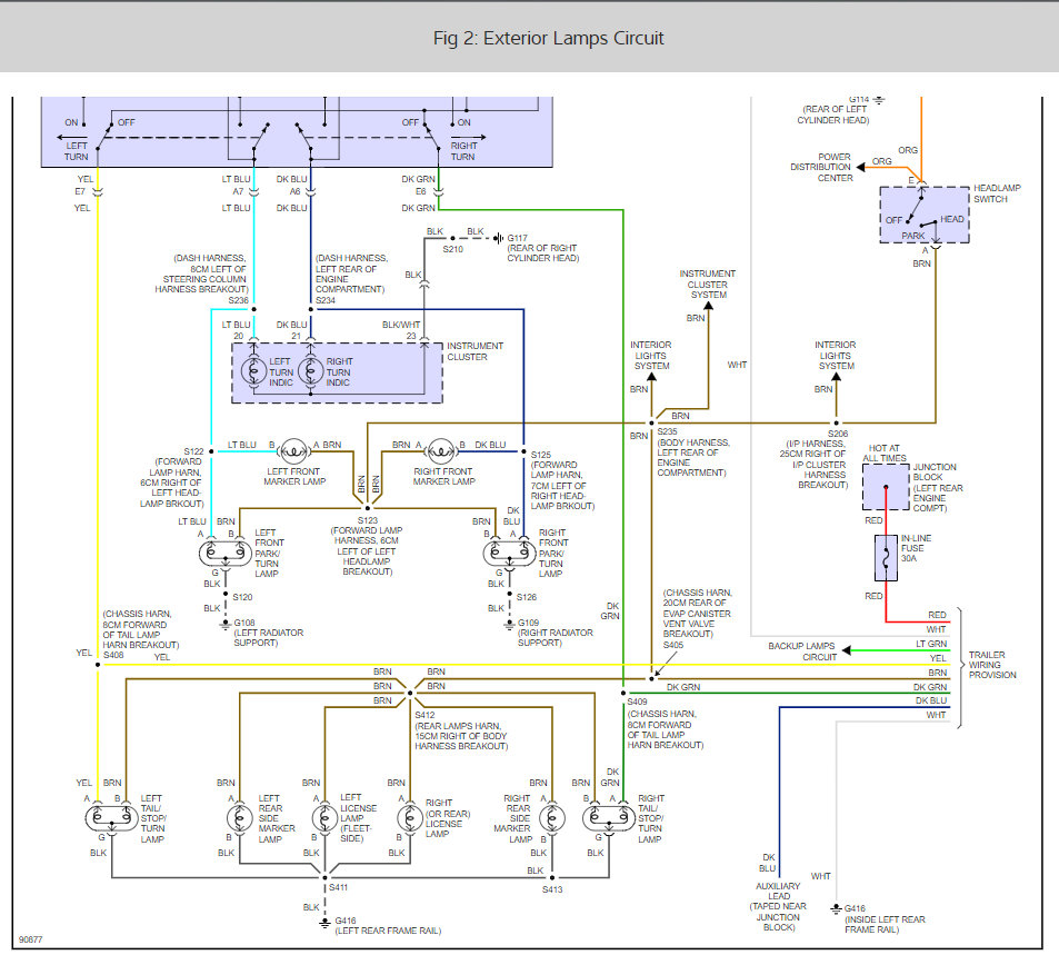
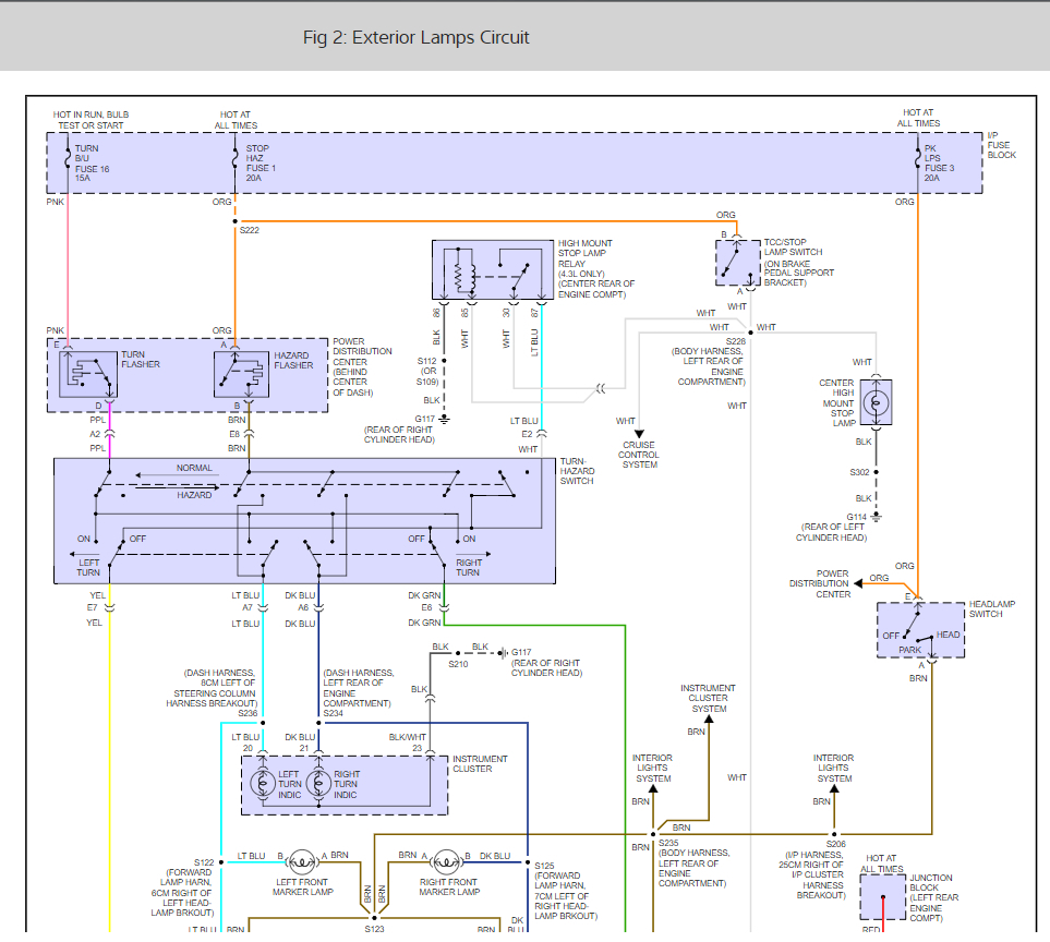
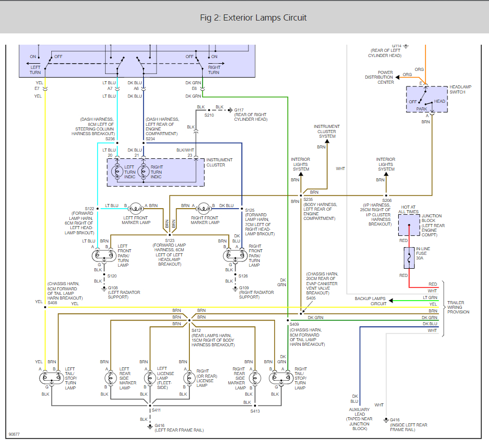
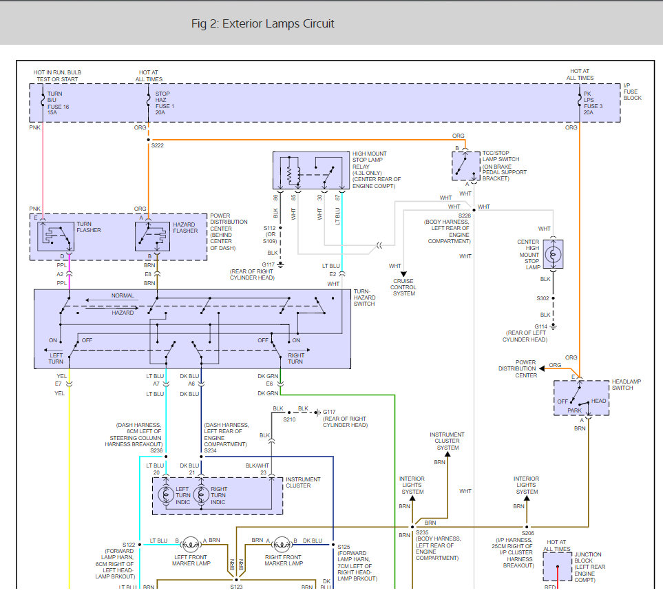
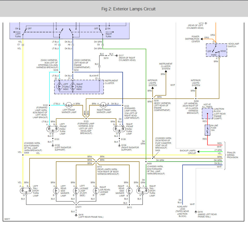
If that checks out here is a guide and a brake and running light wiring diagram (below) so you can test where you are loosing the power.

https://www.2carpros.com/articles/how-to-use-a-test-light-circuit-tester

Also try to cycle the hazard switch these will "wipe off" the connections and may allow the system to work again.

Please let us know what happens.

Cheers, Ken
Aug 26, 2017 at 12:26 PM
Avatar
STEVE W.
  • CERTIFIED EXPERT
  • 15,113 POSTS
The hazard switch on these was bad for the contacts failing and causing the loss of the brake / turn signals. If you turn on the turn signal and gently push down on the hazard switch and the lights start working this is your problem.
GM part #15174447 will fit the 97, BUT it's black not red like the original.
REMOVE the horn fuse or disconnect the battery first, your neighbors, dogs, wife will thank you !!!!
The old one should pull up and out. You don't need to remove the steering covers if the switch button is bad. Couple videos showing the issue.

https://www.youtube.com/watch?v=EyZUHUYtifE
https://www.youtube.com/watch?v=E5W42dsikyk


There is also one wire which grounds all of the rear lights. If it fails the lights will try to ground through the headlamp switch and OFF stops 12 volt from feeding in and blocking the path to ground.
Easiest way to test this is to pull either rear taillight. Find the black wire and use a wire to jumper it to a good ground. Test the lights and see if the work.

If they do you can either dig out the bad ground from under the truck OR the easier method is to add a new ground from each rear light to a good ground right behind the light housing. Just strip a short area out of the insulation, TRY not to cut through the wire, you will be using it to provide the ground for the marker lights as well as the brake/turn lights. Wrap the new wire around it and solder it.
Then "paint" the wire with liquid electrical tape. Crimp a ring terminal to the other end and pick a spot behind the light where you won't hit anything or drill through the interior or exterior box wall. Drill and clean the paint off. Attach the ring terminal with a screw and then coat it with LEtape to seal it.
Do both sides and you will even the load and have a redundant ground.

Your choice as to which you try first.
Aug 26, 2017 at 10:17 PM
Advertisement