reverse lights not working, reverse light switch location?

2008 FORD RANGER
150,000 MILES • 2.3L • 4 CYL • 2WD
Avatar
STEVE STERN
  • MEMBER
  • 1 POST
What should I check, fuse, sensor? Where are these located?
Sep 3, 2018 at 5:25 AM
Advertisement
Avatar
ASEMASTER6371
  • CERTIFIED EXPERT
  • 52,796 POSTS
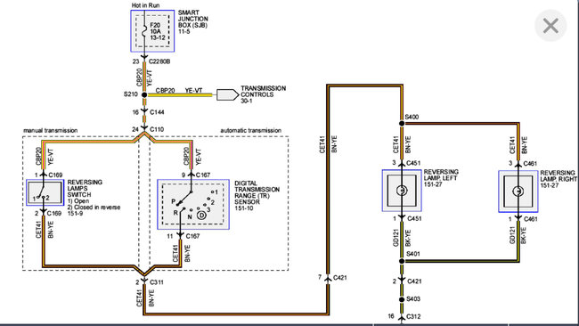
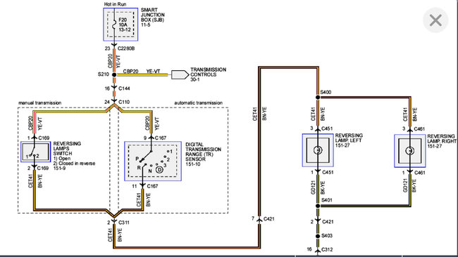
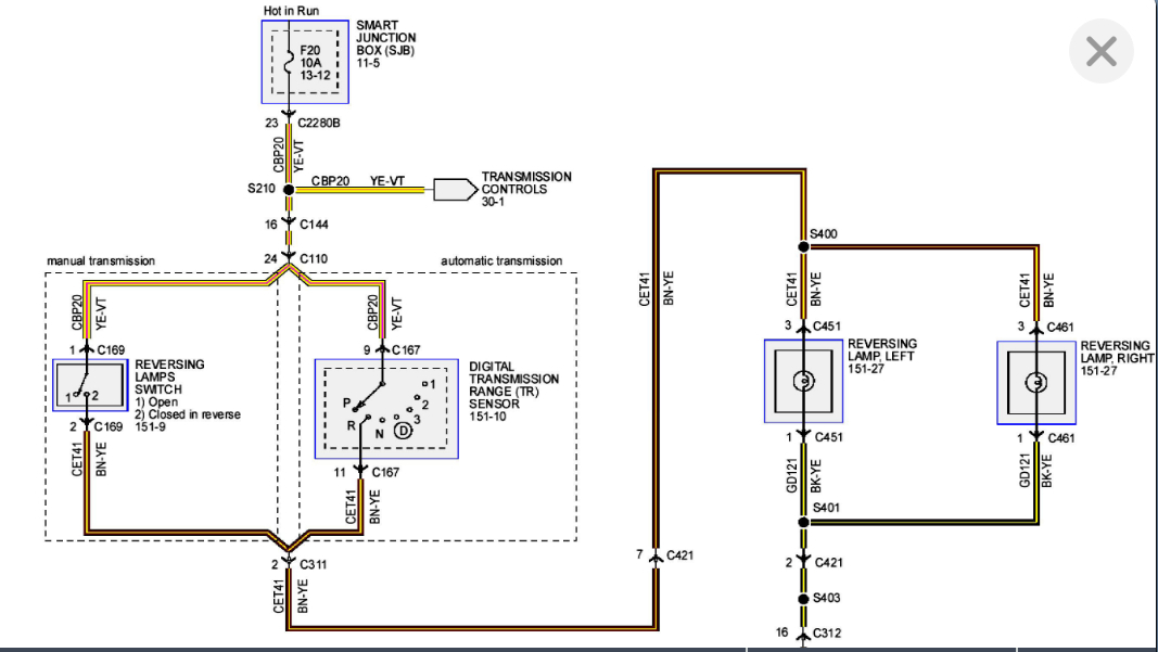
Good morning.

I attached a wire diagram for you to view.

There is a fuse in the smart junction block. Fuse number 20, a 10 amp fuse, should feed the circuit. It is hot with the key on. Use a test light to verify power on both sides of the fuse.

Do you have a stick shift or automatic transmission?

Roy
Sep 3, 2018 at 5:43 AM
Avatar
CARMADBOB
  • MEMBER
  • 3 POSTS
Reverse lights do not work. checked fuse and bulbs both okay. I have checked voltage at the bulbs connectors and have get twelve volts when reverse is selected but the bulbs still do not work. I am baffled, can anyone help?
Thanks,
Bob
Jun 2, 2021 at 1:26 PM (Merged)
Advertisement
Avatar
CARADIODOC
  • CERTIFIED EXPERT
  • 34,306 POSTS
Leave the bulbs in their sockets, then check for voltage on both terminals. If the twelve volts is gone, I will explain why a test light would be more accurate than a voltmeter. If you find twelve volts on both terminals, the ground circuit is open. Look for a cut wire, rusted ground connection on the body, or the ground wire is corroded off the socket.
Jun 2, 2021 at 1:26 PM (Merged)
Avatar
CARMADBOB
  • MEMBER
  • 3 POSTS
Cannot access the connection at the back of the bulb holder's have already checked for broken or damaged cables nothing found continuity on both cables okay.
Jun 2, 2021 at 1:26 PM (Merged)
Avatar
CARADIODOC
  • CERTIFIED EXPERT
  • 34,306 POSTS
Cannot diagnose it without voltage measurements. Perhaps you can poke your test probe alongside the wires where they go into the socket. I assume you have the newer 3157 bulb with the flat plastic base. There is usually enough of the wire terminals exposed to allow readings to be taken right on the base of the bulb. For the older 1157s and 1156s, the round brass base was the ground terminal, and enough of that was exposed to allow readings to be taken. Those also had a common problem with the center terminal in the socket getting hot, and the plastic insulator would melt, then the terminal would sink away from the bulb and lose contact. Adding a drop of solder to the terminal on the bottom of the bulb often solved that.
Jun 2, 2021 at 1:26 PM (Merged)
Avatar
CARMADBOB
  • MEMBER
  • 3 POSTS
Thanks you for your reply i think we have the older type of bulb holder's so I Will try your suggestions as soon as I can .
Thanks
Jun 2, 2021 at 1:26 PM (Merged)
Avatar
BOBDORE
  • MEMBER
  • 1 POST
Where is the backup light switch located in my 2001 Ranger. My backup lights work intermittently I want to change it but I need to find it.
Jun 2, 2021 at 1:26 PM (Merged)
Avatar
MHPAUTOS
  • CERTIFIED EXPERT
  • 31,937 POSTS
Hi there, It is on the top left side of the transmission.


https://www.2carpros.com/forum/automotive_pictures/61395_switch_4.jpg

Mark (mhpautos)
Jun 2, 2021 at 1:26 PM (Merged)
Avatar
STRAILER
  • CERTIFIED EXPERT
  • 53,854 POSTS
Please let us know what happens.

Cheers, Ken
Jun 2, 2021 at 1:26 PM (Merged)
Avatar
JTP39180
  • MEMBER
  • 1 POST
i have checked the bulbs and the fuse but the backup lights just dont work.
Jun 2, 2021 at 1:26 PM (Merged)
Avatar
FLEXY5
  • CERTIFIED EXPERT
  • 512 POSTS
Check the reverse position switch on the side of the trans. It's on the driver side to the rear. It should be the smaller of the two sensors. the other is the Neutral safety switch.
Jun 2, 2021 at 1:26 PM (Merged)
Avatar
MOVLYGUY
  • MEMBER
  • 3 POSTS
I just realized that all (including cab) back-up lights don't work when I put the vehicle in reverse. The fuse is good, however I have aftermarket euro tail lights & a hurst shifter. Is there any reason why the shifter would not engage the back-up switch or the rear light assemblies could be the culprit? thanks.

JP in SOCAL
Jun 2, 2021 at 1:26 PM (Merged)
Avatar
RACEFAN966
  • CERTIFIED EXPERT
  • 5,029 POSTS
Is the reverse light switch on the trans any good? Have you checked that switch? If not then I would and if you need any help with wiring colors and what they do then get back to me and I will look over the wiring diagrams and get that info for you. Let me know how it goes and what you need.
Jun 2, 2021 at 1:26 PM (Merged)
Avatar
MOVLYGUY
  • MEMBER
  • 3 POSTS
Thanks racefan for the prompt reply. I'm thinking you are right about the reverse light sw being the issue, will be looking into that next. Not sure how to test, probably should just replace? Any insight on this would be helpful. thanks again!

JP
Jun 2, 2021 at 1:26 PM (Merged)
Avatar
RACEFAN966
  • CERTIFIED EXPERT
  • 5,029 POSTS
It is very easy to replace just unplug remove and replace and plug back in. If you still have problems then I will look over the wiring diagram and walk you though some testing. If you would like to test it first then let me know and I will walk you through it first to make sure it is bad. Let me know what you want to do.
Jun 2, 2021 at 1:26 PM (Merged)
Avatar
JONN
  • MEMBER
  • 2 POSTS
All exterior lights work except the reverse lights. I've replaced the bulbs but they still don't light when backing up. I assume it's switch, but I don't know where it is. I've got the "Haynes Repair Manual", but there is no mention of it. Thanks for your help.
Jun 2, 2021 at 1:26 PM (Merged)
Avatar
FAIRRACING31
  • CERTIFIED EXPERT
  • 150 POSTS
John, on a automatic it is your neutral saftey switch, follow your gear selector linkage to your tranny, Where your gear selector goes into the tranny is where your switch is, it should have two bolts that hold it in. On a manuel, I believe it is on top of the tranny, closer to drivers side about half way back. Hope this helps.
Jun 2, 2021 at 1:26 PM (Merged)
Avatar
MOVLYGUY
  • MEMBER
  • 3 POSTS
Got new sw a local Napa, (in stock), will advise when replaced. thanks for the advice.

JP
Jun 2, 2021 at 1:26 PM (Merged)
Avatar
JONN
  • MEMBER
  • 2 POSTS
I just wanted to say thanks. I finally found the switch and replaced it. My reverse lights are working fine again. You da man.
Thanks again,
Jonn

[quote:5235096938="fairracing31"]John, on a automatic it is your neutral saftey switch, follow your gear selector linkage to your tranny, Where your gear selector goes into the tranny is where your switch is, it should have two bolts that hold it in. On a manuel, I believe it is on top of the tranny, closer to drivers side about half way back. Hope this helps.[/quote:5235096938]
Jun 2, 2021 at 1:26 PM (Merged)
Avatar
RACEFAN966
  • CERTIFIED EXPERT
  • 5,029 POSTS
Sounds great. Let me know it goes and if it still don't work I look through the wiring diagrams and we will do some test.
N. Idaho
Jun 2, 2021 at 1:26 PM (Merged)