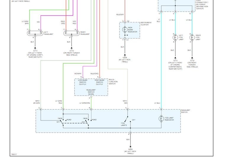
I was driving down the road at night and I heard the fuse pop, and the parking lights and instrument panel lights went out. Headlights, brake lights, turn signals all fine. I've disconnected the front and rear parking lights, disconnected the coupling for the license plate lights, and also the coupling for the trailer lights.
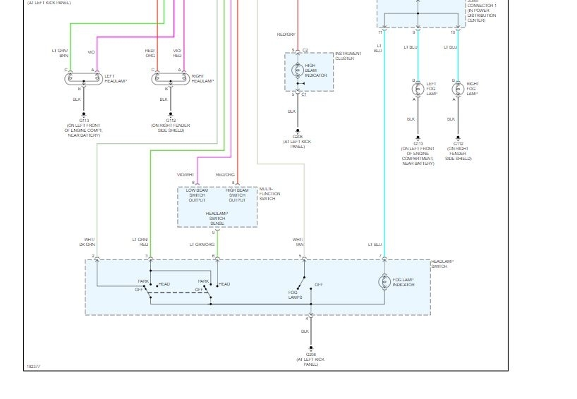
Still reading continuity across the blown fuse.
is there anything else on this circuit I can disconnect to try to isolate the short?
once everything is unhooked, if I still have a short, is there any way to isolate parts of the harness? because its mostly in huge bundles of wires in tape and plastic jacketing.
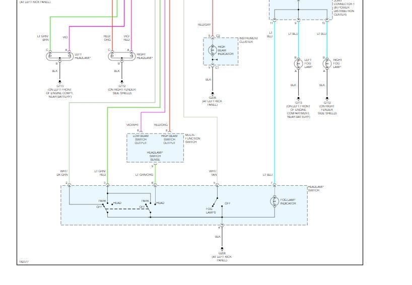
Still reading continuity across the blown fuse.
is there anything else on this circuit I can disconnect to try to isolate the short?
once everything is unhooked, if I still have a short, is there any way to isolate parts of the harness? because its mostly in huge bundles of wires in tape and plastic jacketing.
Mar 31, 2020 at 2:59 PM



