Tail lights

2003 CHEVROLET IMPALA
143,000 MILES • 3.8L • 6 CYL • 4WD • AUTOMATIC
Avatar
TONYDWINDOM
  • MEMBER
  • 10 POSTS
When I drive my tail lights do not come on at night. But my blinkers work. Do you think it is the actual bulb or do I need to replace the whole light?
Oct 19, 2017 at 7:39 AM
Advertisement
Avatar
MHPAUTOS
  • CERTIFIED EXPERT
  • 31,937 POSTS
Check bulb first and check power and earth at the bulb holder as well. post back your findings for further assistance.
Oct 19, 2017 at 4:42 PM
Avatar
TONYDWINDOM
  • MEMBER
  • 10 POSTS
I replaced the tail light bulbs, but it is still does not come on when I drive. Can it be the fuse and where is the fuse exactly?
Oct 19, 2017 at 7:54 PM
Advertisement
Avatar
STRAILER
  • CERTIFIED EXPERT
  • 53,854 POSTS
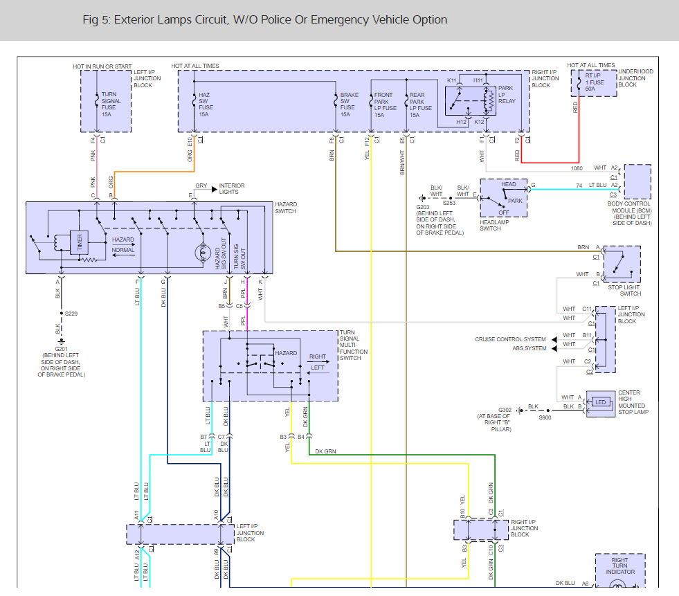
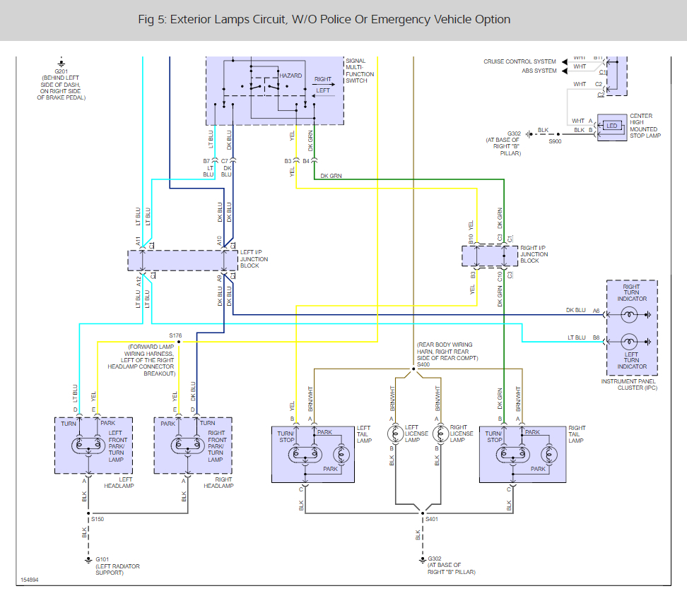
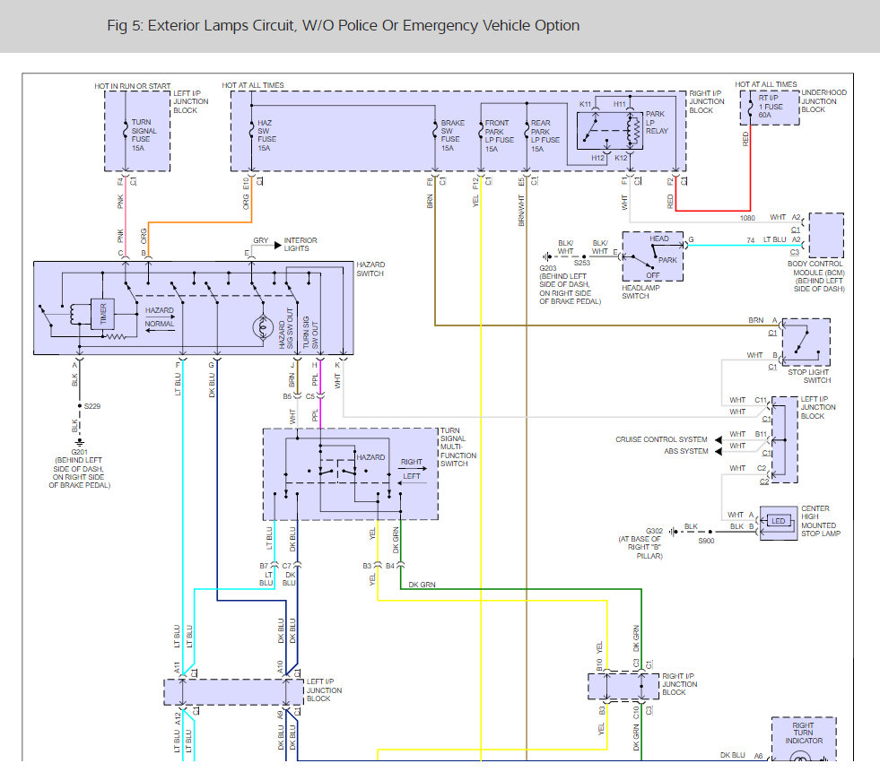
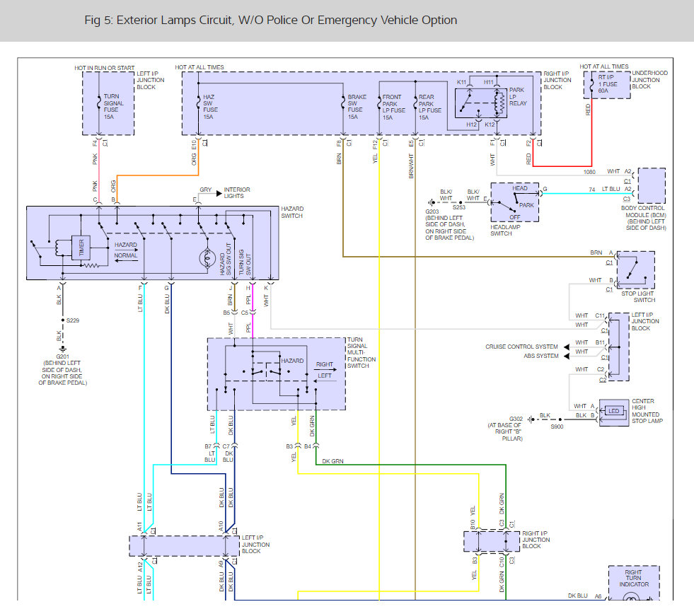
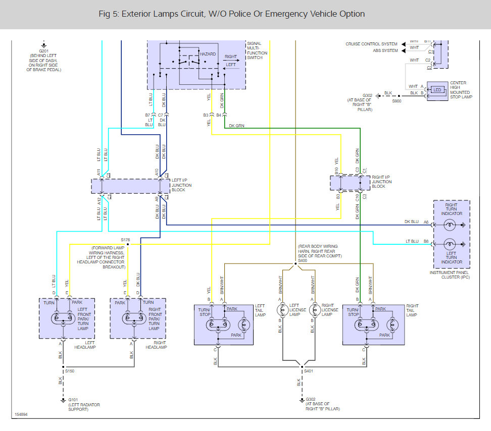
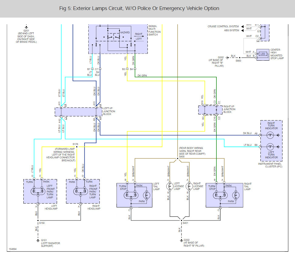
Here is guides and some wiring diagrams (below) to help you run some simple tests so you can get the problem fixed.

https://www.2carpros.com/articles/how-to-use-a-test-light-circuit-tester

and

https://www.2carpros.com/articles/no-tail-lights-exterior-running-lights-tail-lights-out

Let us know what happens and please upload pictures or videos of the problem.

Cheers, Ken
Oct 20, 2017 at 2:31 PM
Avatar
TONYDWINDOM
  • MEMBER
  • 10 POSTS
U was every right but it was way above my level so I had to take it to a mechanic
Nov 4, 2017 at 2:08 PM
Avatar
STRAILER
  • CERTIFIED EXPERT
  • 53,854 POSTS
Sorry about that we like to fixum! But please let us know what happens so it will help others and the cost would be good as well.

Cheers, Ken
Nov 5, 2017 at 1:06 PM