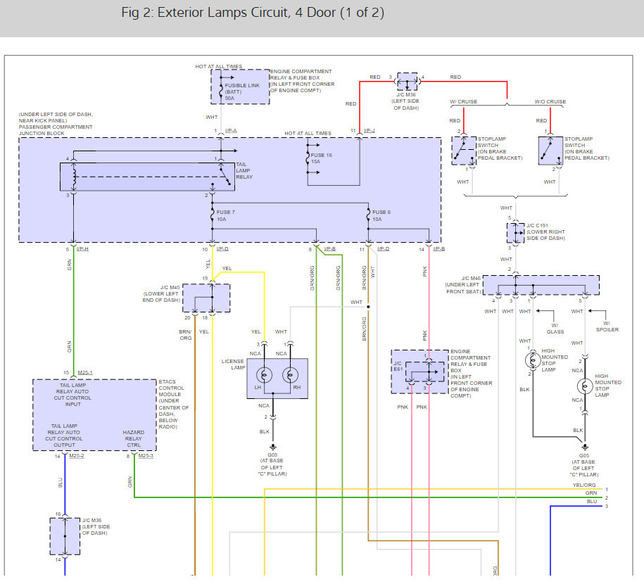
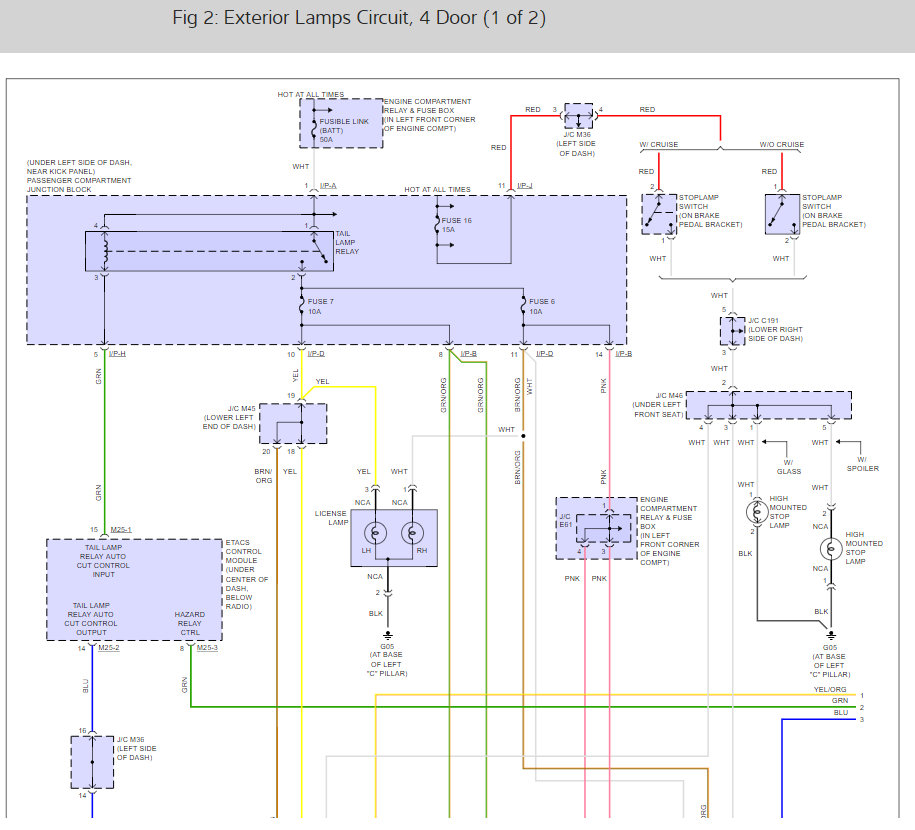
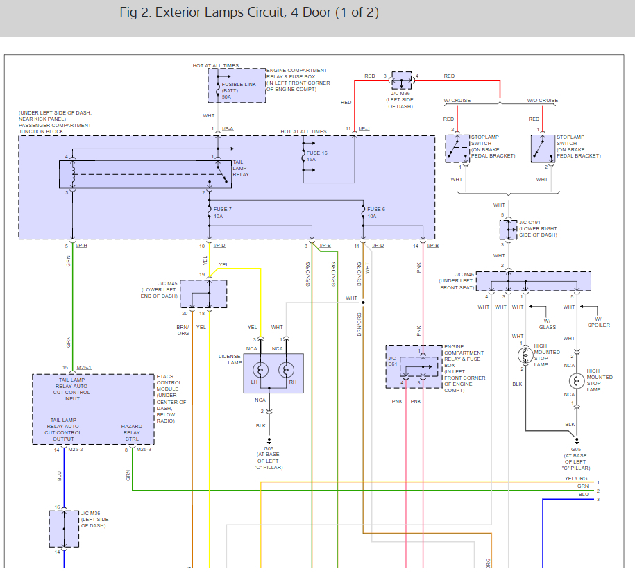
When I shut my car off tonight the tail lights stayed on. The headlights are off, there are no warning lights or any other problem. I restarted and turned off the car and lights a few times, they are still on after four hours.
Feb 23, 2018 at 10:46 PM









