Tail lights not working

2001 INFINITI I30
150,000 MILES • 3.6L • 6 CYL • 2WD • AUTOMATIC
Avatar
AMADA LOPEZ
  • MEMBER
  • 4 POSTS
I have the vehicle listed above with no working tail light but brake lights work. I have changed the fuse the relay and the brake switch. None of my wiring is bad or connector. What can my problem be? Every time I switch fuse and turn on it blows.
Mar 23, 2021 at 9:30 AM
Advertisement
Avatar
JACOBANDNICKOLAS
  • CERTIFIED EXPERT
  • 110,175 POSTS
Hi,

Do me a favor. Remove the bulbs from the lights and see if it blows. If it doesn't, we have a bad socket.

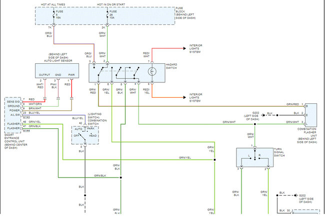
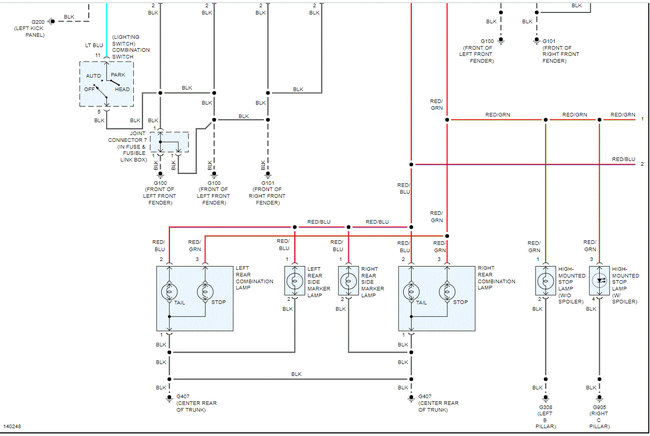
I attached the entire wiring schematic for the exterior lighting for your review. Since the fuse blows as soon as you turn the lights on, there has to be a dead short.

Try the bulbs first. Also, check the wiring near the fuse box where the fuse is located.

Let me know what you find or if you have other questions. Also, here is a link you may find helpful.

https://www.2carpros.com/articles/how-to-check-wiring

Let me know,

Joe

See pics below.
Mar 24, 2021 at 6:04 PM
Avatar
AMADA LOPEZ
  • MEMBER
  • 4 POSTS
Checked bulbs sockets and fuse area everything good. Can’t find problem.
Mar 28, 2021 at 3:47 PM
Advertisement
Avatar
JACOBANDNICKOLAS
  • CERTIFIED EXPERT
  • 110,175 POSTS
Did the fuse still blow with the bulbs removed? For the fuse to blow right away, there has to be a short. If you have already tried removing the bulbs to see if it still blew, the next thing is to disconnect the tail lamp relay to see if still happens. We need to narrow down where the problem can be.

I attached two pics. The first shows the relay box 1 and the second shows the location of the tail light relay. Pull that relay and see if it still blows.

Let me know.

Joe
Mar 28, 2021 at 7:21 PM
Avatar
AMADA LOPEZ
  • MEMBER
  • 4 POSTS
Did not blow fuse when relay was removed. What’s next?
Mar 29, 2021 at 9:20 AM
Avatar
JACOBANDNICKOLAS
  • CERTIFIED EXPERT
  • 110,175 POSTS
Now, check the wiring at the relay. The short is after the relay, so that is where I would start. Make sure there are no issues under the relay box causing a short.

Joe
Mar 29, 2021 at 7:29 PM
Avatar
AMADA LOPEZ
  • MEMBER
  • 4 POSTS
Relay connector was loose fixed it and now not blowing fuse, but lights still not working.
Apr 4, 2021 at 7:34 PM
Avatar
JACOBANDNICKOLAS
  • CERTIFIED EXPERT
  • 110,175 POSTS
Glad to hear you got it fixed. Wiring can be a nightmare. LOL

Please feel free to come back anytime in the future.

Take care,
Joe
Apr 5, 2021 at 6:02 PM