tail lights

2009 MAZDA 3
200,000 MILES
Avatar
KRILAJ00677
  • MEMBER
  • 1 POST
tail lights work when on auto and day times are one, tail lights stop working when I turn on night time lights and I cant figure out why
Jul 8, 2019 at 12:52 PM
Advertisement
Avatar
JACOBANDNICKOLAS
  • CERTIFIED EXPERT
  • 110,175 POSTS
Welcome to 2CarPros.

The first thing that comes to mind is what is called a TNS relay. The TNS relay is powered by the taillight fuse and is energized when the headlight switch is turned on. Thus, when the lights are off, the relay isn't energized, but when on, it may be failing to allow power to the brake lights. See picture 1 for location. Also, check the fuses in picture 2.

Now, if the relay is bad, and please don't quote me, but I believe it is soldered in place. Once you get to the box, let me know exactly what you see. I am looking at schematics so it isn't clear. And don't laugh, but if it is soldered, turn the lights on and have a helper watch if the brake lights come on if you tap on the junction box. The relay could be stuck.

Here are a couple links that you may find helpful when checking fuses and basic electrical circuits. Also, if the relay is removable (and I have a feeling it isn't) here is a link that explains how to check a relay:

https://www.2carpros.com/articles/how-to-check-a-car-fuse

https://www.2carpros.com/articles/how-to-check-wiring

https://www.2carpros.com/articles/how-to-check-an-electrical-relay-and-wiring-control-circuit

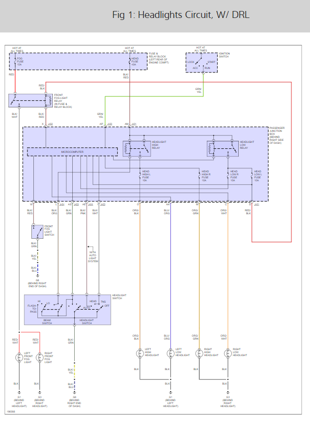
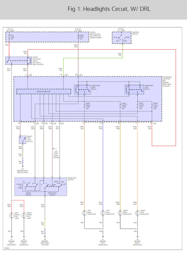
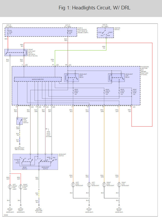
Check out the diagrams (Below). Please let us know what you find. We are interested to see what it is.

Joe
Jul 8, 2019 at 9:13 PM
Avatar
ANDREW MASON2
  • MEMBER
  • 1 POST
turn the light switch on and they all come on and then my dash lights will glow real bright like my lights are off. but my fog and head lights are still on.
Dec 9, 2020 at 9:09 AM (Merged)
Advertisement
Avatar
STRAILER
  • CERTIFIED EXPERT
  • 53,854 POSTS
Do the headlight work when the dash is bright? if so then it sounds like a headlight switch has gone bad. Here is a guide and the headlight wiring diagrams so you can see how the system works:

https://www.2carpros.com/articles/how-to-use-a-test-light-circuit-tester

There is a low beam replay that needs to be tested as well (r23) in the passengers side fuse panel.

Check out the diagrams (below).

Please let us know what you find.

Cheers, Ken
Dec 9, 2020 at 9:09 AM (Merged)