Taillights not working

2001 JEEP GRAND CHEROKEE LAREDO
120,000 MILES • 4.0L • 6 CYL • 2WD • AUTOMATIC
Avatar
KEISHACAMERON18
  • MEMBER
  • 1 POST
My taillights won't come on. is there a fuse and where is it?
Aug 2, 2020 at 10:14 PM
Advertisement
Avatar
KASEKENNY
  • CERTIFIED EXPERT
  • 18,907 POSTS
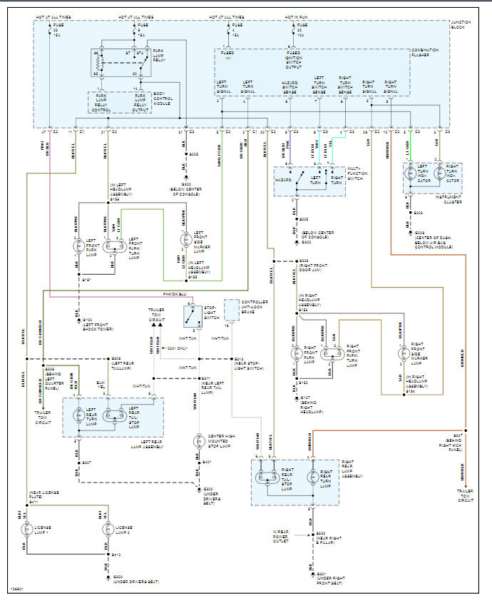
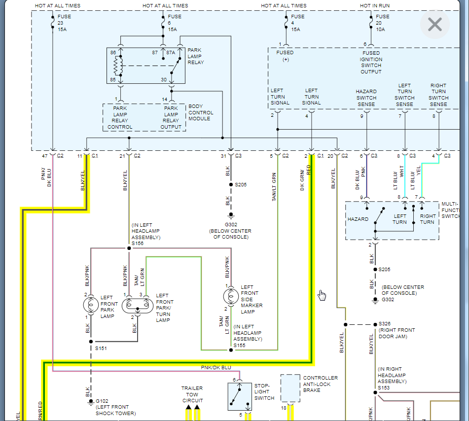
I attached the wiring diagram, as you will see there is not one single fuse that controls the tail lamps. However, if the center high mount lamp does not work either, then I would think the brake lamp switch is the issue. This is on the brake pedal and I attached the procedure for this for your review.

Let me know what you find. Thanks
Aug 3, 2020 at 8:22 AM