Taillights and license plate lights will not turn on

2010 NISSAN VERSA
210,000 MILES • 1.6L • AUTOMATIC
Avatar
MERCEDESS500
  • MEMBER
  • 4 POSTS
Replaced brake light switch, and still the running lights/taillights don't work. all other lights work. also, tried to bypass the switch to have the lights turn on without the switch; they stayed on, but the car wouldn't go past 25MPH. so, undid the bypass, now the car accelerates slow, but picks speed up fast. still no running lights or license plate lights.
Dec 11, 2021 at 8:13 AM
Advertisement
Avatar
JACOBANDNICKOLAS
  • CERTIFIED EXPERT
  • 110,175 POSTS
Hi,

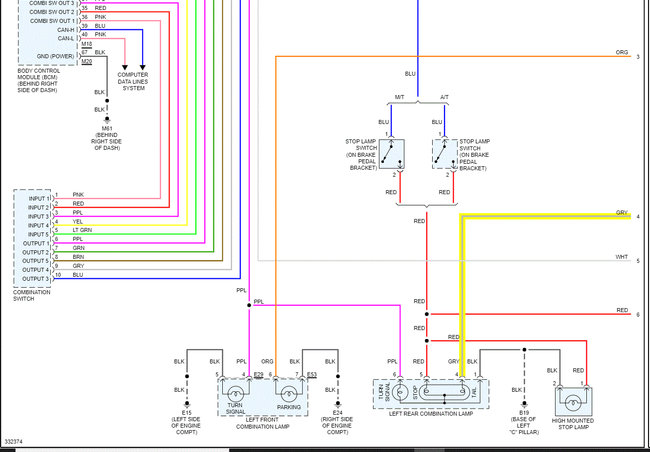
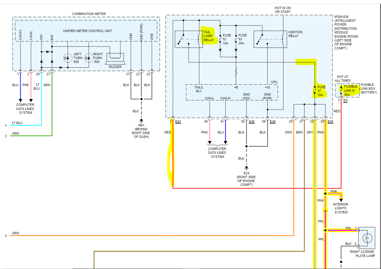
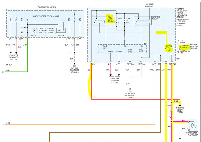
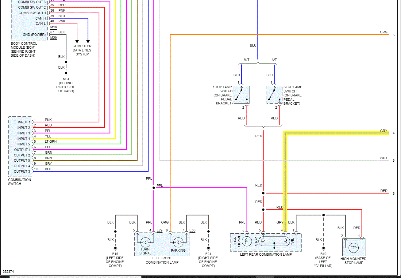
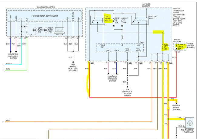
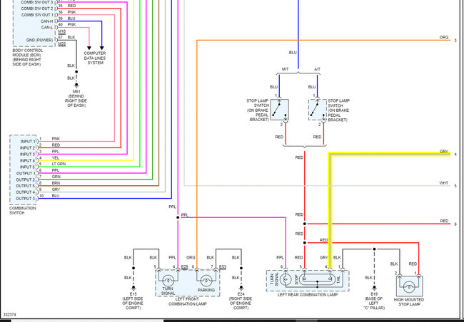
I need you to check a fuse and a relay. If you look below, I attached the wiring schematic for the vehicle's exterior lighting. These are for a sedan. If you have a hatchback, let me know because they are different.

There were two pages of schematics. I had to cut each in half to make them readable, but I did overlap them so you can follow from one to the next. I also highlighted the wiring to the lights from the fuse.

First, confirm fuse 37 in the under-hood fuse box is good. In addition to checking the fuse, confirm there is power to it. Note: Power to the fuse will only be present when the lights are turned on.

Here is a link you may find helpful:

https://www.2carpros.com/articles/how-to-check-a-car-fuse

If the fuse is good and there is no power, we need to go back to the relay. If there is another one having the same part number, switch them to see if things change. If there isn't one, here is a link that shows how to test one.

https://www.2carpros.com/articles/how-to-check-an-electrical-relay-and-wiring-control-circuit

If that doesn't help, we need to confirm there is power to it. Power comes from a fusible link (link D near battery box). I will need you to inspect that as well.

Let me know what you find or if you have other questions.

Take care,

Joe

See pics below.

Pics 5 and 6 show fuse locations.

Dec 11, 2021 at 11:42 PM