Can I get the taillights wiring diagram?

2018 HYUNDAI TUCSON
60,000 MILES
Avatar
POORJOHNN
  • MEMBER
  • 1 POST
needing diagram to wire lights to small trailer.
Sep 15, 2023 at 5:04 AM
Advertisement
Avatar
JACOBANDNICKOLAS
  • CERTIFIED EXPERT
  • 110,175 POSTS
Hi,

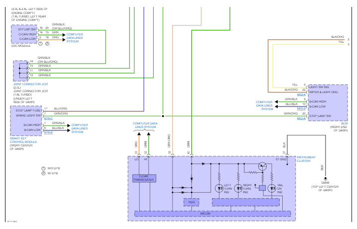
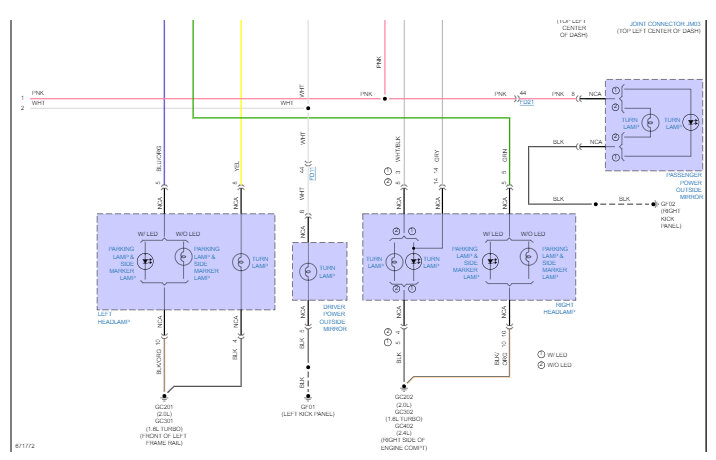
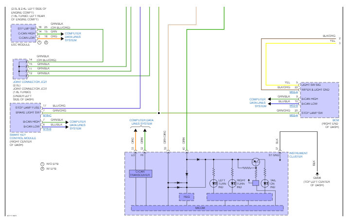
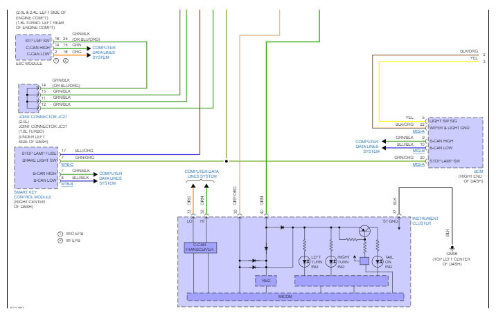
If you look below, I attached the exterior lighting schematics. They were four pages long, but I had to cut them in half to make them readable for you.

I did overlap them so you can follow. Additionally, at the start of each new page, I added what circuit the schematic is for.

Let me know if this helps or if you have other questions.

Take care,

Joe

See pics below.
Sep 15, 2023 at 8:42 PM