Taillights are not working; can i get a wiring diagram?

2004 DODGE GRAND CARAVAN
300 MILES • 3.3L • 6 CYL • 2WD • AUTOMATIC
Avatar
ARNIEK
  • MEMBER
  • 3 POSTS
No nighttime rear taillights. 2-Fuse, bulbs, sockets check good. All other light work.
Mar 5, 2023 at 5:23 PM
Advertisement
Avatar
STRAILER
  • CERTIFIED EXPERT
  • 53,855 POSTS
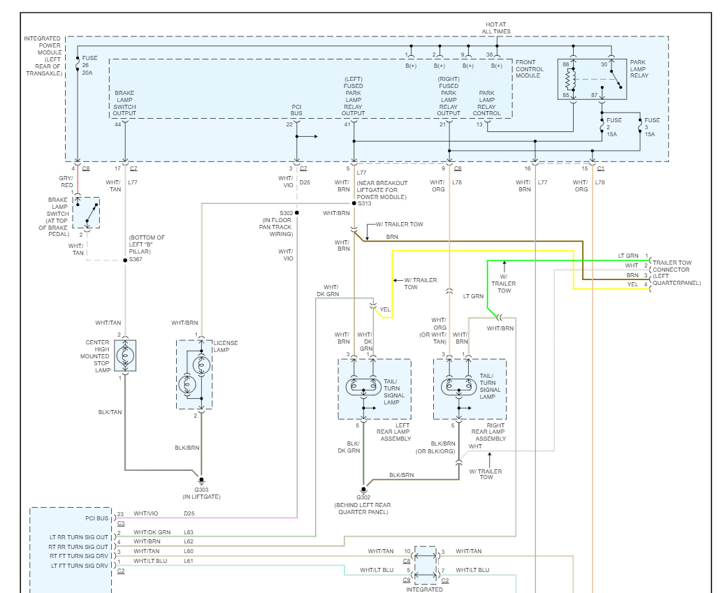
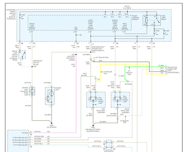
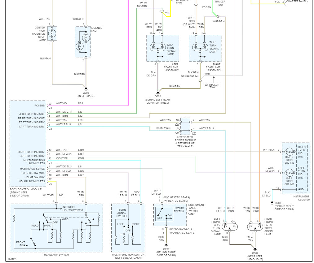
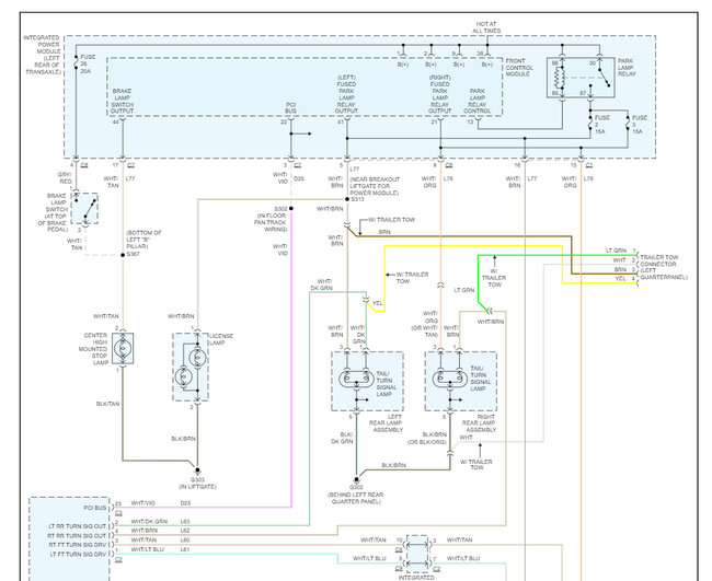
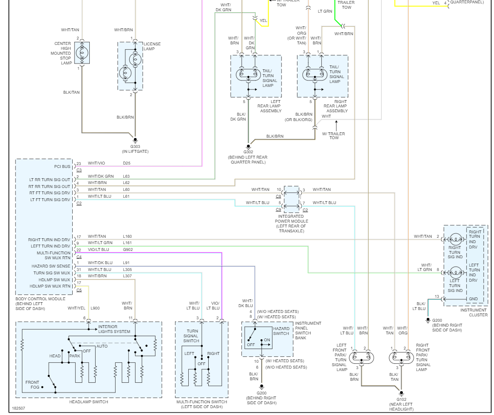
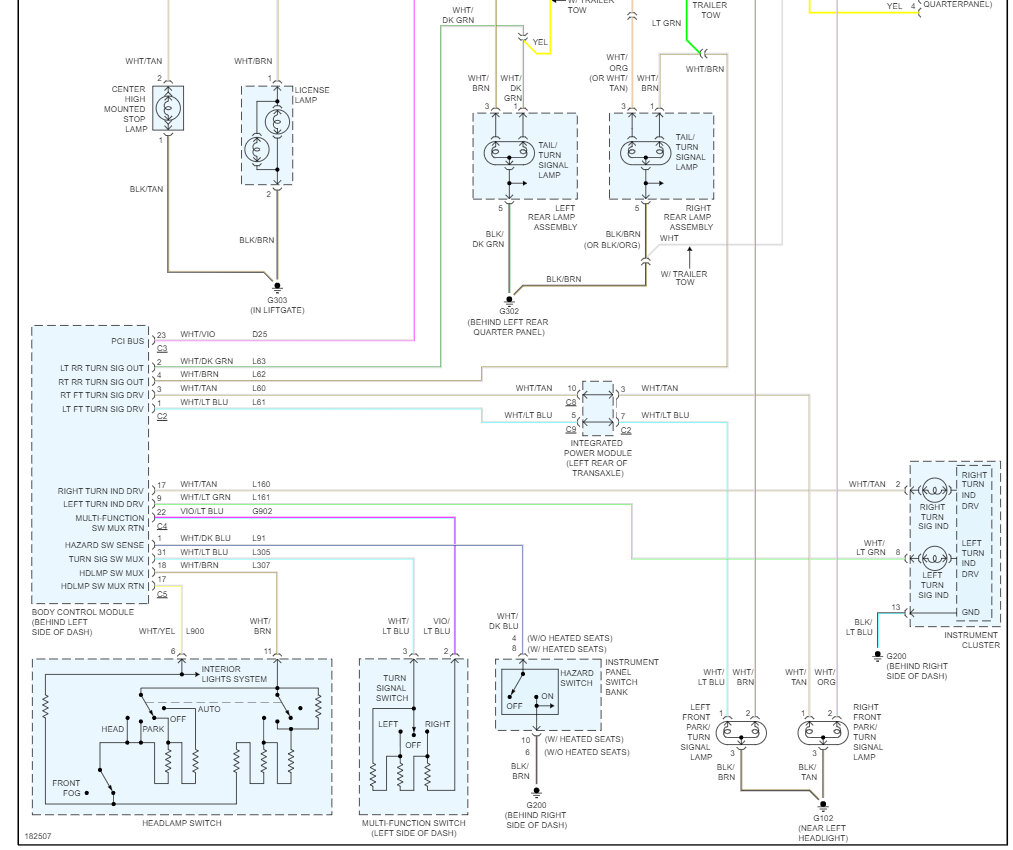
I have seen the TIPM go out which causes the running lights to stop working. Here are the running light wiring diagrams so you can see how the system works and I have included how to change the TIPM out which is easy because it-self learns. Check out the images (below). Please let us know what you find.
Mar 6, 2023 at 10:48 AM
Avatar
ARNIEK
  • MEMBER
  • 3 POSTS
Thank you, I will give all this a try this weekend. I'm not sure how to program the radio as mentioned in your #6 installation FCM. Any help there?
Thanks again.
Mar 6, 2023 at 1:05 PM
Advertisement
Avatar
STRAILER
  • CERTIFIED EXPERT
  • 53,855 POSTS
Yes, the DRB111 is a factory scan tool that is used to preset the radio equalizer. I would not worry about that right now. Let me know wat happens.
Mar 8, 2023 at 9:41 AM
Avatar
ARNIEK
  • MEMBER
  • 3 POSTS
Okay.
Mar 8, 2023 at 2:35 PM