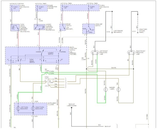
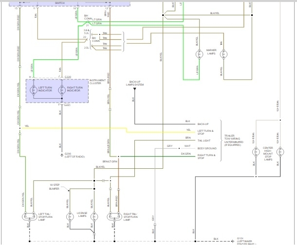
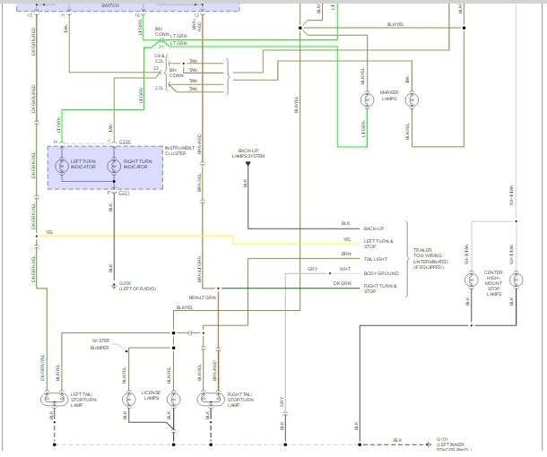
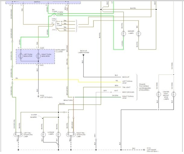
My taillights only work when pulled part way out before it clicks into position, but not after. I need to know what wire from the plug is power for the taillights so I can temporarily wire then to a toggle switch.
Jul 3, 2016 at 11:32 AM

