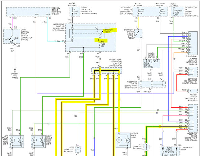
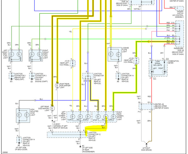
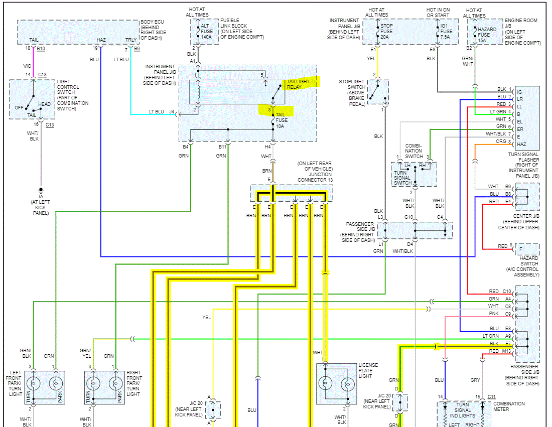
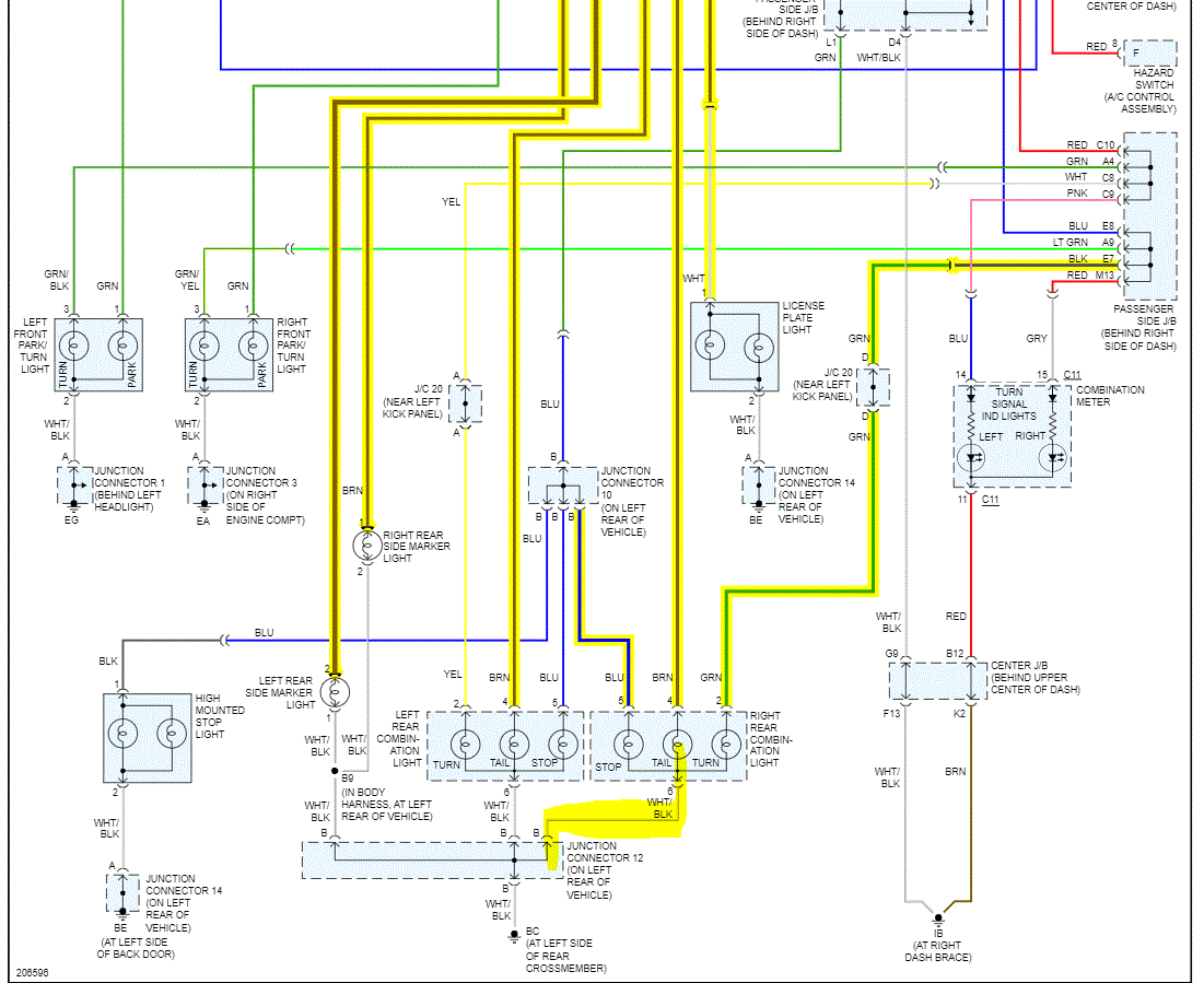
I backed into a tree a few years back and broke the passenger taillight. All lights still worked fine so i taped it up good with all the red and clear tape necessary to avoid a ticket. Finally, a few years of driving tapped up my brother bought a new taillight for my car so he could use it to take his driving test. It was super easy to install but now only the reverse light comes on.
May 7, 2022 at 1:30 PM

