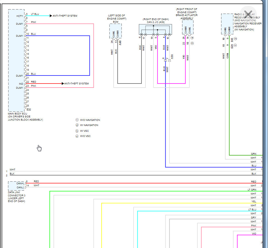
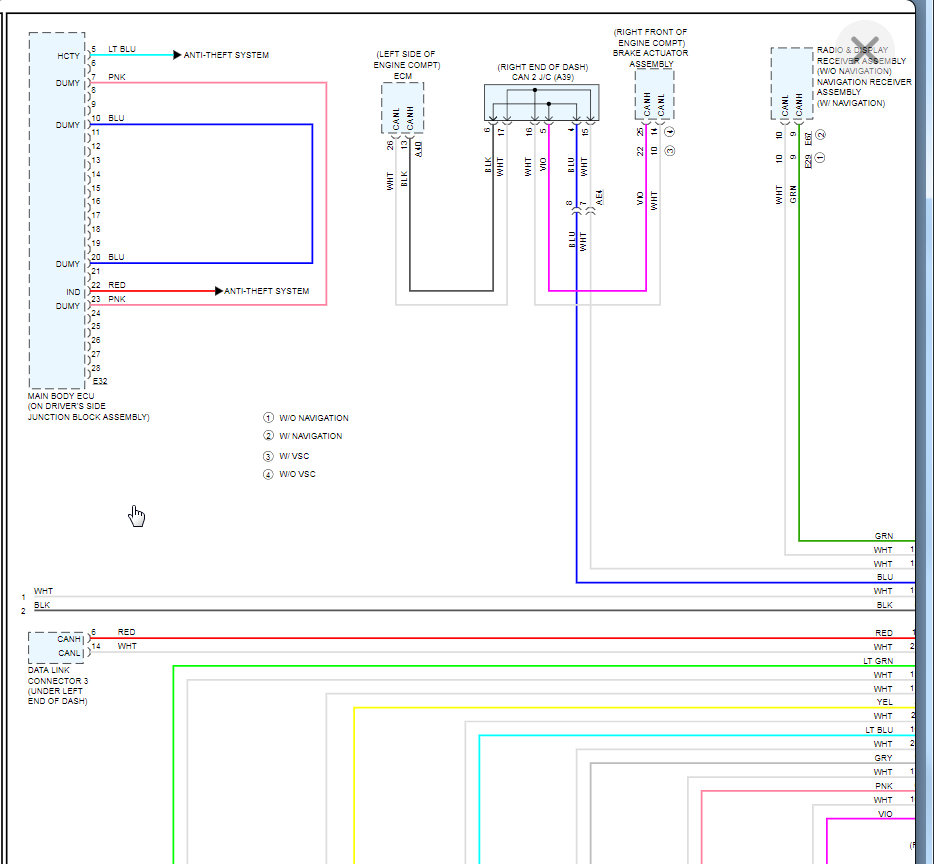
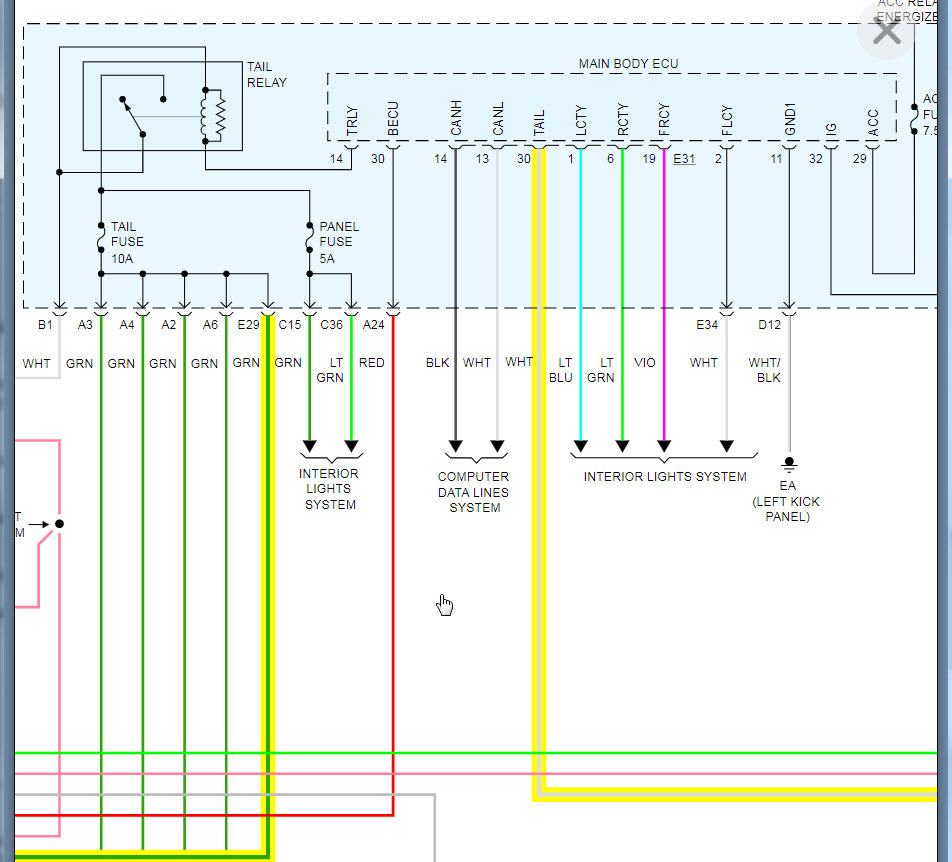
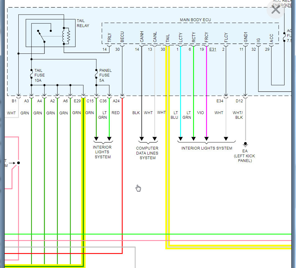
When I turn on the light with the headlight dimmer switch taillights do not work just when I press brake pedal (stop light).
Please help me. I can use the car just in the day.
Please help me. I can use the car just in the day.
Mar 22, 2020 at 8:14 AM
















