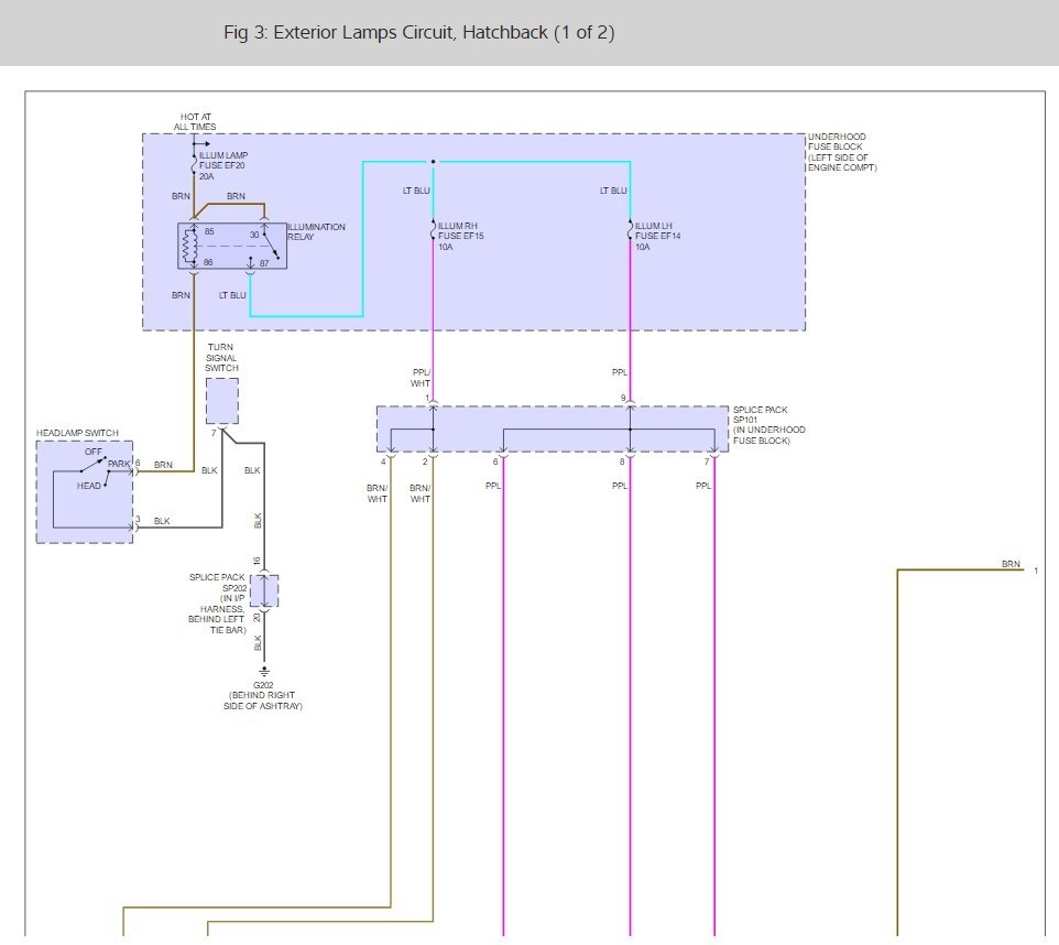
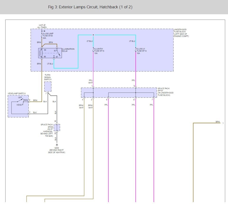
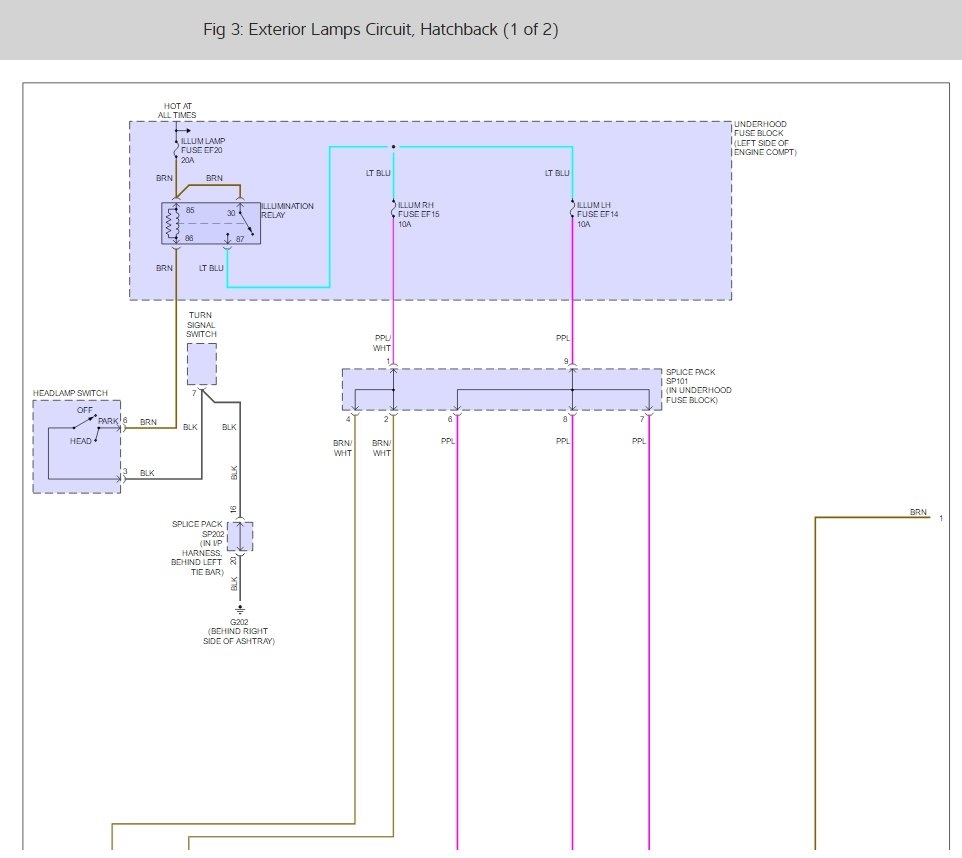
my driver side tail light the running lights are off. I changed socket bulbs fuses nothing works. it works while driving but not on stand still. please advice.
May 18, 2017 at 6:56 PM

